Dentron MLA-1200
Documentation Project

CBTricks.com

TIPS:
You need to have Acrobat Reader version 5 or newer installed to view the files with icon.

If the files with or icon will not display see the Site FAQ for help on printing, viewing and using this information.


Click graphic to see closeup


DIAGRAMS
    Schematic Diagram RF Deck
    Schematic Diagram RF Deck
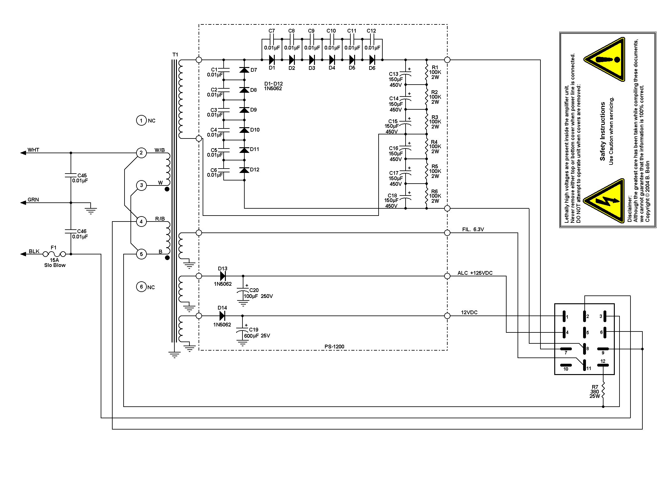
    Schematic Diagram Power Supply
    Schematic Diagram Power Supply

View of Back

 


Copyright © 1998,1999,2000, 2001, 2002, 2003, 2004 CBTricks.com

Disclaimer: Although the greatest care has been taken while compiling these documents,

we cannot guarantee that the instructions will work on every amp presented.