Palomar Electronics Corp. Skipper 300
Documentation Project
CBTricks.com

TIPS:
You need to have Acrobat Reader version 5 or newer installed to view the files with icon.

If the files with or icon will not display see the Site FAQ for help on printing and using this information.

 




Instruction Sheet

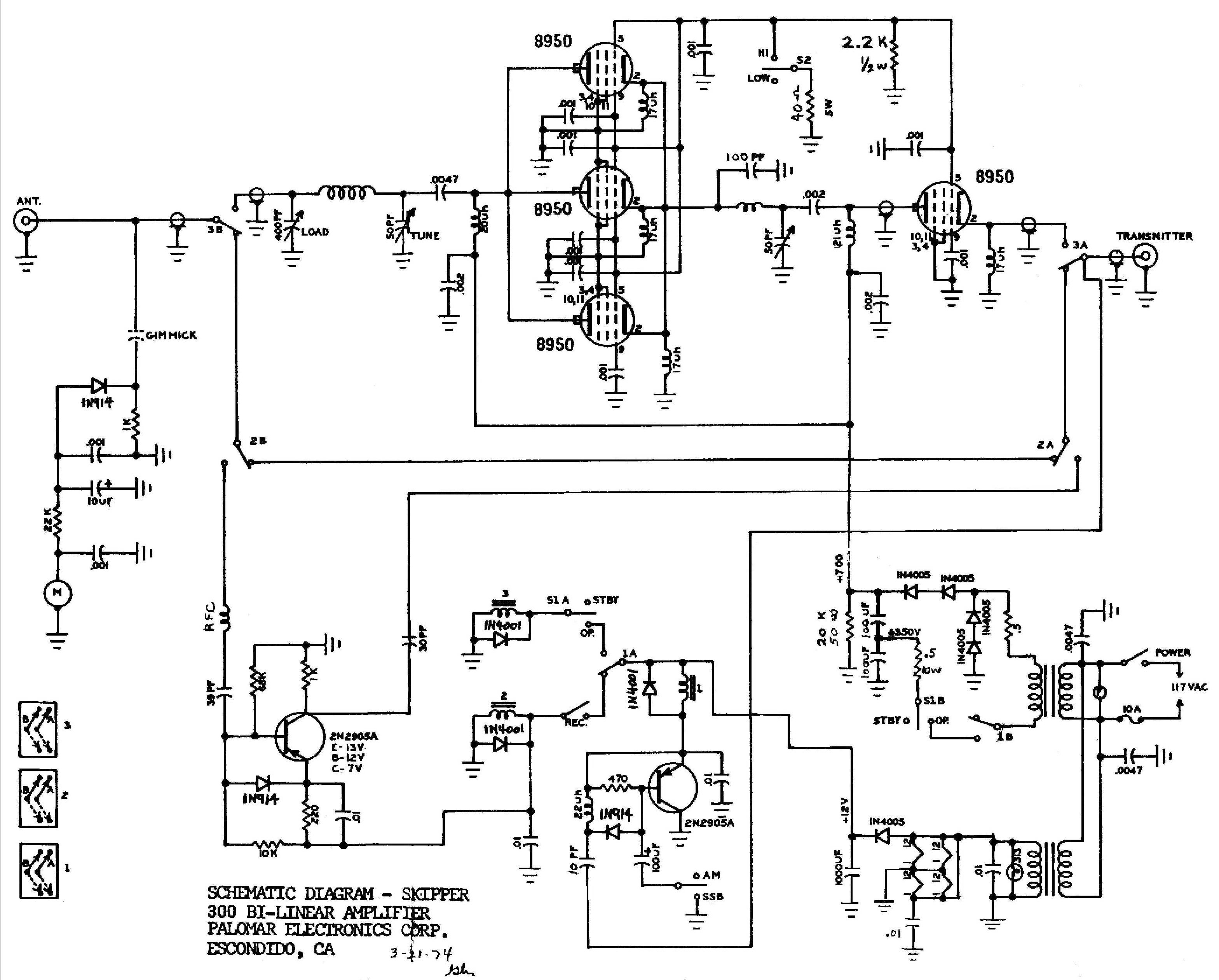
Schematic Diagram 8950 Version
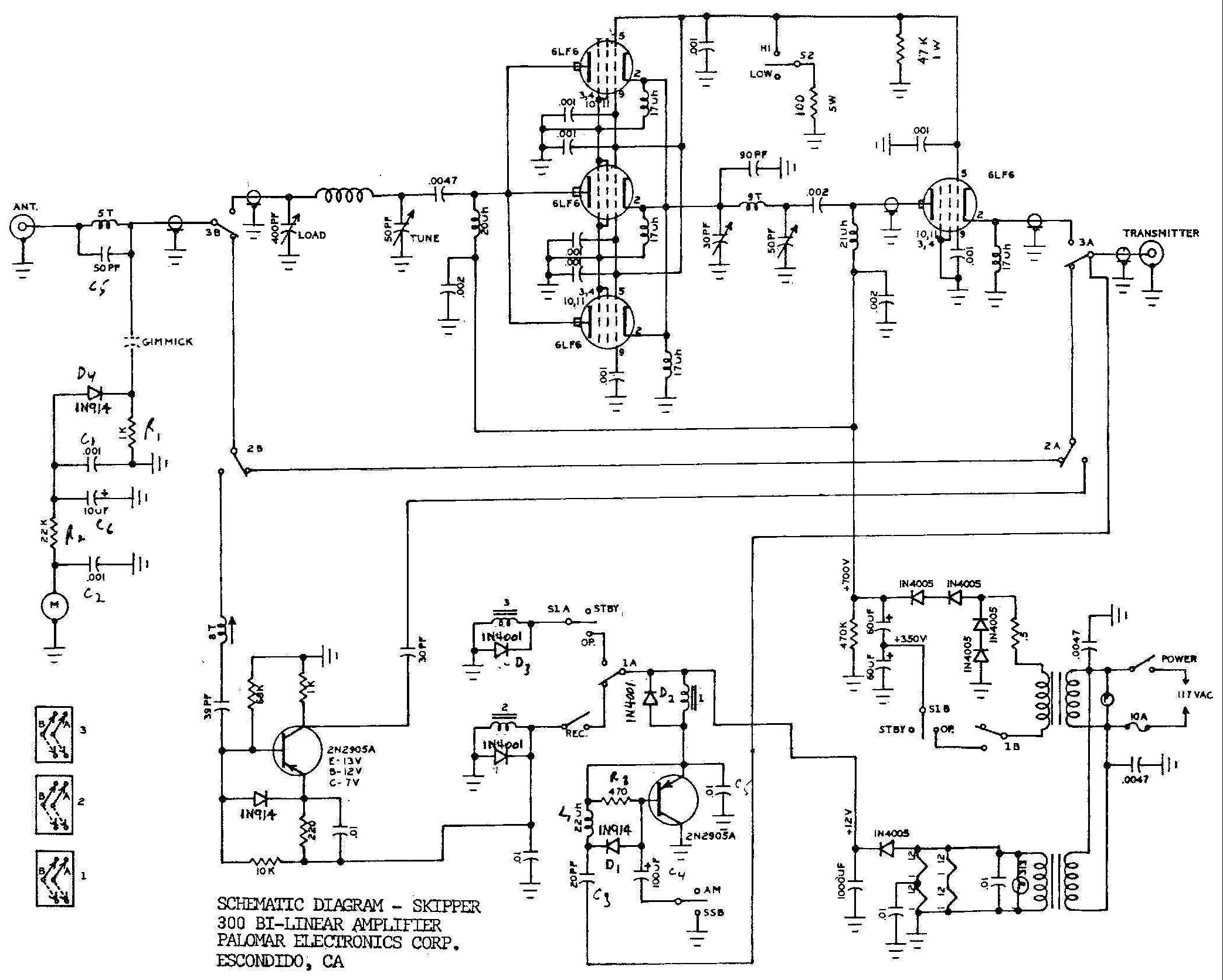
Schematic Diagram 6LF6 Version


 

 



Copyright © 1998-2008 CBTricks.com

Disclaimer: Although the greatest care has been taken while compiling these documents,

we cannot guarantee that the instructions will work on every radio presented.