Pride DX300
Documentation Project
CBTricks.com

TIPS:
You need to have Acrobat Reader version 5 or newer installed to view the files with icon.

If the files with or icon will not display see the Site FAQ for help on printing and using this information.

 


click to see closeup

Manuals
      Owners / Service Manual (Updated CBTricks Version)
      Cover Page
      Index

      Owners Manual (Scan of the Factory Manual)  (10meg)


DIAGRAMS (Updated CBTricks Version)
      Main Schematic Diagram
      Main Schematic Diagram
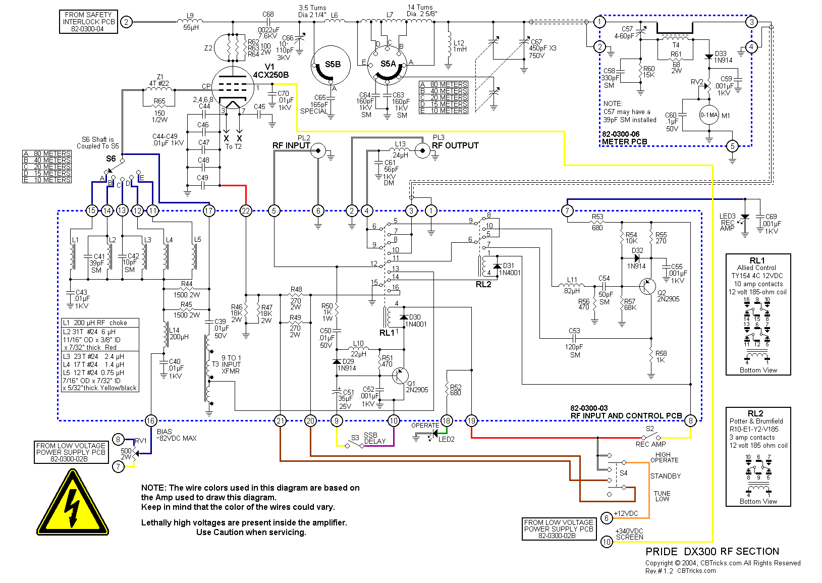
      RF Section Diagram
      RF Section Diagram
      Power Supply Diagram
      Power Supply Diagram
      Chassis Wiring Diagram
      Chassis Wiring Diagram

Nomad Radio High Voltage Power Supply PCB assembly Info

NOTE: CBTricks does not sell the Nomad Radio High Voltage Power Supply PCB. To get the latest info and to buy one go to Nomad Radio's web site here http://www.nomadradio.com/

 



Copyright © 1998, 1999, 2000, 2001, 2002, 2003, 2004, 2005 CBTricks.com

Disclaimer: Although the greatest care has been taken while compiling these documents,

we cannot guarantee that the instructions will work on every radio presented.