Siltronix LA-550
Documentation Project

CBTricks.com

 


Please Note:
You need to have Acrobat Reader version 5 or newer installed to view the files with icon.

If the files with or icon will not display see the Site FAQ for help on printing and using this information.

This is a project of Don Thomas he is looking for other Siltronix Amp owners to compare notes with.

Contact him at k5zrq@juno.com if you have infomation.

Note: This project is on going so check back for updates.

DIAGRAMS

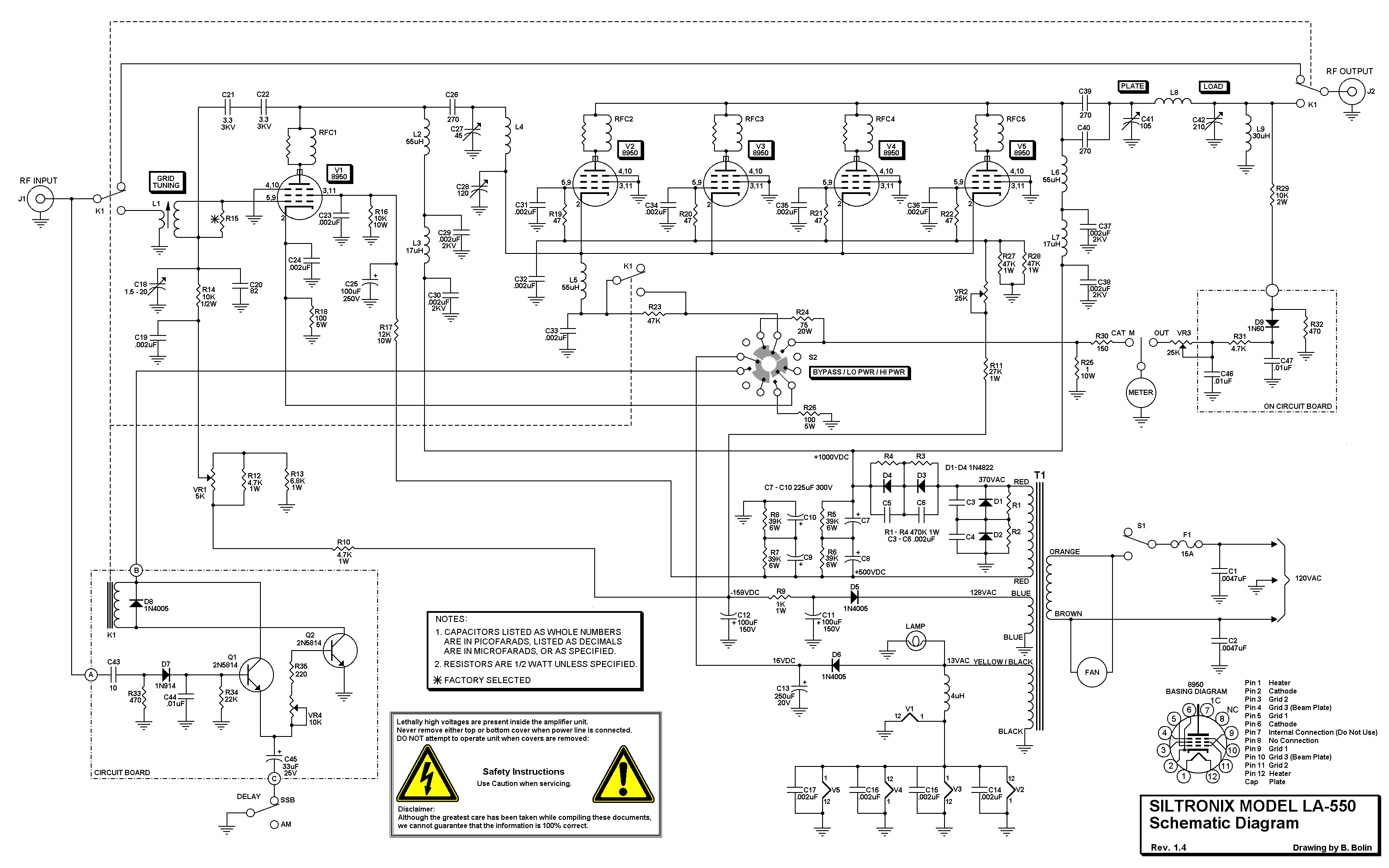
     Schematic Diagram

     Schematic Diagram


Copyright © 2001, 2002, 2003, 2004, 2005, 2006 CBTricks.com
All rights reserved. No part of this publication may be reproduced, stored in a retrieval system or transmitted in any form or by any means, electronic, mechanical, photocopying, or otherwise, without the prior written permission of the copyright holder (CBTricks.com).
All logos and Brand Names are the property of their respective owners.
http://www.cbtricks.com/

Disclaimer: Although the greatest care has been taken while compiling these documents,

we cannot guarantee that the instructions will work on every amp presented.