Sonar BR2906 Linear Amplifier
Documentation Project

CBTricks.com

TIPS:
You need to have Acrobat Reader version 5 or newer installed to view the files with icon.

If the files with or icon will not display see the Site FAQ for help on printing and using this information.



Manual
     Owner's Manual

Diagrams
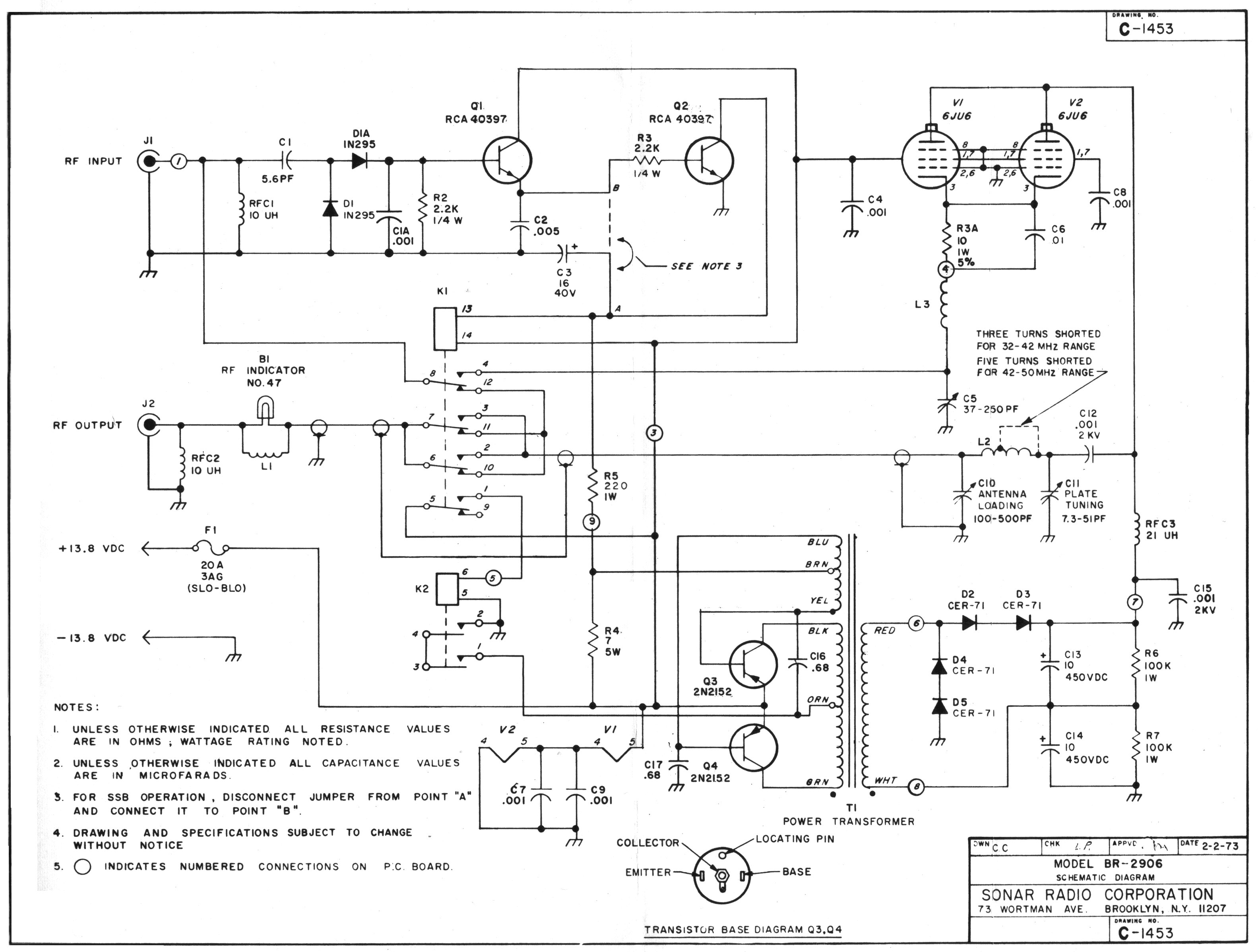
     Schematic Diagram 02-02-73
     Schematic Diagram 02-02-73

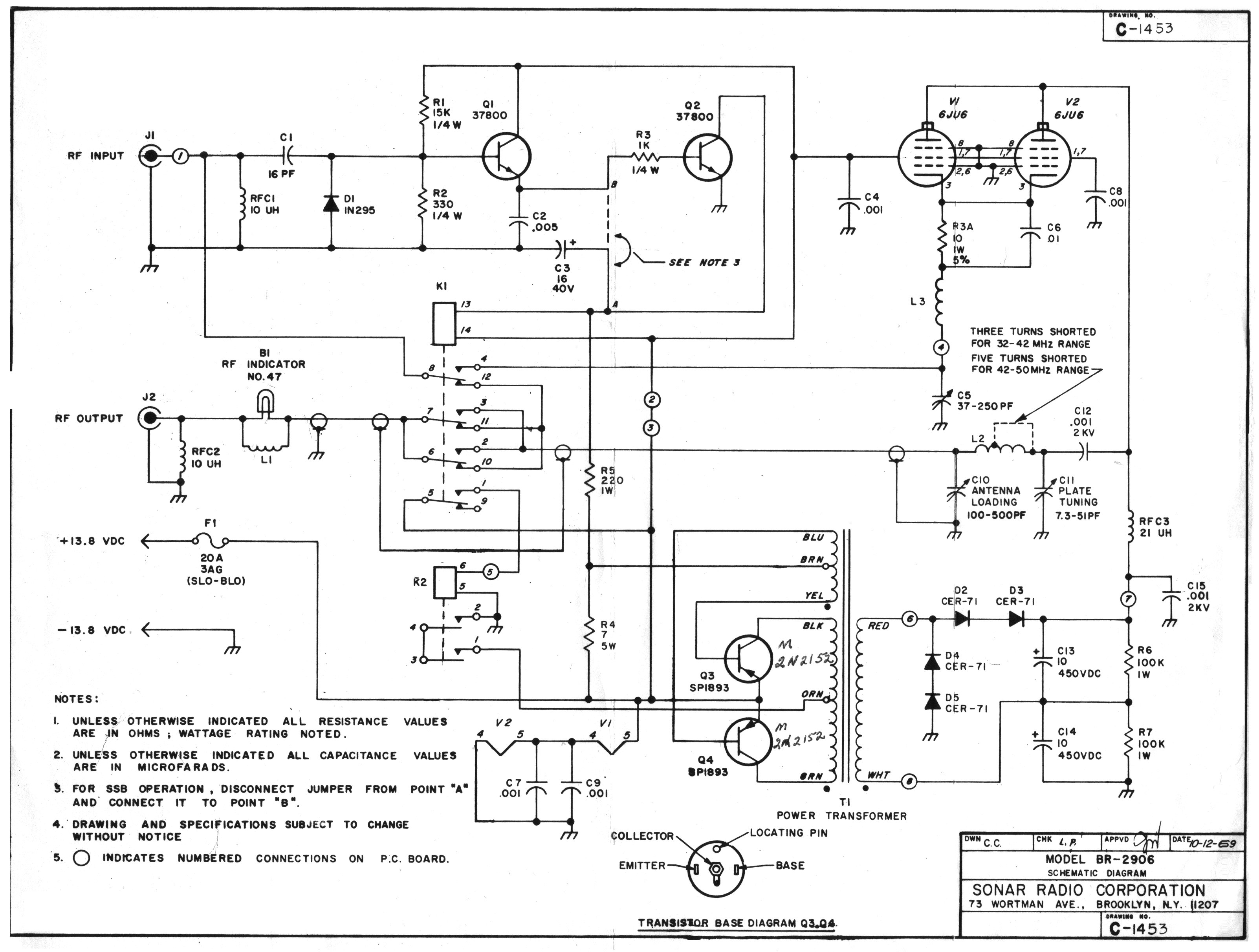
     Schematic Diagram 10-12-69
     Schematic Diagram 10-12-69

 

 



Copyright © 1998, 1999, 2000, 2001, 2002, 2003, 2004, 2005 CBTricks.com

Disclaimer: Although the greatest care has been taken while compiling these documents,

we cannot guarantee that the instructions will work on every radio presented.