Texas Star DX 1000V
Documentation Project

CBTricks.com

SPECIFICATIONS
Power / Current Chart
Install Note
Remote Control hookup Info.
Remote Control Schematic

Picture Tour of The DX 1000V

DX1000V Updates
July 2007

DX 1000V

Click Picture to see full size


Please Note:
You need to have Acrobat Reader version 5 or newer installed to view the files with icon.

If the files with or icon will not display see the Site FAQ for help on printing and using this information.

The schematics are best if printed on 11x17 (B size) paper. They can be printed on 8.5x11 by clicking "shrink oversize pages to paper size". See section notes for more infomation.

MODIFICATIONS

   CW Transmitter To AMP Conversion

 

DIAGRAMS

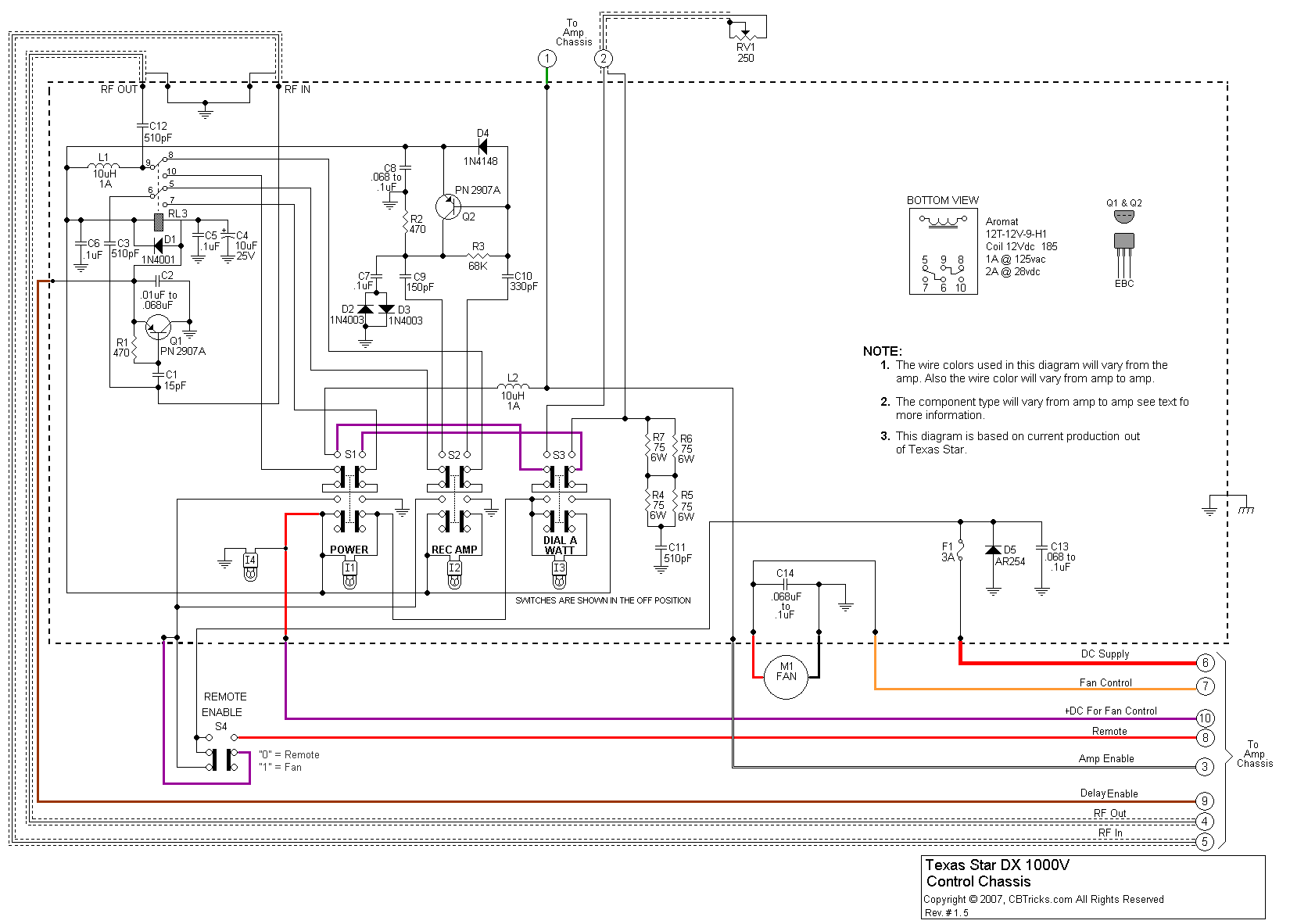
    Schematic Diagram (Control Chassis) (11x17)
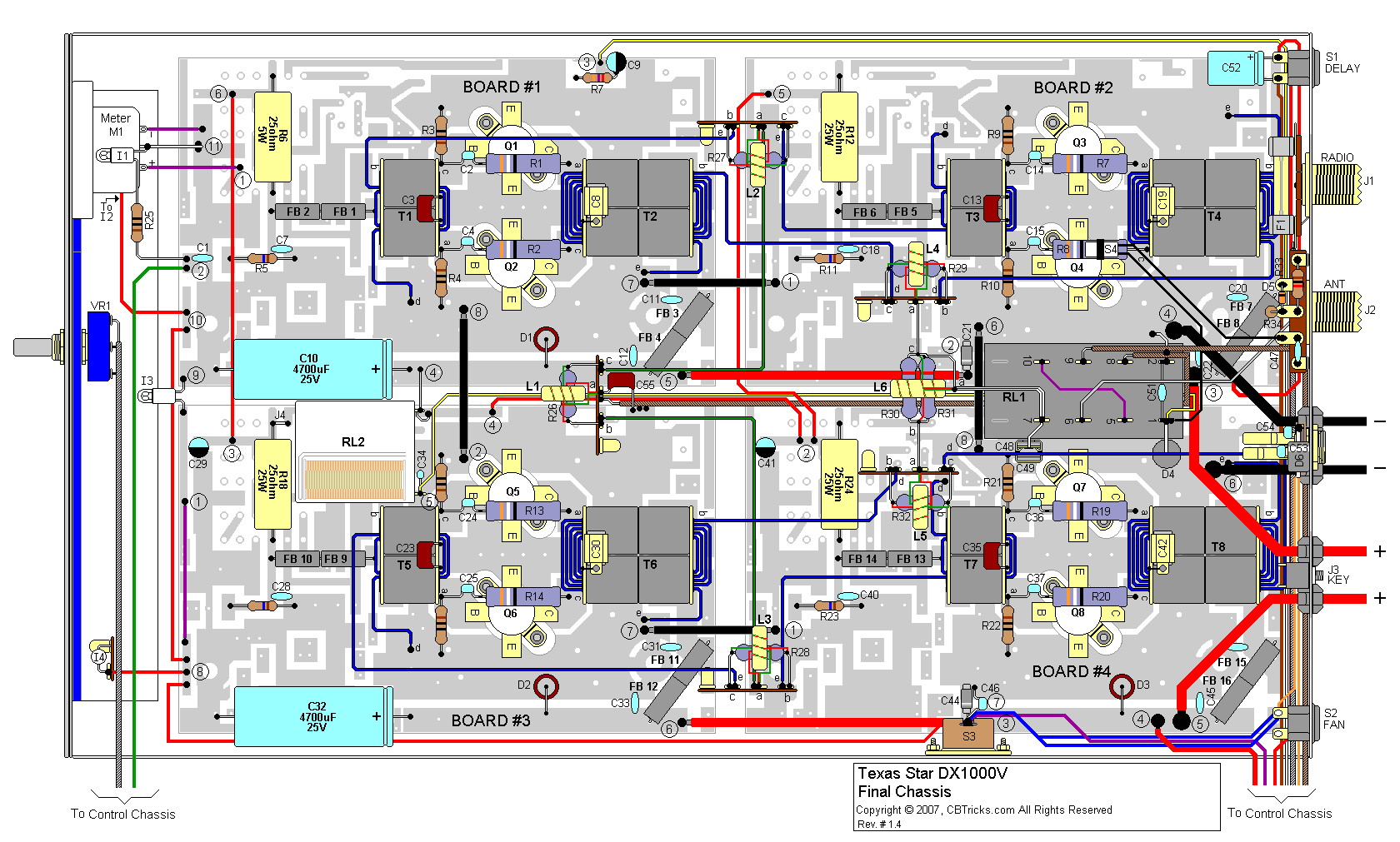
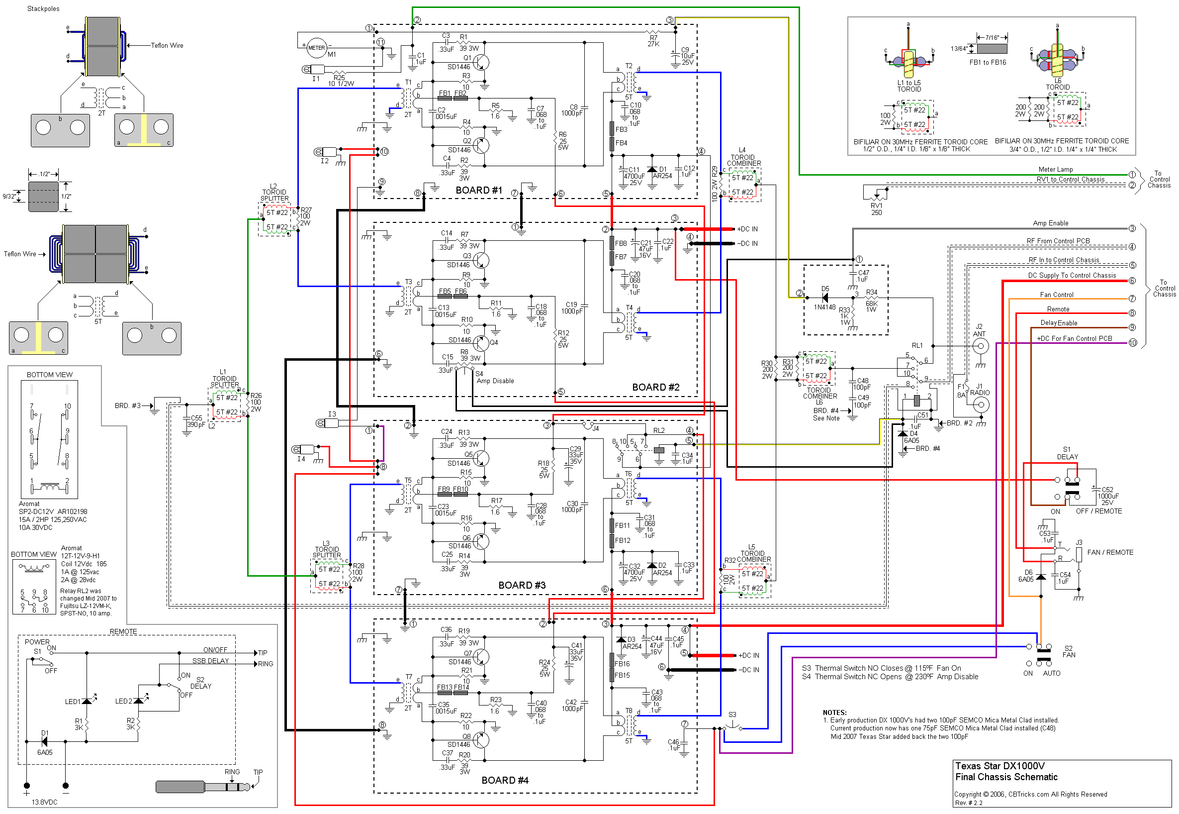
    Schematic Diagram (Amp Chassis) (11x17)


    Schematic Diagram (Control Chassis)
    Schematic Diagram (Amp Chassis)
PCB Layouts and Parts


     Amp Chassis PCB Layouts (11x17)
     Control Chassis PCB Layouts (11x17)
     PCB Trace Layouts Control (8.5x11)
     PCB Trace Layouts Amp (8.5x11)
     Cabinet Views (11x17)


     DX 1000V Parts List Amp Chassis
     DX 1000V Parts List Control Chassis
     Component Datasheet Section


     Amp Chassis PCB Layouts
     Control Chassis PCB Layouts
     PCB Trace Layouts Control
     PCB Trace Layouts Amp
     Cabinet Views

Quick Links

Copyright © 2001, 2002, 2003, 2004, 2005, 2006, 2007 CBTricks.com
All rights reserved. No part of this publication may be reproduced, stored in a retrieval system or transmitted in any form or by any means, electronic, mechanical, photocopying, or otherwise, without the prior written permission of the copyright holder (CBTricks.com).
All logos and Brand Names are the property of their respective owners.
http://www.cbtricks.com/

Disclaimer: Although the greatest care has been taken while compiling these documents,

we cannot guarantee that the instructions will work on every amp presented.