Texas Star DX 299
Documentation Project

CBTricks.com

 

DX 299

Click to see full size


Please Note:
You need to have Acrobat Reader version 5 or newer installed to view the files with icon.

If the files with or icon will not display see the Site FAQ for help on printing and using this information.

See section notes for more infomation.

MODIFICATIONS
    CW Transmitter To AMP Conversion  
DIAGRAMS

    DX 299 Schematic Diagram (8.5x11) paper size

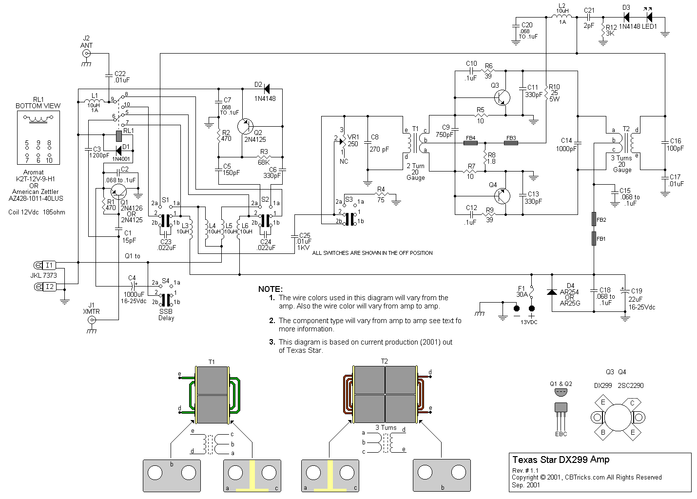
 DX 299 Schematic Diagram
PCB Layouts and Parts


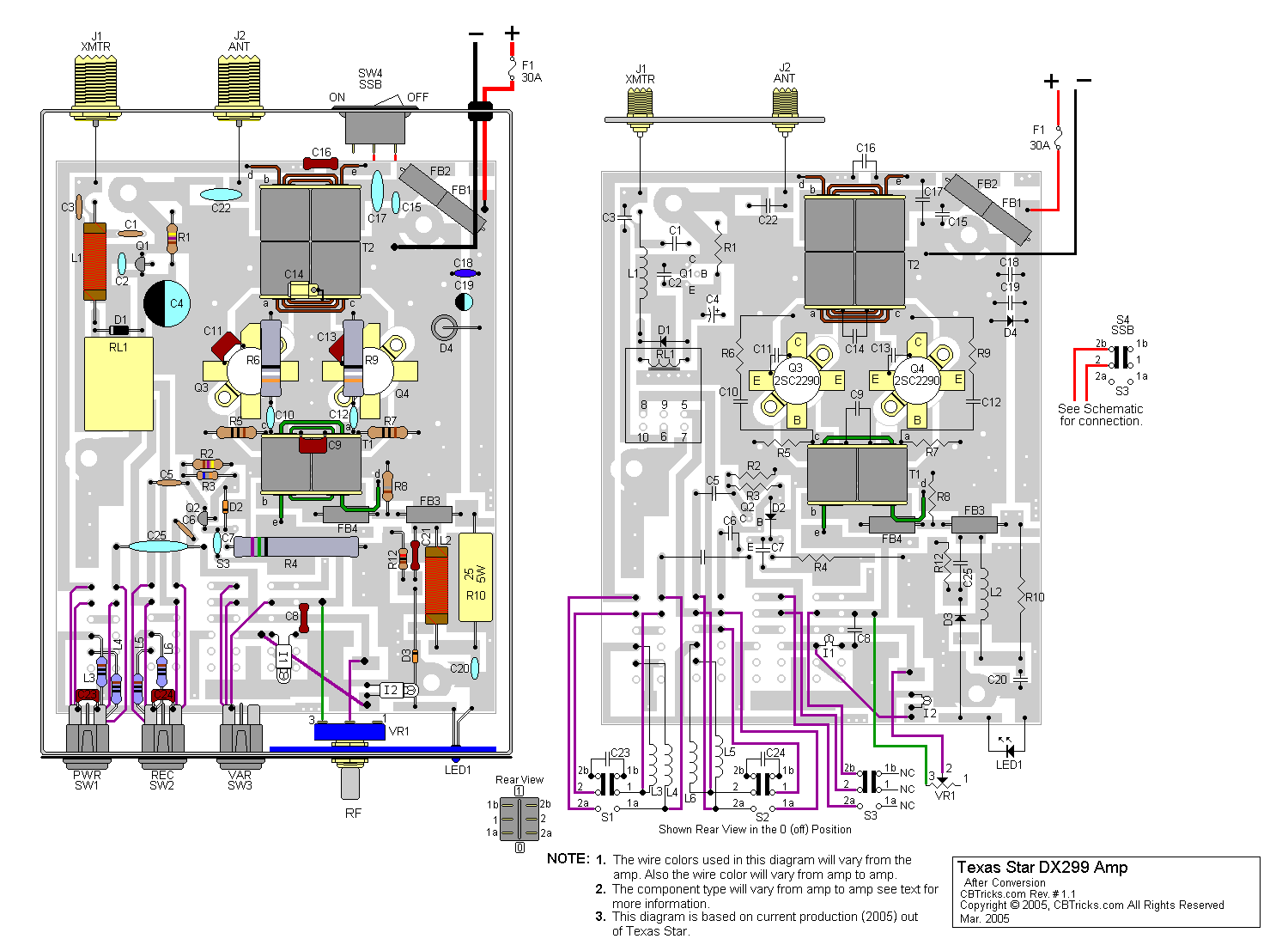
    DX 299 PCB Layouts / Inter-Connection Diagram (8.5x11) paper size
     PCB Trace Layouts (Board A) (8.5x11) paper size
     DX 299 Cabinet Views (8.5x11) paper size


     DX 299 Parts List
     Component Datasheet Section


     DX 299 PCB Layouts / Inter-Connection Diagram
     PCB Trace Layouts (Board A)
     DX299 Cabinet Views

 


Quick Links

Copyright © 2001, 2002, 2003, 2004, 2005, 2006 CBTricks.com
All rights reserved. No part of this publication may be reproduced, stored in a retrieval system or transmitted in any form or by any means, electronic, mechanical, photocopying, or otherwise, without the prior written permission of the copyright holder (CBTricks.com).
All logos and Brand Names are the property of their respective owners.
http://www.cbtricks.com/

Disclaimer: Although the greatest care has been taken while compiling these documents,

we cannot guarantee that the instructions will work on every amp presented.