Texas Star DX 399
Documentation Project

CBTricks.com

 

DX 399

Click to see full size


Please Note:
You need to have Acrobat Reader version 5 or newer installed to view the files with icon.

If the files with or icon will not display see the Site FAQ for help on printing and using this information.

See section notes for more infomation.

MODIFICATIONS
    CW Transmitter To AMP Conversion  
DIAGRAMS

    DX 399 Schematic Diagram (8.5x11) paper size

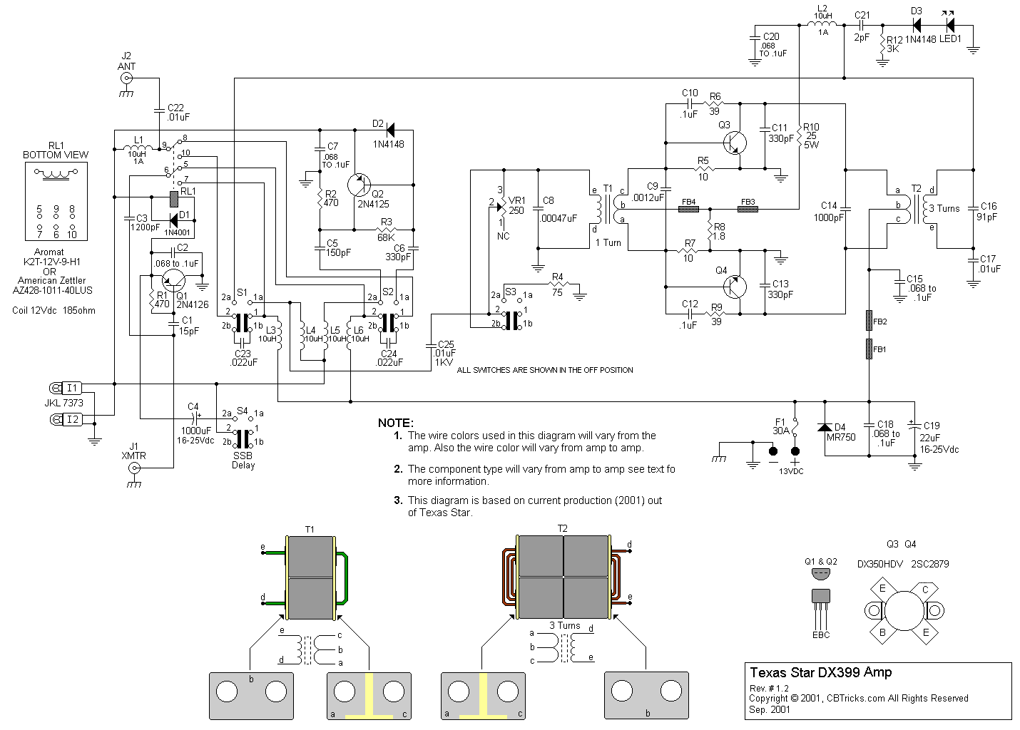
 DX 399 Schematic Diagram
PCB Layouts and Parts


    DX 399 PCB Layouts / Inter-Connection Diagram (8.5x11) paper size
     PCB Trace Layouts (Board A) (8.5x11) paper size
     DX 399 Cabinet Views (8.5x11) paper size


     DX 399 Parts List
     Component Datasheet Section


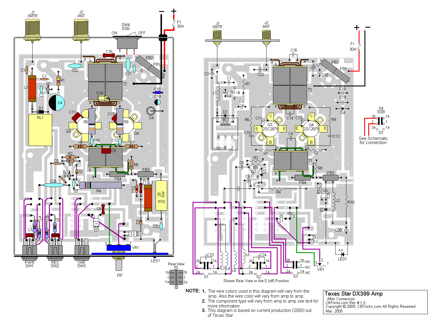
     DX 399 PCB Layouts / Inter-Connection Diagram
     PCB Trace Layouts (Board A)
     DX 399 Cabinet Views

 


Quick Links

Copyright © 2001, 2002, 2003, 2004, 2005, 2006 CBTricks.com
All rights reserved. No part of this publication may be reproduced, stored in a retrieval system or transmitted in any form or by any means, electronic, mechanical, photocopying, or otherwise, without the prior written permission of the copyright holder (CBTricks.com).
All logos and Brand Names are the property of their respective owners.
http://www.cbtricks.com/

Disclaimer: Although the greatest care has been taken while compiling these documents,

we cannot guarantee that the instructions will work on every amp presented.