Texas Star DX 667 - DX 667V
Documentation Project

CBTricks.com

DX 667

Click to see full size

DX 667V

Click to see full size


Please Note:
You need to have Acrobat Reader version 5 or newer installed to view the files with icon.

If the files with or icon will not display see the Site FAQ for help on printing and using this information.

The schematics are best if printed on 11x17 (B size) paper. They can be printed on 8.5x11 by clicking "shrink oversize pages to paper size". See section notes for more infomation.

MODIFICATIONS
    CW Transmitter To AMP Conversion  
DIAGRAMS

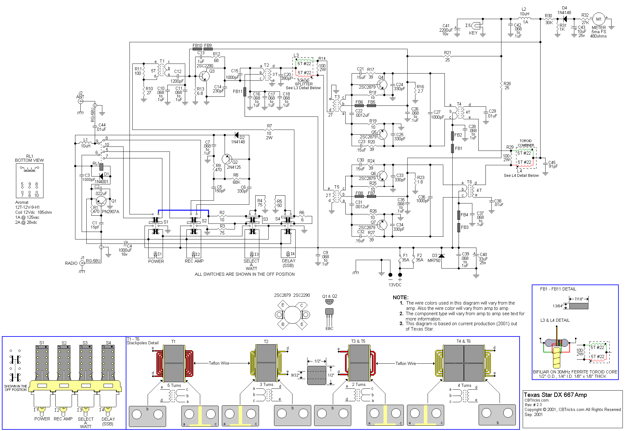
    DX 667 Schematic Diagram  (11x17)
    DX 667V Schematic Diagram  (11x17)
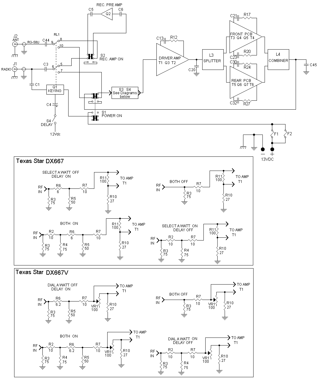
    DX 667V Block Diagram  (8.5x11)

    DX 667 Schematic Diagram
    DX 667V Schematic Diagram
    DX 667V Block Diagram
PCB Layouts and Parts


     DX 667 Inter-Connection Diagram (8.5x11)
     DX 667 PCB Layouts (8.5x11)
     DX 667V Inter-Connection Diagram (8.5x11)
     DX 667V PCB Layouts (8.5x11)
     PCB Trace Layouts (Board A) (8.5x11)
     PCB Trace Layouts (Board C) (8.5x11)
     PCB Trace Layouts (Board D) (8.5x11)
     DX 667 / DX667V Cabinet Views  (8.5x11)
     DX 667 DX667V C and D Board Change Info  (8.5x11)


     DX667 DX667V Parts List
     Component Datasheet Section


     DX 667 Inter-Connection Diagram
     DX 667 PCB Layouts
     DX 667V Inter-Connection Diagram
     DX 667V PCB Layouts
     PCB Trace Layouts (Board A)
     PCB Trace Layouts (Board C)
     PCB Trace Layouts (Board D)
     DX 667 / DX 667V Cabinet Views
     DX 667 DX 667V C and D Board Change Info
CWTX Information


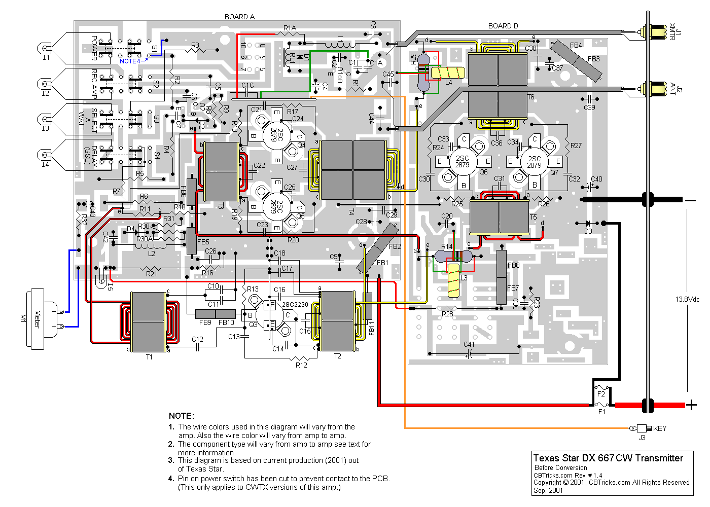
     DX 667 CWTX Inter-Connection Diagram  (8.5x11)
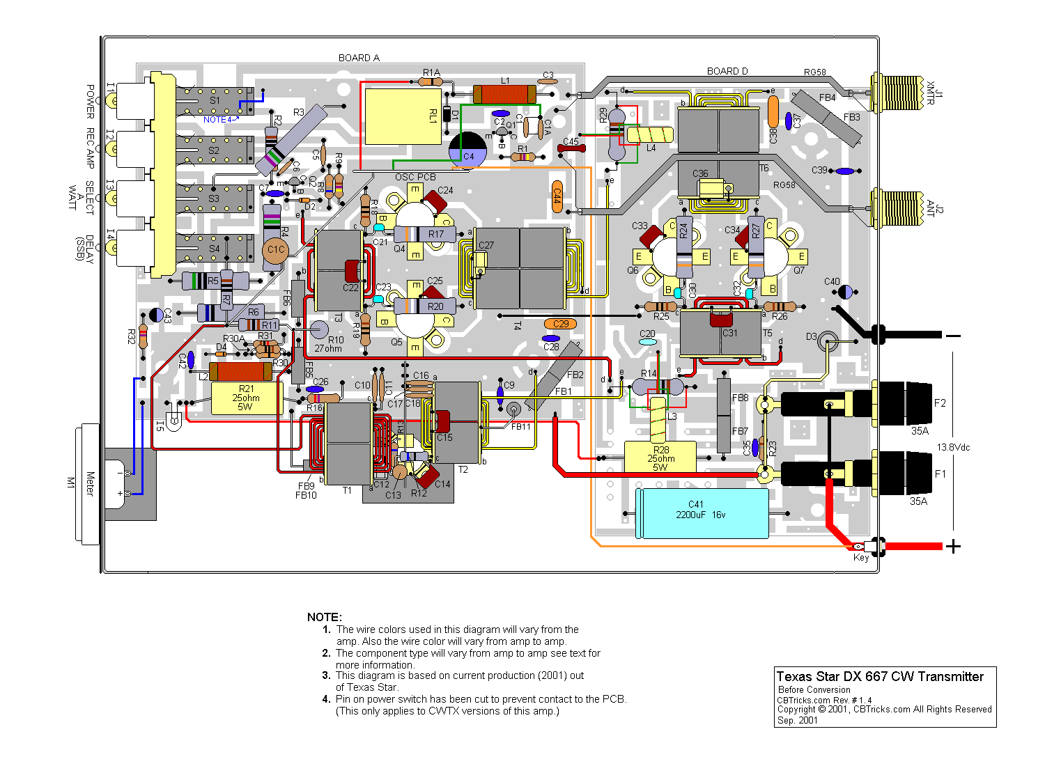
     DX 667 CWTX PCB Layouts  (8.5x11)
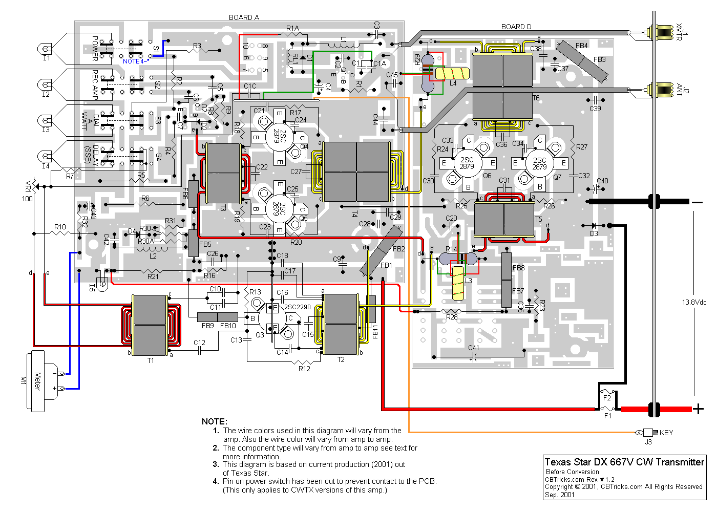
     DX 667V CWTX Inter-Connection Diagram  (8.5x11)
     DX 667V CWTX PCB Layouts  (8.5x11)
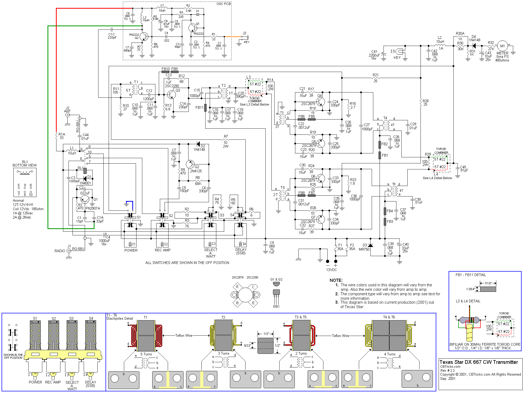
     DX 667 CWTX Schematic Diagram  (11x17)
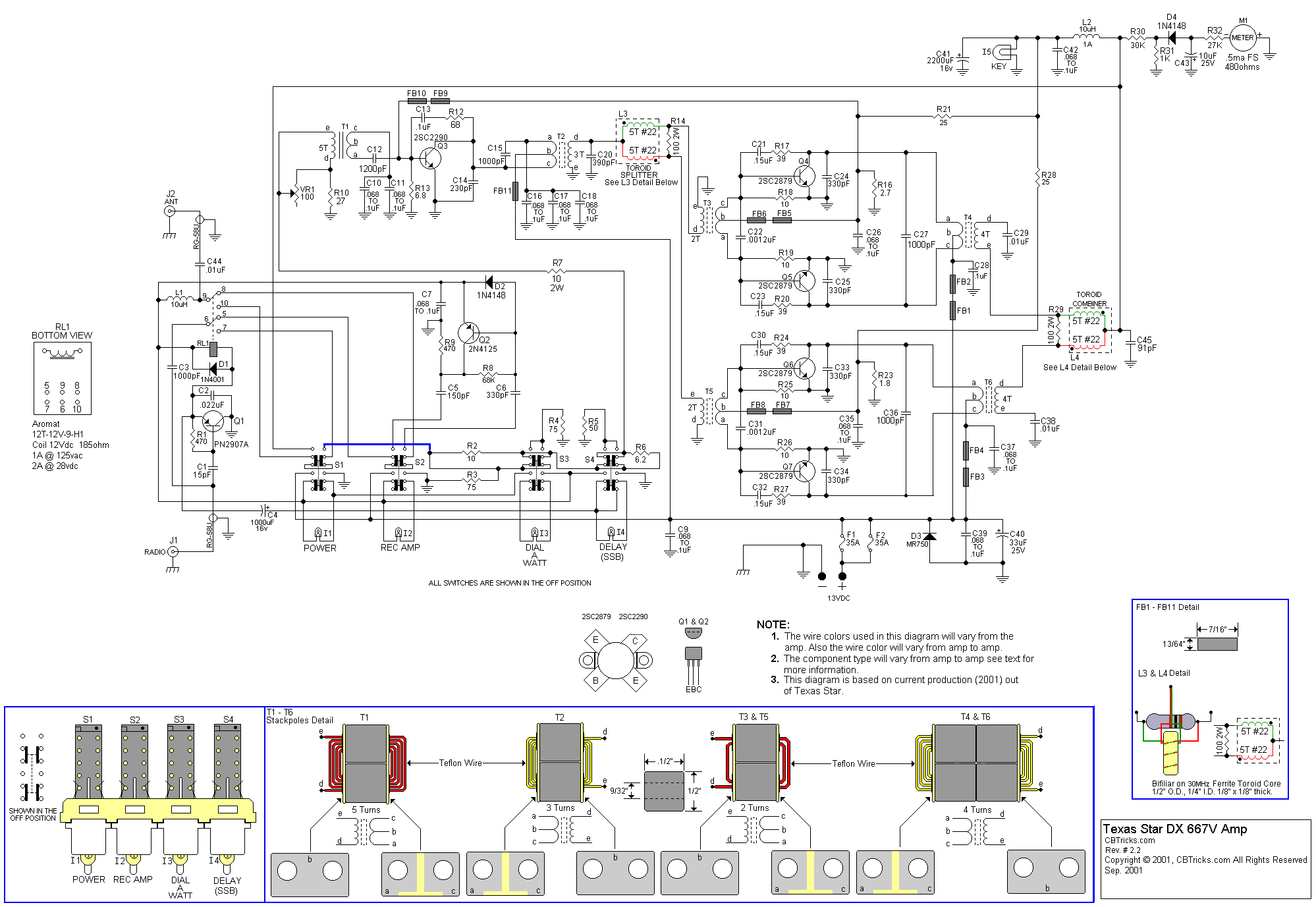
     DX 667V CWTX Schematic Diagram  (11x17)
     OSC PCB Schematic and PCB Layout  (8.5x11)


     DX 667 CWTX Inter-Connection Diagram
     DX 667 CWTX PCB Layouts
     DX 667V CWTX Inter-Connection Diagram
     DX 667V CWTX PCB Layouts
     DX 667 CWTX Schematic Diagram
     DX 667V CWTX Schematic Diagram
     OSC PCB Schematic and PCB Layout


Quick Links

Copyright © 2001, 2002, 2003, 2004, 2005, 2006 CBTricks.com
All rights reserved. No part of this publication may be reproduced, stored in a retrieval system or transmitted in any form or by any means, electronic, mechanical, photocopying, or otherwise, without the prior written permission of the copyright holder (CBTricks.com).
All logos and Brand Names are the property of their respective owners.
http://www.cbtricks.com/

Disclaimer: Although the greatest care has been taken while compiling these documents,

we cannot guarantee that the instructions will work on every amp presented.