Outcom PW-2000 Wattmetter
Documentation Project

CBTricks.com

 

PW-2000


Click Picture to See Close-up


Please Note:
You need to have Acrobat Reader version 5 or newer installed to view the files with icon.

If the files with or icon will not display see the Site FAQ for help on printing and using this information.

See section notes for more infomation.

Pictures of the PW-2000

DIAGRAMS

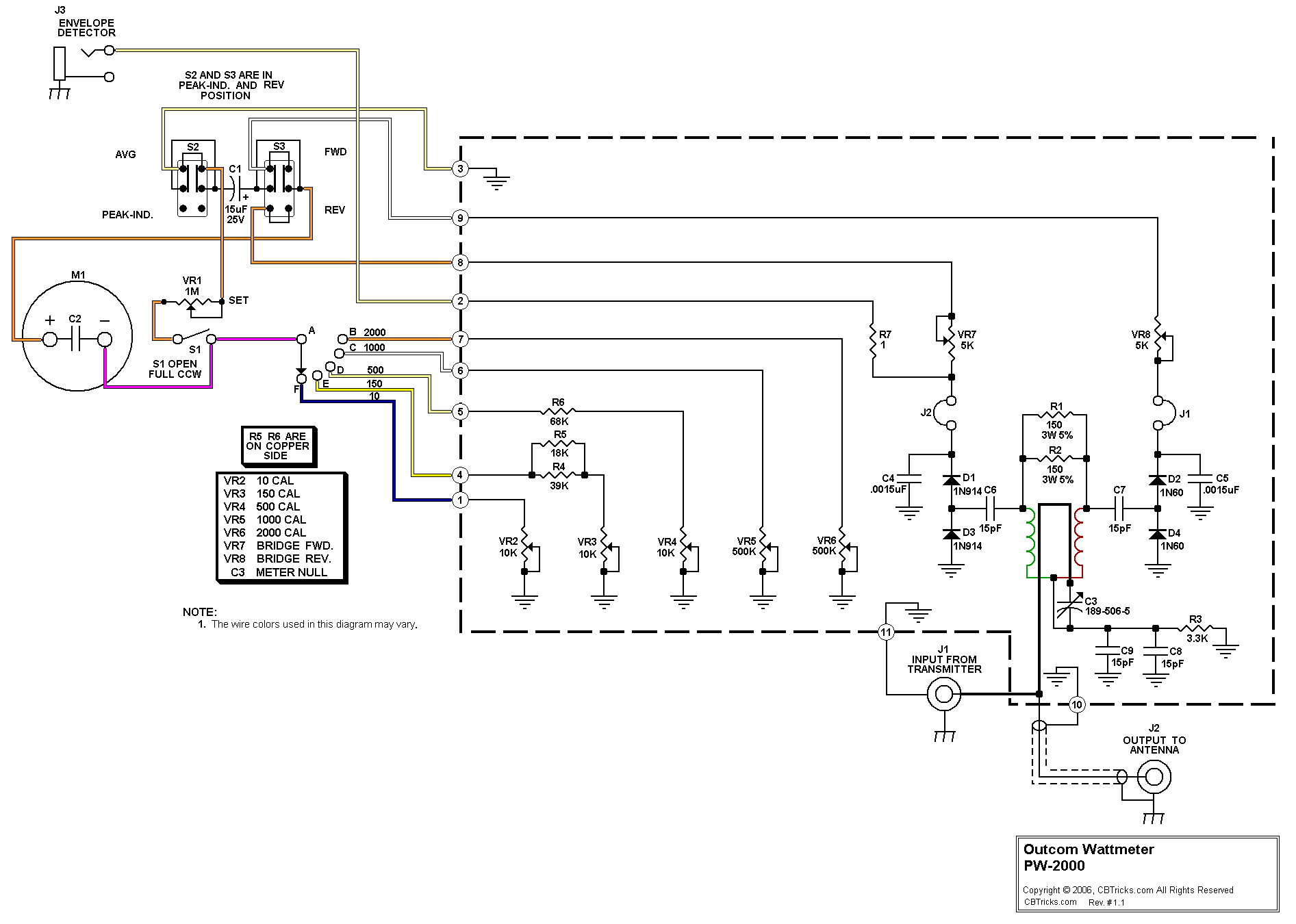
     PW-2000 Schematic Diagram
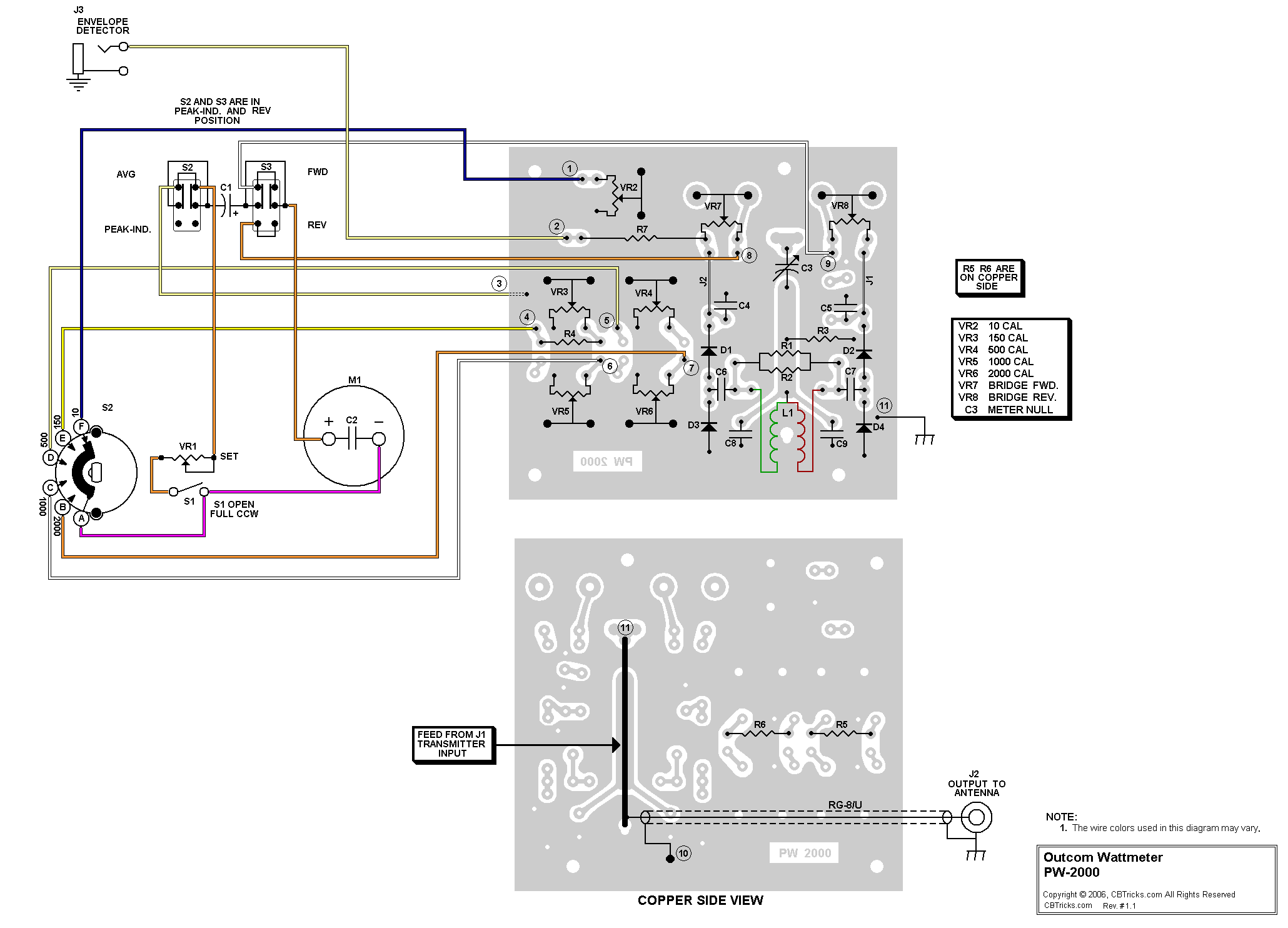
     PW-2000 Interconnection Diagram

     PW-2000 Schematic Diagram
     PW-2000 Interconnection Diagram
PCB Layouts and Parts


     PW-2000 Cabinet View

     Component Datasheet Section


     PW-2000 Cabinet View

Quick Links

Copyright © 2001, 2002, 2003, 2004, 2005, 2006 CBTricks.com
All rights reserved. No part of this publication may be reproduced, stored in a retrieval system or transmitted in any form or by any means, electronic, mechanical, photocopying, or otherwise, without the prior written permission of the copyright holder (CBTricks.com).
All logos and Brand Names are the property of their respective owners.
http://www.cbtricks.com/

Disclaimer: Although the greatest care has been taken while compiling these documents,

we cannot guarantee that the instructions will work on every amp presented.