Wawasee Electronics JB-150
Documentation Project
CBTricks.com

TIPS:
You need to have Acrobat Reader version 5 or newer installed to view the files with icon.

If the files with or icon will not display see the Site FAQ for help on printing and using this information.




Diagrams
     JB-150A Schematic Diagram
     JB-150A Schematic Diagram

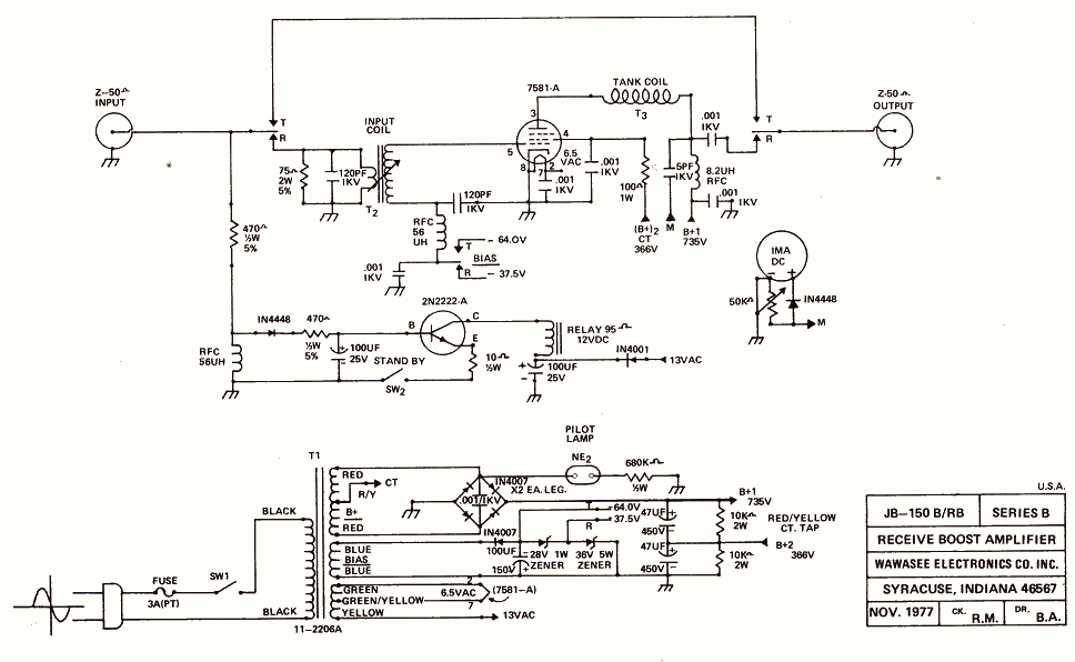
     JB-150B Schematic Diagram
     JB-150B Schematic Diagram



 



Copyright © 1998, 1999, 2000, 2001, 2002, 2003, 2004, 2005 CBTricks.com

Disclaimer: Although the greatest care has been taken while compiling these documents,

we cannot guarantee that the instructions will work on every radio presented.