Wawasee Electronics JB-200
Documentation Project
CBTricks.com

TIPS:
You need to have Acrobat Reader version 5 or newer installed to view the files with icon.

If the files with or icon will not display see the Site FAQ for help on printing and using this information.




Diagrams
     JB-200 Schematic Diagram
     JB-200 Schematic Diagram

     JB-200 ME Schematic Diagram
     JB-200 ME Schematic Diagram

     JB-200 Power Supply Schematic
     JB-200 Power Supply Schematic

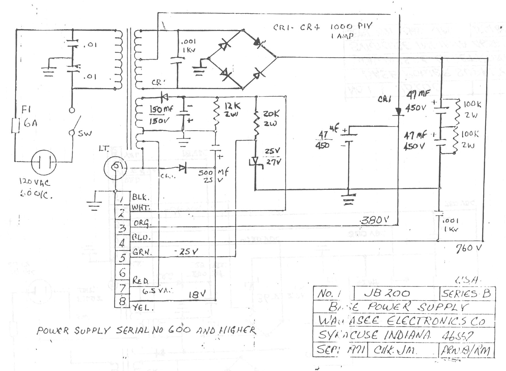
     JB-200 Power Supply Schematic (Ser. # 600 and Higher)
     JB-200 Power Supply Schematic
(Ser. # 600 and Higher)

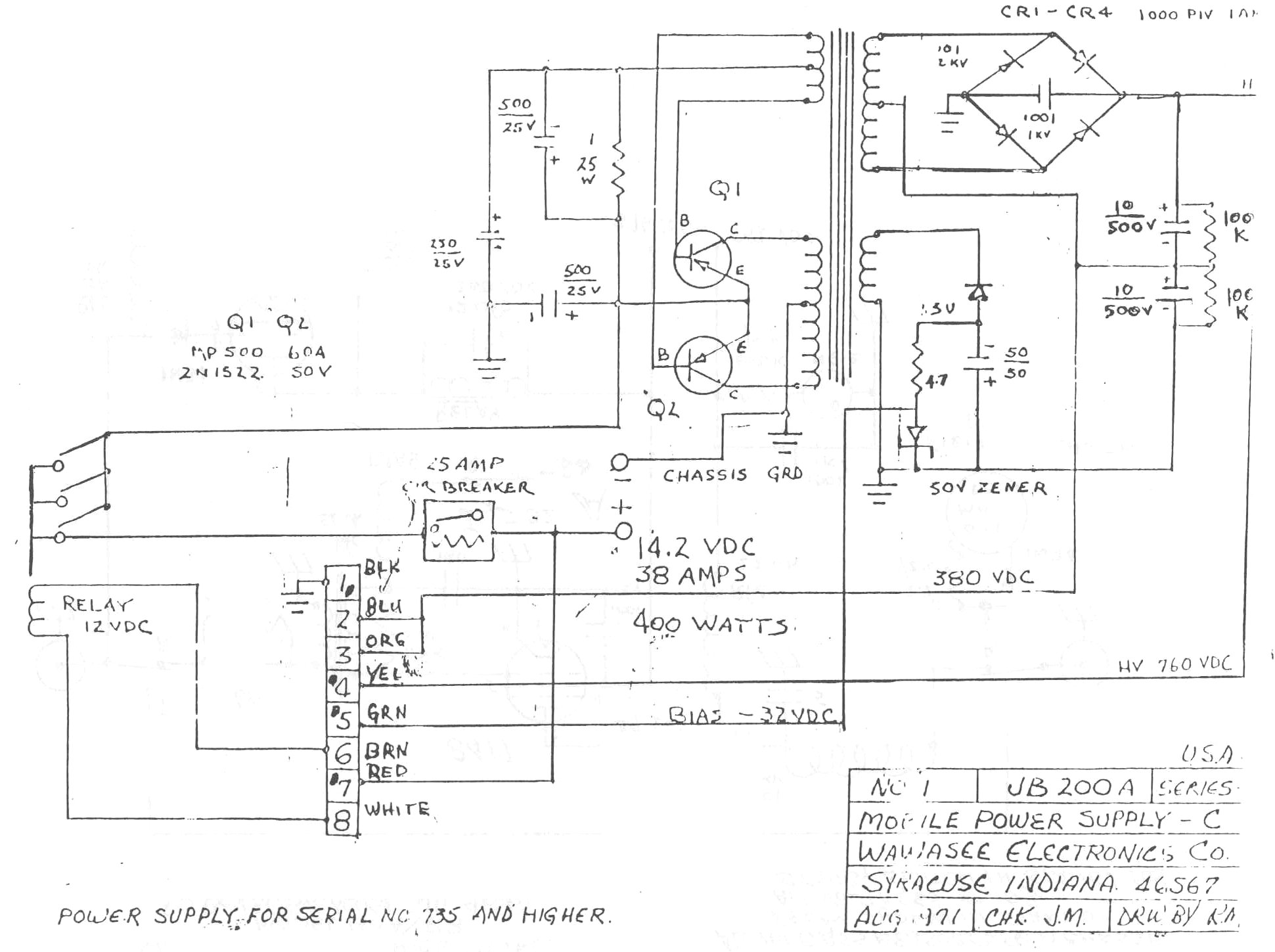
     JB-200A Power Supply Schematic (Ser. # 725 and Higher)
     JB-200A Power Supply Schematic
(Ser. #725 and Higher)



 



Copyright © 1998, 1999, 2000, 2001, 2002, 2003, 2004, 2005 CBTricks.com

Disclaimer: Although the greatest care has been taken while compiling these documents,

we cannot guarantee that the instructions will work on every radio presented.