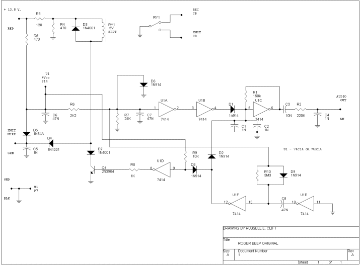
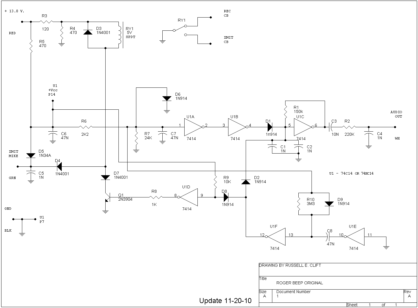
Roger Beep Schematic
by Russell E. Clift,  AB7IF

 

(Click on the picture to enlarge the image)