Members
Publications
Documentation Project
CBTricks.com
|
Russell
Clift AB7IF
|
|
| Discussion
on coax theory, Roger Beep Schematic, Roger Fart Mod http://www.cbtricks.com/ab7if/ |
|
|
Blackbeard
|
|
| Dosy TC-4002-PSW Owner's Manual | |
| Wawasee Electronics JB-1002 FCM Owner's Manual | |
|
Toban's
Web Site
|
|
| http://www.cbtricks.com/members/toban/ Schematics, Questions and Answers |
|
|
Bill
Eitner
|
|
| AM Tutorial | |
| Rick Jackson (Euro Radio Co) | |
| Diagram
of the Cybernet PTBM121D4X Board which used in allot of CB radios of the
mid 1970's to about 1982. This board is found in a number of multimodes,
including the Lafayette 1800, Tristar 747, Hy-Gain V, Concorde II, and
the Colt Excalibur Mk1 and many more. The Part two has some mod and a PCB layout. Cybernet PTBM121D4X Part1 Cybernet PTBM121D4X Part2 Diagram of the 10 Kc jump for the MB8719 PLL Rick's Web-site Euro Radio Co |
|
| Rec Pre-Amp | |
| ERC Voltage Dropper | |
| ERC Two Tone Test Generator | |
| ERC N-Channel Mosfet Tester | |
| ERC Crystal Tester | |
|
CB
Lincoln43
|
|
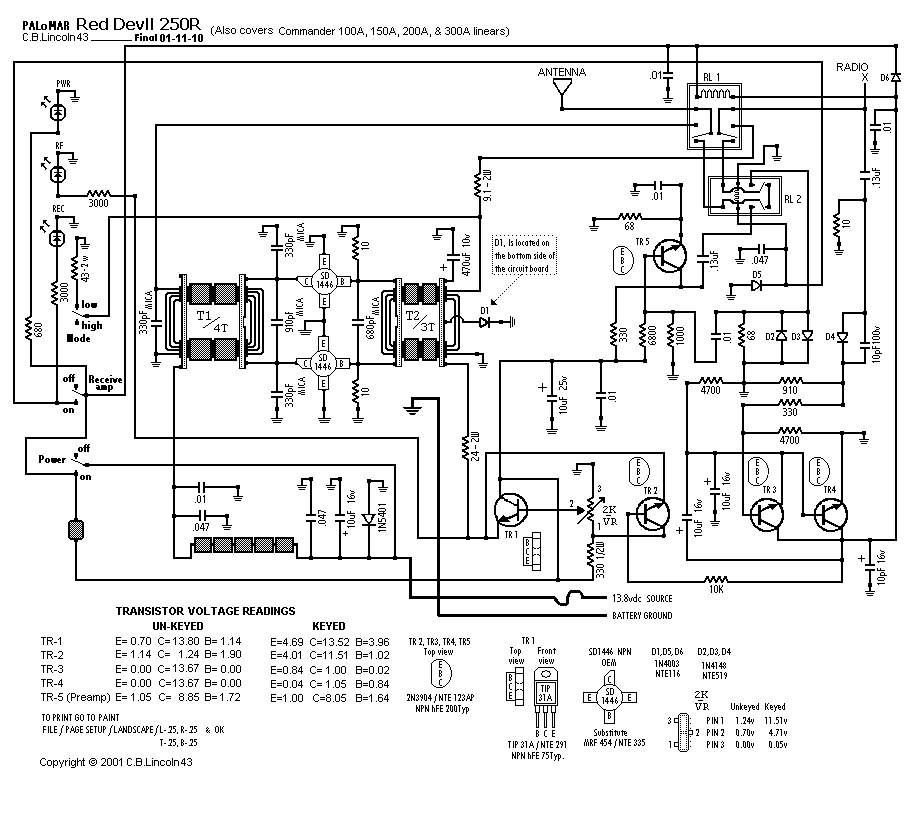
| Red Devll 250R Amp Schematic (Also covers Commander 100A, 150A, 200A, 300A) | |
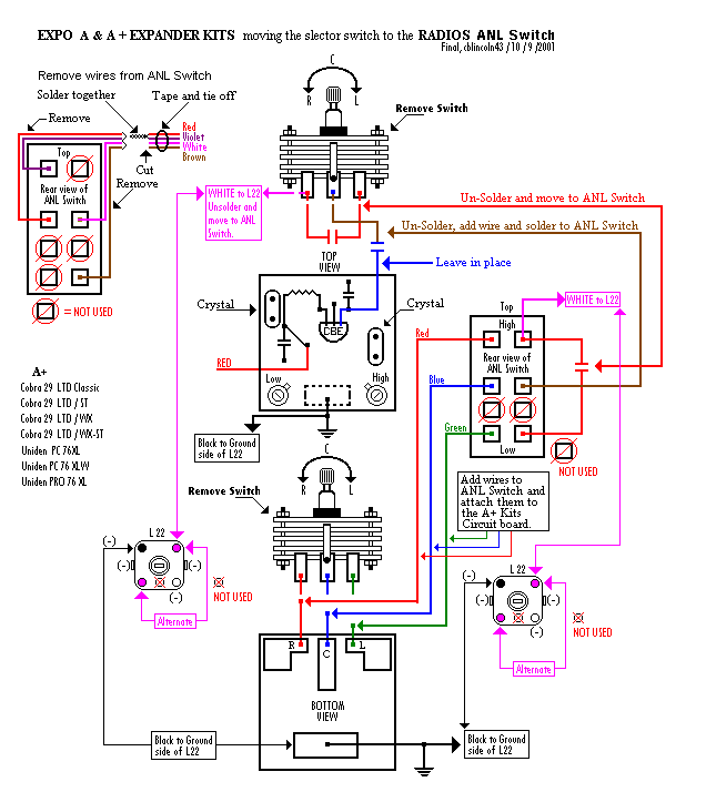
| Expo A kit install sheet using the ANL switch on the radio | |
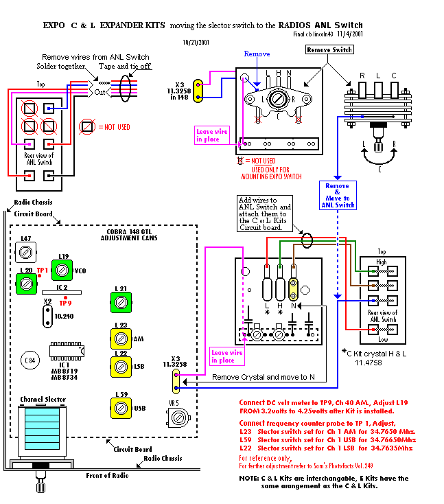
| Expo C and L kit install sheet using the ANL switch on the radio | |
| Expo 100 Frequency Chart For Expo 100 A+ / L and A Kit | |
| Cobra 148GTL Expo 100 L Kit Frequency Chart & 10Kc Jump Mod | |
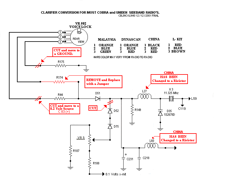
| Clarifier Conversion For Most Cobra and Uniden Sideband Radios | |
| Poorman's Channel Conversion For the MB8719 PLL | |
| Poorman's Channel Conversion For the MB8719 PLL one more way to do the mod. | |
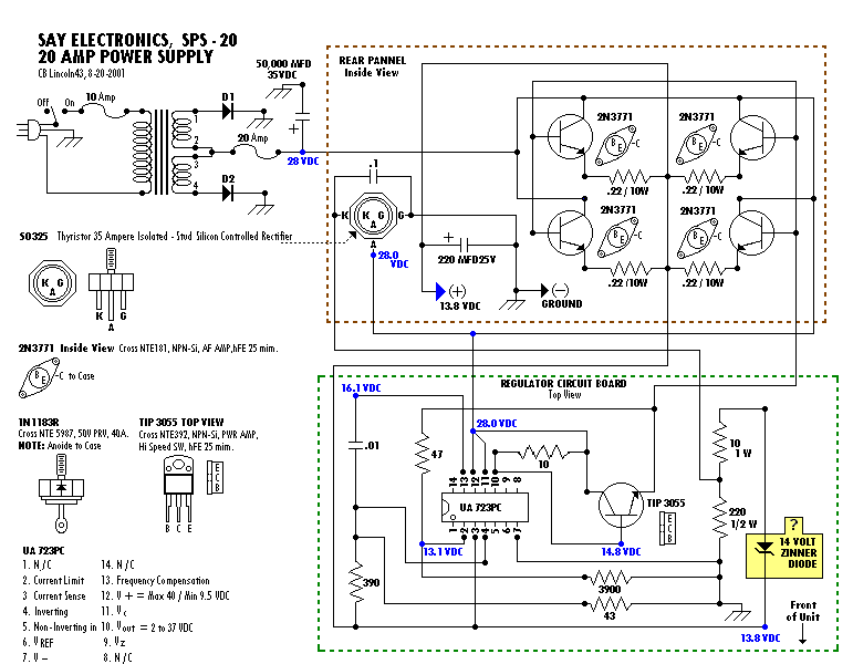
| SAY Electronics SPS-20 20amp Power supply Schematic | |
|
Biohazard613
|
|
| NPC-RC for Cherokee NR-100 | |
| NPC-RC for Cherokee NR-150 | |
|
Don
Craven
|
|
|
Excel Spreadsheet for the binary adder used in Galaxy DX Radios and other Ranger built Radios. (You must have Microsoft Excel to use this.) |
|
|
Handy
Andy
|
|
| UNIDEN
PC-122XL Power Enhancements Andy's old website. Andy started a new life and moved on. He had many Fans and one of them had his website saved. I have tried many times to find him with no luck. |
The purpose of section
is for the free exchange of electronic information
- This section collects and publishes works and experiences in general electronics,
schematics, repair tips, reviews, and modification on radio and amp gear.
- This section is non-profit. Published works are contributed to this web
site freely for the benefit of all.
- The web master reserves the right to accept or decline any works for publication
- The format of presented works may be changed to fit site graphics.
- Description of experiments and experiences should be easy to understand
- This section is solely operated by the web master and menbers that would
like to help.
All commercial rights remain the property of the original author.
Disclaimer: Although the greatest care has been taken while compiling these documents,
we cannot guarantee that the instructions will work on every radio presented.