Tech / Spec / General Info


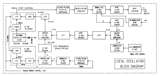
Block Diagram (42kb)
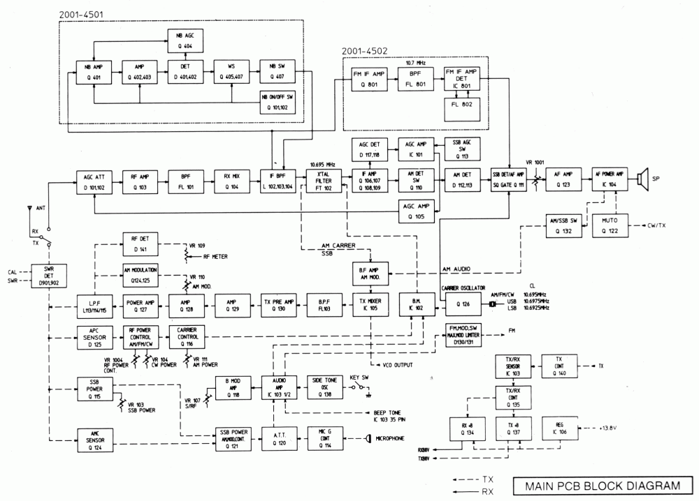
PCB Block Diagram (97kb)
Electrical Diagram #1 (717kb)
Electrical Diagram #2 (754kb)
Alignment Procedure and mods
( Off site link )
Printed Circuit Boards
And these radio's ( Off site link )
ALAN,ALINCO,ARGUS,BARRACUDA,BIATONE,
BDR,BROVNING,CHEROKEE,COBRA,COLT,
CONNEX,DANITA,DIRLAND,DNT,DRAGON,
EAGLE,EMPEROR,EURO CB,FALCON,FIDELITY,
GALAXY,HAM INTERNATIONAL,
HARRIER,HARVARD,HY-GAIN,
ICOM,INTEK,KENWOOD,KRACO,LAFAYETTE,
MAYCOM,MIDLAND,MIRAGE,MICRO,MONGOOSE,
MOTOROLA,NATO,PACIFIC,POLAMAR,PRESIDENT,
TEXAS RANGER,REALISTIC,ROBYN,ROTEL,SAPPIRE,
SHINWA,SBE,STABO,SOMMERKAMP,STARFIRE,
SUPERSTAR,TEABERRY,TEAM,TRAM,TRISTAR,
UNIDEN,Zetagi,Yaesu,ZODIAC