Section 2
INSTALLATION #13

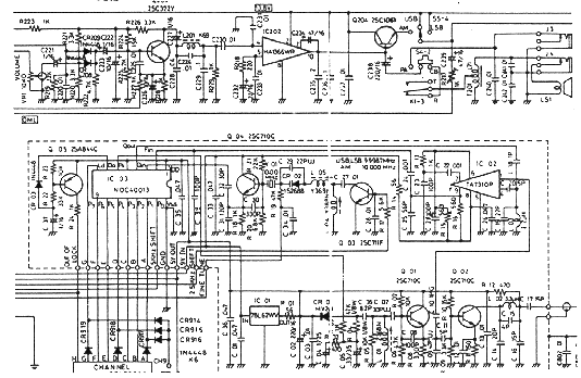
This section applies to the PC200 chassis by NDI. Note: USB will be 5 KHz below the frequency display.
1. Connect the center of Coax #1 to Pin 2 of the NDC 40013 PLL Chip.
2. Remove R03 (1 K). (See Fig. 19)
3. Connect the center of Coax #2 to the junction of R02 and R04.
4. Change 10.000 MHz crystal Y1 to 10.240 MHz. Crystals are available from Digalog
Technology, Inc. (D. T. I.)
5. Remove CR-03.
6. Connect the coax shields to ground.
7. Connect the black wire to a good ground point near the power supply or modulator section.

Fig. 16 - NDI PC-200 Synthesizer Schematic (NDC40013 PILL)

8. Connect the red wire to a switched 12V source in the radio.
9. To comply w!th FCC regulations remove Q705.

Fig. 17 - Part Location, NDC 40013 PILL Synthesizer

This completes the installation procedure. Before operation, the DS-400 must be programmed and the radio must be realigned. Go to the programming section and proceed.