|
Section 2
INSTALLATION #14
This section applies to DS-400 installation on SBE chassis. Note:
USB will be 5 KHz below the frequency display.
1. Remove D901 from the radio. (See Fig. 21)
2. Replace crystal X1 (10.000 MHz) with a 26.965 MHz crystal.
3. Desolder Pin 13 of IC 901.
4. Leave an open connection between the pin and the foil trace.
5. Connect the center of coax 2 to the foil trace that was connected to
pin 13 of IC901. (See Fig. 20)..
6. Connect the center of Coax #1 to Pin 6 of IC 902.
7. Remove D904.
8. Connect the shields to ground.
9. Connect the red wire to a 12V source in the radio.
10. Connect the black wire to a good ground point near the power supply
or modulator section of the radio.
11. To comply with FCC regulations remove Q501.

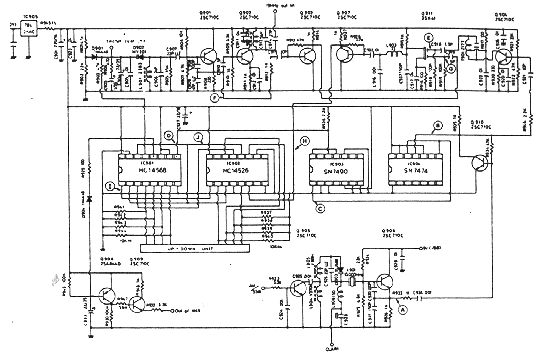
Fig.
18 - SBE Synthesizer Schematic

Fig.
19 - Parts Location, SBE Chassis

Fig.
20 - DS-400 Installation to SBE
This completes the
installation procedure. Before operation, the 400 must be programmed and
the radio must be realigned. Go to the programming section and proceed.
|