Section 2
INSTALLATION #2

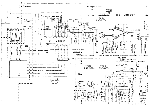
Uniden 8734 I 8719 Chassis (11.3258 crystal)
Installation #2 is identical to Installation #1 except for the following:

1. Step #4: Locate 8207 and cut one lead.
2. Reference installation to Figs. 4 & 5 rather than Figs. 2 & 3.
3. Step 11: Remove C891C70 to prevent down mixer oscillation.

Fig. 4 - Schematic Diagram
(MB8719-MB8734 PLLI11.3258 crystal)

Fig. 5 - Test Point Location
(M88719-MB8734 PLL 11.3258 crystal)

This completes the installation procedure. Before operation. the DS-400 must be programmed and the radio must be realigned. Go to the programming section and proceed.