|
Section 2
INSTALLATION #7
This section describes the installation to 858 SSB radios with the
PLL circuitry contained on a separate board.
1. Remove the transceiver
and 400 cases.
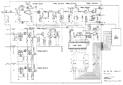
2. Locate and identify Pin 11 of the PLL Chip-normally close to the channel
selector in
the transceiver (see Fig. 10). Solder the center of Coax #1 to Pin 11
of the D858 PLL Chip. Use caution and avoid excessive heat as it will
damage the PLL Chip.
3. Locate and identify 8154 15K ohm resistor that connects Pin 2 of D858
and Pin 3 (see Fig. 10).
4. Remove the one side of 8154 that is connected to Pin 2 of the D858
PLL Chip and install the center of Coax #2 to this lead of 8154 as per
Fig. 10.
5. Connect the ground shields of both coaxes to ground. (Example: see
Fig. 10).
CAUTION: Avoid excessive lead length.
6. Locate and identify C508, a 33 mfd capacitor, and install a 20-22 gauge
jumper wire across it's leads to remove it from the circuit.
7. Connect the black wire to radio circuit ground near the power supply
or modulator section.
8. Connect the red wire to a 12V source in the radio.
9. Remove TR-22 to comply with FCC regulations. Refer to Programming Section
and
proceed.

Fig.
10 - Parts Location (D858 PLL)

Fig.
11 - Schematic Diagram (D858 PLL)
This completes the
installation procedure. Before operation, the DS-400 must be programmed
and the radio must be realigned. Go to the programming section and proceed.
|