Browning Lab's Golden Eagle Mark III / SSB
Documentation Project
CBTricks.com

TIPS:
You need to have Acrobat Reader version 5 or newer installed to view the files with icon.

If the files with or icon will not display see the Site FAQ for help on printing, viewing and using this information.



Vintage Advertising

Owners Manual
Owner's Manual Addendum

Service Manual

Channel Expansion

DIAGRAMS
      Transmiter Schematic
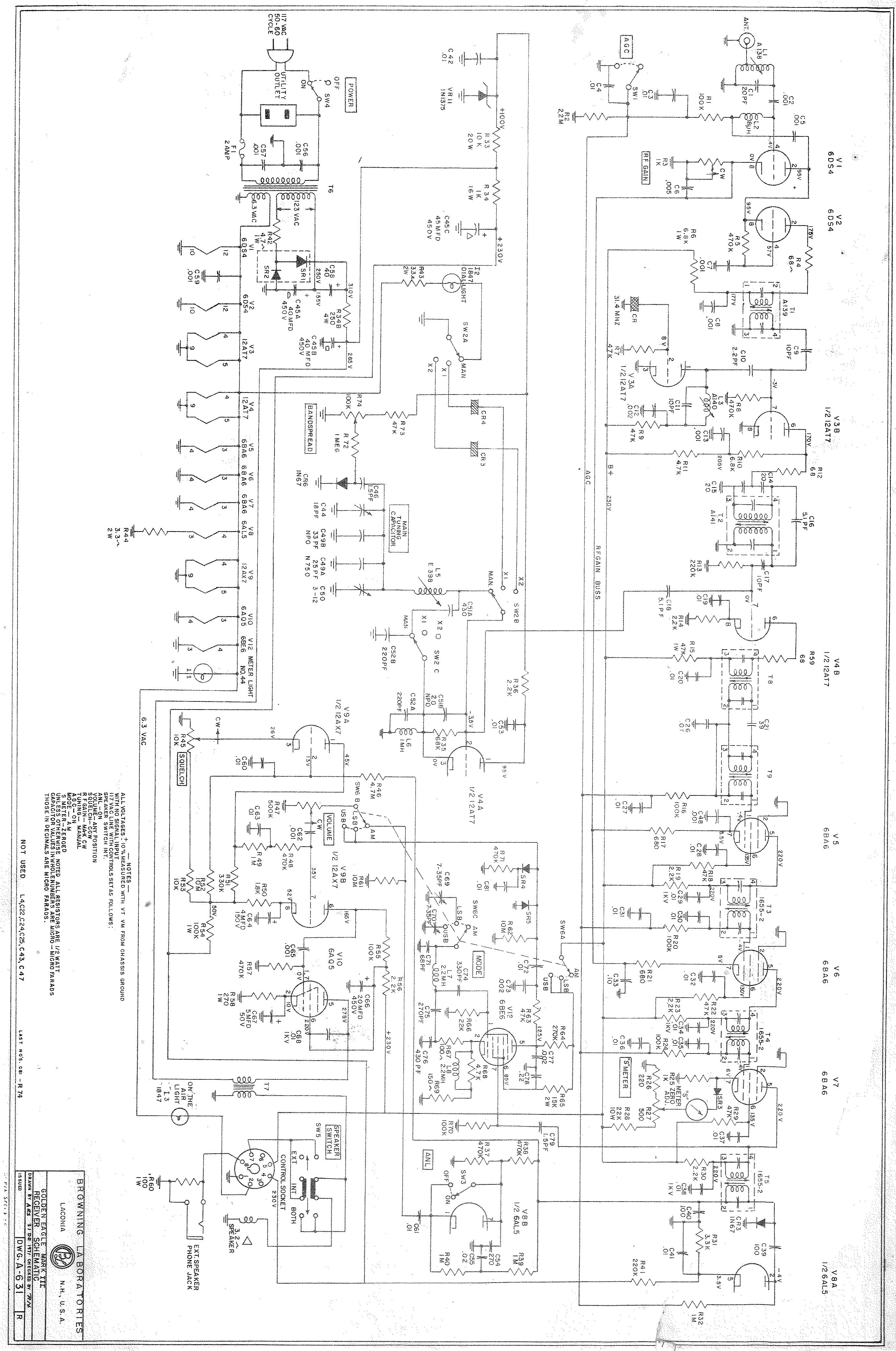
      Receiver Schematic

Receiver Schematic
SSB Transmiter Schematic
Transmiter Schematic

Thanks go's to WCR and Joe P. for sending these.



 




Copyright © 1998-2009 CBTricks.com

Disclaimer: CBTricks.com does not warrant the accuracy of the information contained herein nor is it responsible
for any errors or omissions and assumes no liability for the content on this site.
While the CBTricks.com uses reasonable efforts to include accurate and up to date information, CBTricks.com makes no warranties or representations as to its accuracy
or timeliness and assumes no liability or responsibility for any errors or omissions in the Content of this site.

http://www.cbtricks.com