Cherokee CM10 / +
Documentation Project
CBTricks.com

TIPS:
You need to have Acrobat Reader version 5 or newer installed to view the files with icon.

If the files with or icon will not display see the Site FAQ for help on printing, viewing and using this information.


SPECIFICATIONS



RADIO MODIFICATIONS
     
CM-10 Frequency Conversion

ALIGNMENT PROCEDURES   
     PLL & Transmitter Alignment
     Receiver Alignment
     Circuit Theory of Operation
     Troubleshooting Hints

DIAGRAM
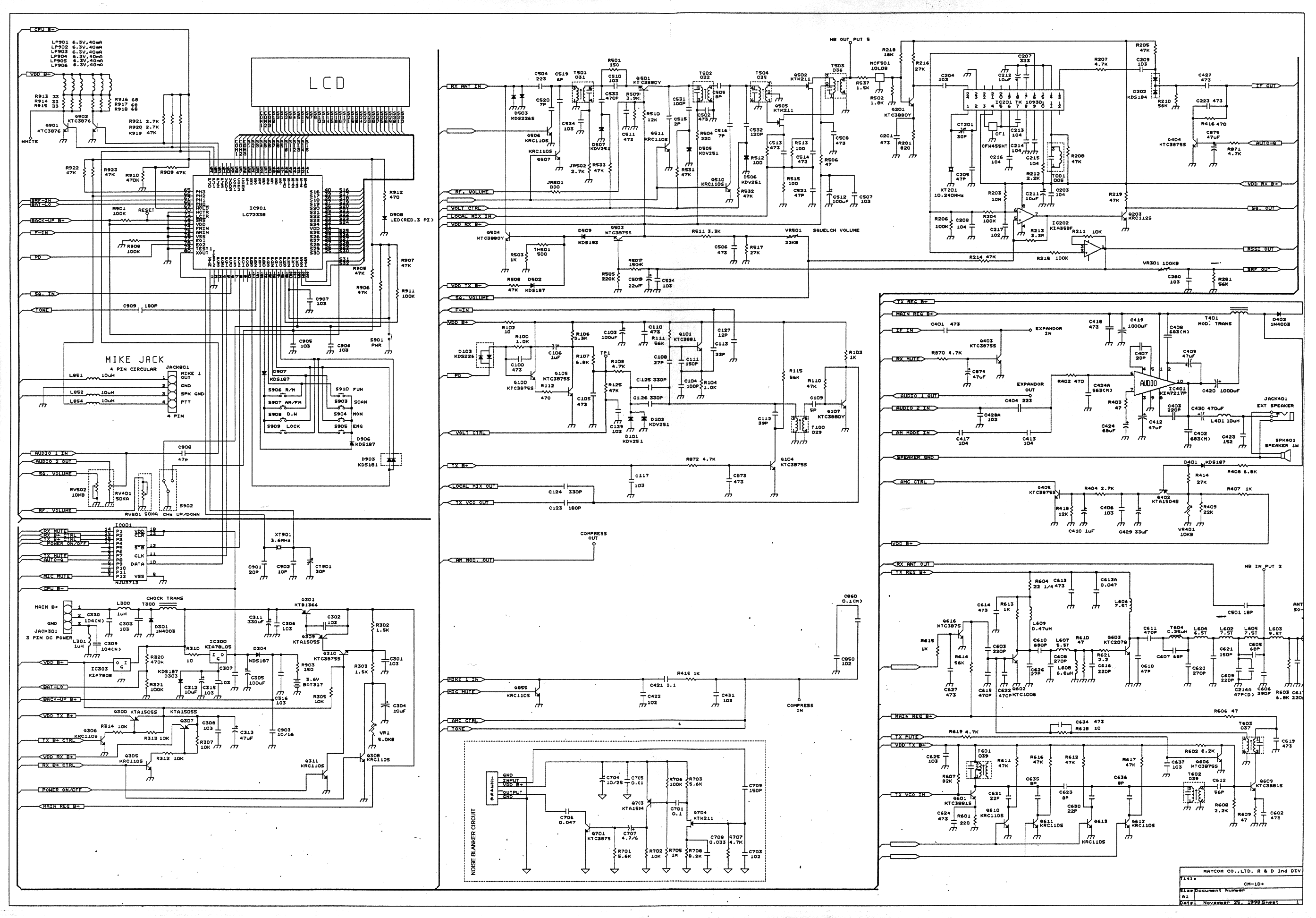
    CM-10+ Schematic Diagram
    CM10+ Main PCB Layout


 



Copyright © 1998, 1999, 2000, 2001, 2002, 2003, 2004 CBTricks.com

Disclaimer: Although the greatest care has been taken while compiling these documents,

we cannot guarantee that the instructions will work on every radio presented.