CIR Industries Astro 200A
Documentation Project
CBTricks.com

TIPS:
You need to have Acrobat Reader version 5 or newer installed to view the files with icon.

If the files with or icon will not display see the Site FAQ for help on printing, viewing and using this information.



Owner's Manual
      Page 1 to 15
      Page 16 to 30
      Page 31 to 45
      Page 46 to 51
      Page 52 to 67

Diagrams
       Receiver Block Diagram
       Receiver Block Diagram
       Synthesizer #1 PCB Layout

       Synthesizer #1 PCB Layout

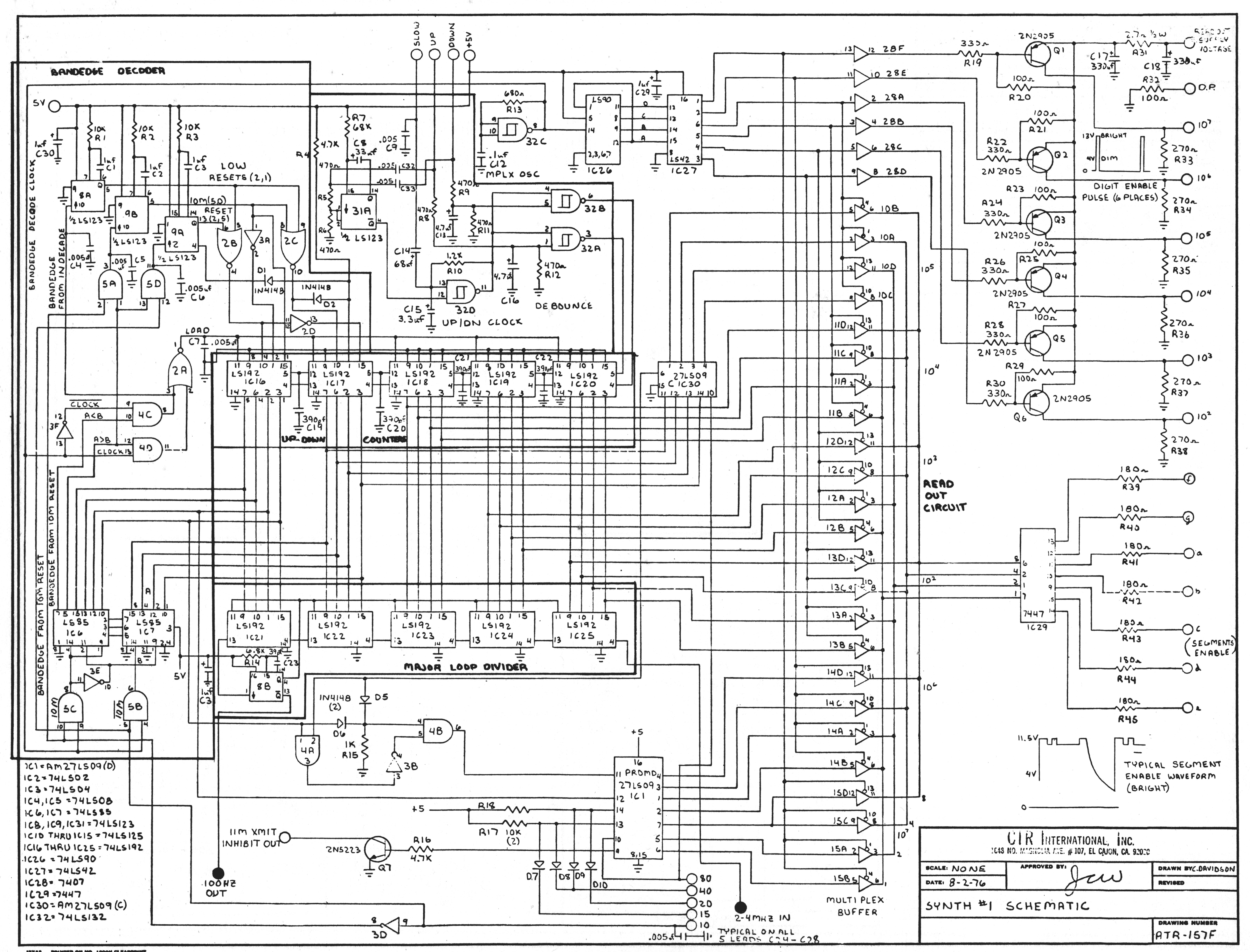
       Synthesizer #1 Schematic Diagram

       Synthesizer #1 Schematic Diagram

       Synthesizer #2 PCB Layout
       Synthesizer #2 PCB Layout
       Synthesizer #2 Schematic Diagram Page 1
       Synthesizer #2 Schematic Diagram Page 1
       Synthesizer #2 Schematic Diagram Page 2
       Synthesizer #2 Schematic Diagram Page 2



 



Copyright © 1998, 1999, 2000, 2001, 2002, 2003, 2004 CBTricks.com

Disclaimer: Although the greatest care has been taken while compiling these documents,

we cannot guarantee that the instructions will work on every radio presented.