Cobra 148GTL DX (Early PC879 MB8719) and (Late PB010 MC145106)
Documentation Project

CBTricks.com

TIPS:
You need to have Acrobat Reader version 5 or newer installed to view the files with icon.

If the files with or icon will not display see the Site FAQ for help on printing, viewing and using this information.

 



Owner's Manual

Service Manual
      Page 1 to 31 (148GTL DX Early Version)
      Page 32 to 63 (148GTL DX Late Version)

Diagrams
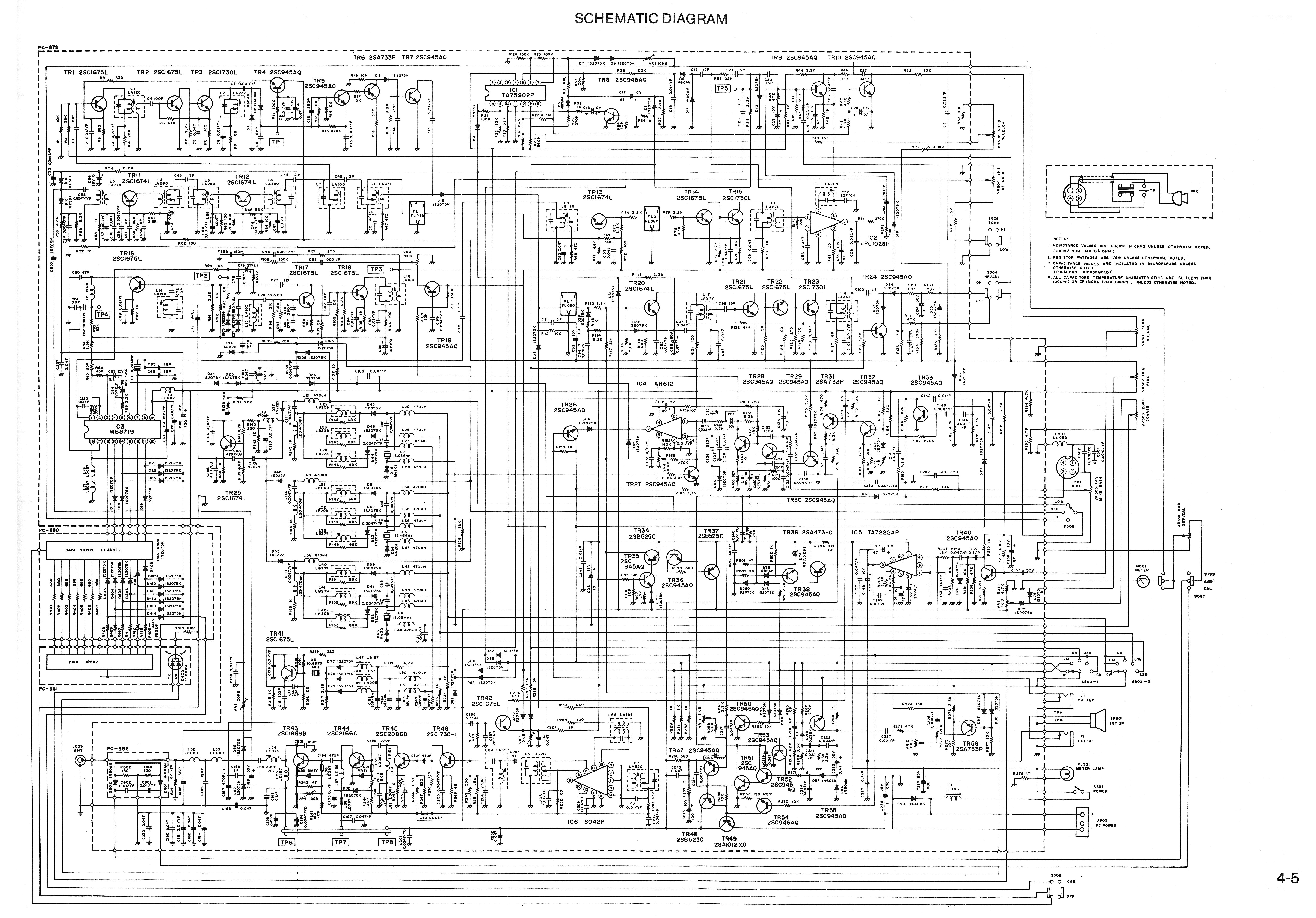
Early Version (PC879) MB8719
     Schematic Diagram (Page 4 / 5)
     Schematic Diagram (Page 4 / 5)
     Chassis Wiring Diagram (Page 6 / 7)
     Main PCB Layout Top (Page 14 / 15)
     Main PCB Copper Layout (Page 16 / 17)

Late Version (PB010) MC145106
     Schematic Diagram (Page 33 / 34)
     Schematic Diagram (Page 33 / 34)
     Chassis Wiring Diagram (Page 35 / 36)
     Main PCB Layout Top (Page 44 / 45)
     Main PCB Copper Layout (Page 42 / 43)

Mic Wiring

Stock
1- Audio
2- Shield
3- Receive
4- Sw Com
5- Transmit

Astatic (4 wire)
1- White
2- N/C
3- Black
4- Shield
5- Red

Astatic (6 wire)
1- White
2- Shield
3- Black
4- Blue
5- Red
Yellow N/C

Daiwa EM-500
Cobra CA Series

1- Red
2- Shield
3- Blue
4- Black
5- White

Galaxy DC-521S (4 wire)
1- Yellow
2- N/C
3- Black
4- Shield
5- Red

Galaxy CB-660EI
1- White
2- Shield
3- Blue
4- Black
5- Red

Sadelta
1- White
2- N/C
3- Green
4- Shield
5- Brown

Turner
1- White
2- Shield
3- Black
4- Red
5- Blue
Yellow NC




Copyright © 1998-2009 CBTricks.com

Disclaimer: CBTricks.com does not warrant the accuracy of the information contained herein nor is it responsible
for any errors or omissions and assumes no liability for the content on this site.
While the CBTricks.com uses reasonable efforts to include accurate and up to date information, CBTricks.com makes no warranties or representations as to its accuracy
or timeliness and assumes no liability or responsibility for any errors or omissions in the Content of this site.

http://www.cbtricks.com