Cobra 2000GTL
Documentation Project

CBTricks.com

TIPS:
You need to have Acrobat Reader version 5 or newer installed to view the files with icon.

If the files with or icon will not display see the Site FAQ for help on printing, viewing and using this information.

Specifications Sheet Front
Specifications Sheet Back



      Owner's Manual

Factory Service Manual (Courtesy of Mrbigshot)


DIAGRAMS (From Owners Manual)
    Frequency Counter
    Frequency Counter (8.5x11)
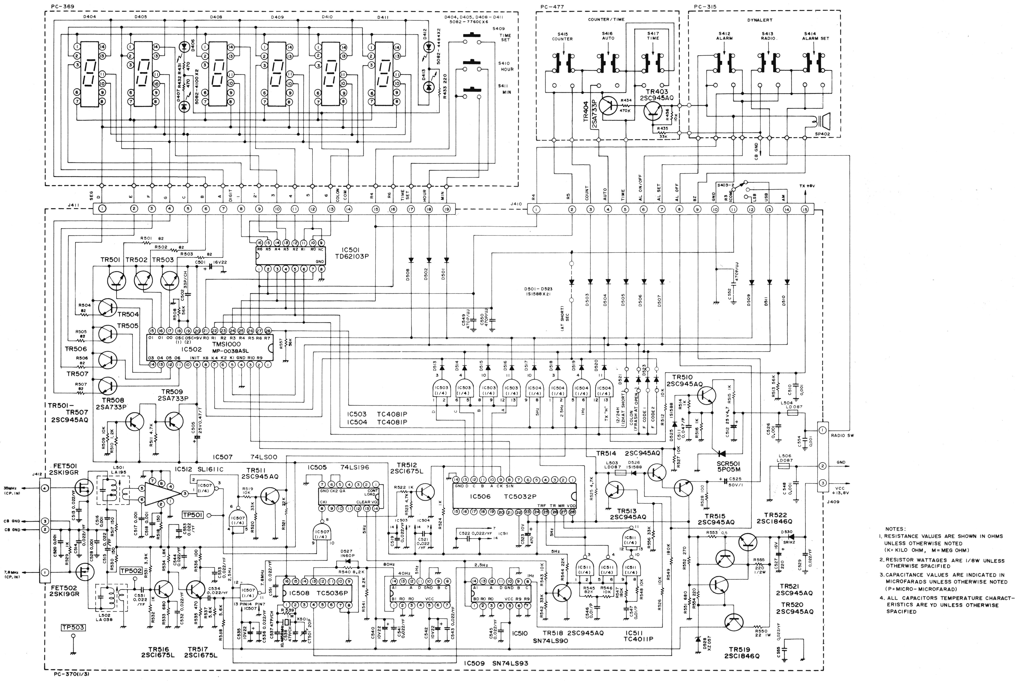
    Main Schematic
    Main Schematic (11x17)
    Main Schematic (8.5x11)
    Parts List

 

Mic Wiring

Stock
1- Audio
2- Shield
3- Receive
4- Sw Com
5- Transmit

Astatic (4 wire)
1- White
2- N/C
3- Black
4- Shield
5- Red

Astatic (6 wire)
1- White
2- Shield
3- Black
4- Blue
5- Red
Yellow N/C

Daiwa EM-500
Cobra CA Series

1- Red
2- Shield
3- Blue
4- Black
5- White

Galaxy DC-521S (4 wire)
1- Yellow
2- N/C
3- Black
4- Shield
5- Red

Galaxy CB-660EI
1- White
2- Shield
3- Blue
4- Black
5- Red

Sadelta
1- White
2- N/C
3- Green
4- Shield
5- Brown

Turner
1- White
2- Shield
3- Black
4- Red
5- Blue
Yellow NC




Copyright © 1998-2009 CBTricks.com

Disclaimer: CBTricks.com does not warrant the accuracy of the information contained herein nor is it responsible
for any errors or omissions and assumes no liability for the content on this site.
While the CBTricks.com uses reasonable efforts to include accurate and up to date information, CBTricks.com makes no warranties or representations as to its accuracy
or timeliness and assumes no liability or responsibility for any errors or omissions in the Content of this site.

http://www.cbtricks.com