Craig 4353, 4354
Documentation Project
CBTricks.com

TIPS:
You need to have Acrobat Reader version 5 or newer installed to view the files with icon.

If the files with or icon will not display see the Site FAQ for help on printing, viewing and using this information.



Service Manual

    4353 and 4354 Service Bulletin# 012578

Diagrams
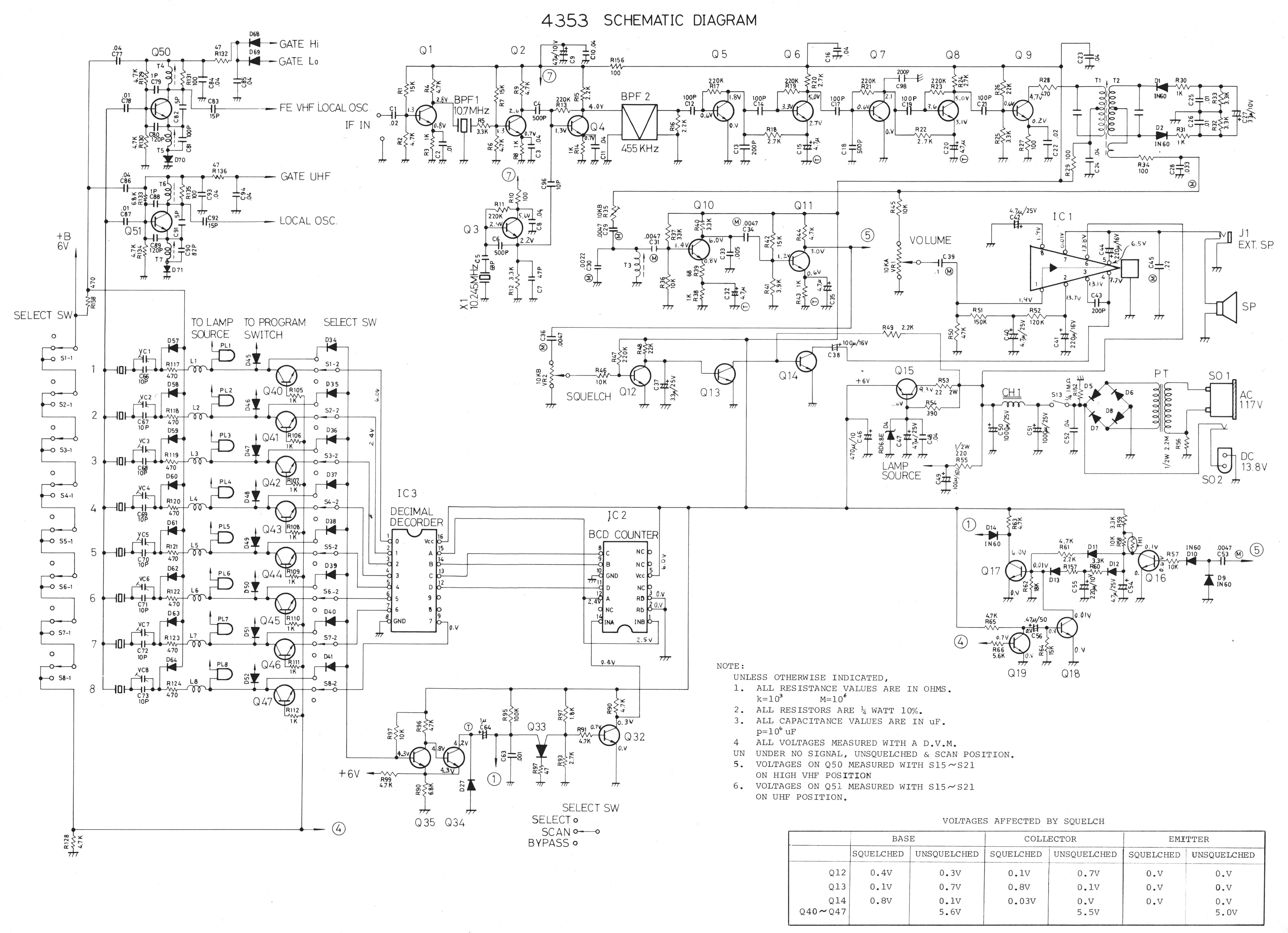
     4353 Schematic Diagram
     4353 Schematic Diagram
     4354 Schematic Diagram
     4354 Schematic Diagram
     4353 4354 Gate and RF Front End Schematic
     4353 4354 Gate and RF Front End Schematic
     4353 4354 Block Diagram

 



Copyright © 1998, 1999, 2000, 2001, 2002, 2003, 2004 CBTricks.com

Disclaimer: Although the greatest care has been taken while compiling these documents,

we cannot guarantee that the instructions will work on every radio presented.