E. F. Johnson Messenger 120A, 121A
Documentation Project

CBTricks.com

TIPS:
You need to have Acrobat Reader version 5 or newer installed to view the files with icon.

If the files with or icon will not display see the Site FAQ for help on printing, viewing and using this information.



Factory Service Manual
      Service Manual Addition



DIAGRAMS (From The Manual Addition)
      120A Schematic Diagram (11x17)
      120A Schematic Diagram
      121A Schematic Diagram (11x17)
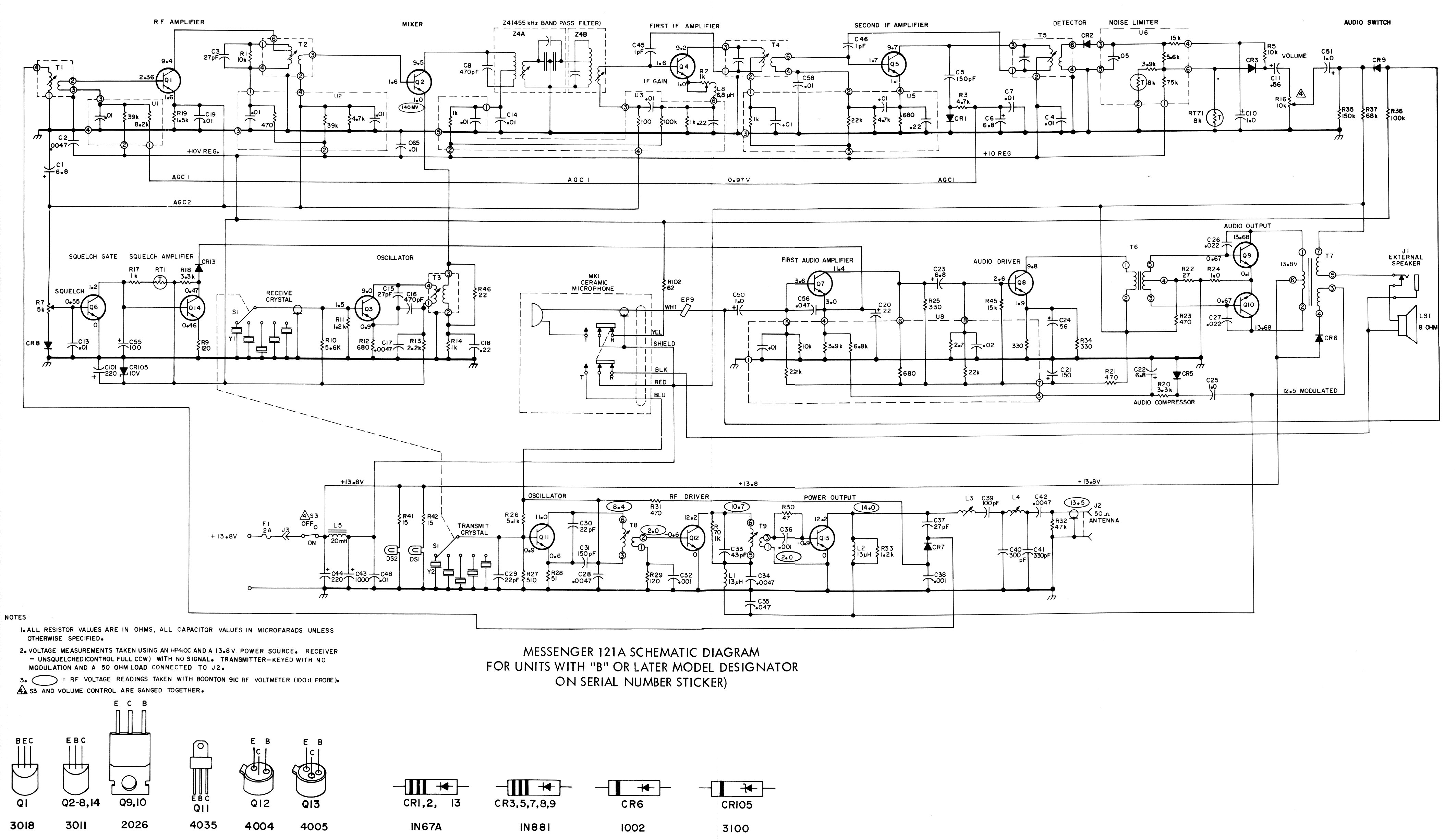
      121A Schematic Diagram

Also See
     Factory Service Bulletins

 

 




Copyright © 1998-2009 CBTricks.com

Disclaimer: CBTricks.com does not warrant the accuracy of the information contained herein nor is it responsible
for any errors or omissions and assumes no liability for the content on this site.
While the CBTricks.com uses reasonable efforts to include accurate and up to date information, CBTricks.com makes no warranties or representations as to its accuracy
or timeliness and assumes no liability or responsibility for any errors or omissions in the Content of this site.

http://www.cbtricks.com