E. F. Johnson Messenger 323A
Documentation Project
CBTricks.com

TIPS:
You need to have Acrobat Reader version 5 or newer installed to view the files with icon.

If the files with or icon will not display see the Site FAQ for help on printing, viewing and using this information.



Vintage Advertising

Factory Service Manual
1st Printing November 1975
Covers Messenger 323A "A" Models
      Page 1 to 10
      Page 11 to 20
      Page 21 to 26
      Cover Page Front
      Cover Page Rear


DIAGRAMS
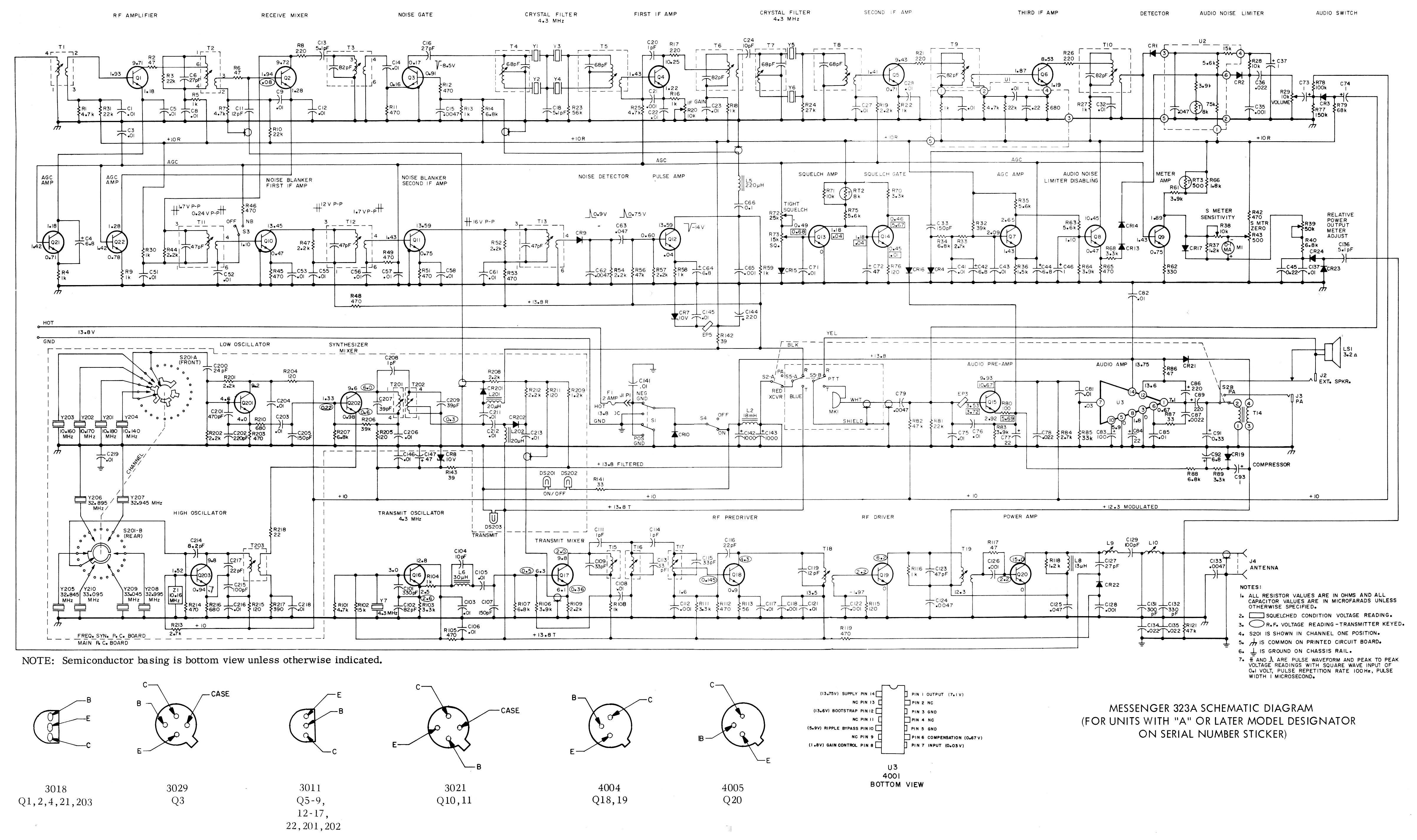
      Main Schematic Diagram (11x17)
      Main Schematic Diagram
      PCB Layout
      PCB Layout

Also See
     Factory Service Bulletins

 




Copyright © 1998-2009 CBTricks.com

Disclaimer: CBTricks.com does not warrant the accuracy of the information contained herein nor is it responsible
for any errors or omissions and assumes no liability for the content on this site.
While the CBTricks.com uses reasonable efforts to include accurate and up to date information, CBTricks.com makes no warranties or representations as to its accuracy
or timeliness and assumes no liability or responsibility for any errors or omissions in the Content of this site.

http://www.cbtricks.com