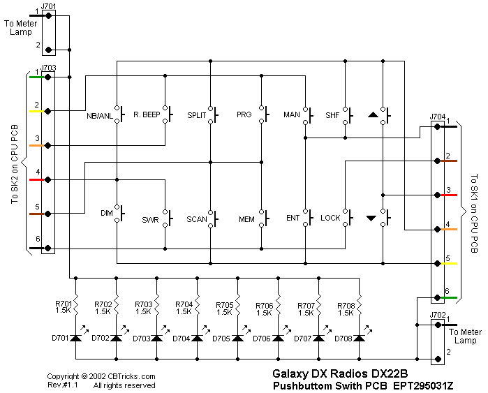
Galaxy
DX Radios DX22B
Documentation Project
CBTricks.com
Pushbutton Switch PCB
Layout (EPT210031Z) Schematic

Disclaimer: Although the greatest care has been taken while compiling these documents,
we cannot guarantee that the instructions will work on every radio presented.