Galaxy
DX Radios DX44V
Documentation Project
CBTricks.com
Echo
PCB (EPT0SSB50F) Board Layout
Trace
Layout
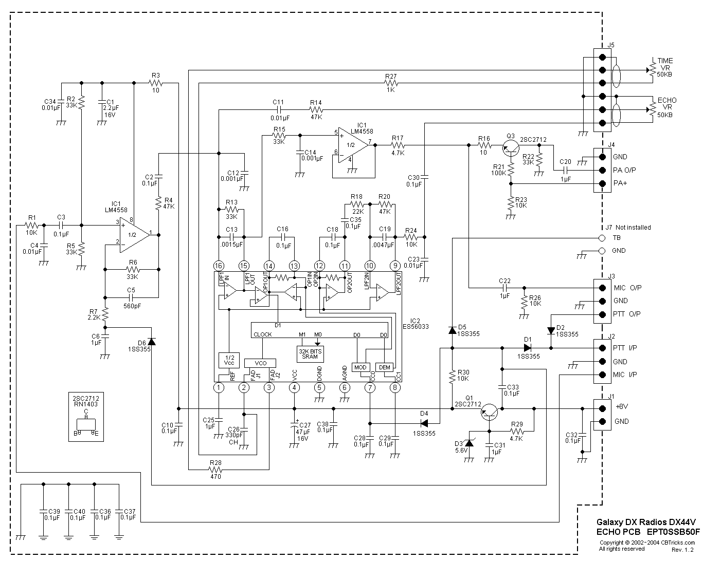
Schematic Diagram ![]()
Schematic
Diagram

Resistors
|
Ref#
|
Description |
MFR.
Part No.
|
|
R1 |
10K OHM 0.1W |
RCY011034Z |
|
R2 |
33K OHM 0.1W |
RCY013334Z |
|
R3 |
10 OHM 0.1W |
RCY011014Z |
|
R4 |
47K OHM 0.1W |
RCY014734Z |
|
R5 |
33K OHM 0.1W |
RCY013334Z |
|
R6 |
33K OHM 0.1W |
RCY013334Z |
|
R7 |
2.2K OHM 0.1W |
RCY012224Z |
|
R13 |
33K OHM 0.1W |
RCY013334Z |
|
R14 |
47K OHM 0.1W |
RCY014734Z |
|
R15 |
33K OHM 0.1W |
RCY013334Z |
|
R16 |
10 OHM 0.1W |
RCY011014Z |
|
R17 |
4.7K OHM 0.1W |
RCY014724Z |
|
R18 |
22K OHM 0.1W |
RCY012234Z |
|
R20 |
47K OHM 0.1W |
RCY014734Z |
|
R21 |
100K OHM 0.1W |
RCY011044Z |
|
R22 |
33K OHM 0.1W |
RCY013334Z |
|
R23 |
10K OHM 0.1W |
RCY011034Z |
|
R24 |
10K OHM 0.1W |
RCY011034Z |
|
R26 |
10K OHM 0.1W |
RCY011034Z |
|
R27 |
1K OHM 0.1W |
RCY011024Z |
|
R28 |
470 OHM 0.1W |
RCY014714Z |
|
R29 |
4.7K OHM 0.1W |
RCY014724Z |
|
R30 |
10K OHM 0.1W |
RCY011034Z |
Capacitors
|
Ref#
|
Description |
MFR.
Part No.
|
|
C1 |
2.2uF 16WV |
CK5225AA7R |
|
C2 |
0.1Uf 25WV |
CK2104AB7R |
|
C3 |
0.1Uf 25WV |
CK2104AB7R |
|
C4 |
0.01uf 25WV |
CK2103AB7R |
|
C5 |
560PF 50WV |
CK1561AB5A |
|
C6 |
1uF 16WV |
CK510AB7R |
|
C10 |
0.1Uf 25WV |
CK2104AB7R |
|
C11 |
0.01uf 25WV |
CK2103AB7R |
|
C12 |
0.001uF 50WV |
CK1102AB7L |
|
C13 |
0.0015uF 50WV |
CK1152AB7R |
|
C14 |
0.001uF 50WV |
CK1102AB7L |
|
C16 |
0.1Uf 25WV |
CK2104AB7R |
|
C18 |
0.1Uf 25WV |
CK2104AB7R |
|
C19 |
.0047uF 50WV |
CK1472AB6U |
|
C20 |
1uF 16WV |
CK510AB7R |
|
C22 |
1uF 16WV |
CK510AB7R |
|
C23 |
0.01uf 25WV |
CK2103AB7R |
|
C25 |
1uF 16WV |
CK5105ZZ7R |
|
C26 |
330PF 50WV |
CK1331AB5A |
|
C27 |
47uF 16WV |
CE0164767Z |
|
C28 |
0.1Uf 25WV |
CK2104AB7R |
|
C29 |
0.1Uf 25WV |
CK2104AB7R |
|
C30 |
0.1Uf 25WV |
CK2104AB7R |
|
C31 |
1uF 16WV |
CK510AB7R |
|
C32 |
0.1Uf 25WV |
CK2104AB7R |
|
C33 |
0.1Uf 25WV |
CK2104AB7R |
|
C34 |
0.01uf 25WV |
CK2103AB7R |
|
C35 |
0.1Uf 25WV |
CK2104AB7R |
|
C36 |
0.1Uf 25WV |
CK2104AB7R |
|
C37 |
0.1Uf 25WV |
CK2104AB7R |
|
C38 |
0.1Uf 25WV |
CK2104AB7R |
|
C39 |
0.1Uf 25WV |
CK2104AB7R |
|
C40 |
0.1Uf 25WV |
CK2104AB7R |
Integrated Circuits
|
Ref#
|
Description |
MFR.
Part No.
|
|
IC1 |
IC NJM4558M 8PIN |
YNJR04558M |
|
IC2 |
IC ES56033S 16PIN |
YNES56033S |
Transistors
|
Ref#
|
Description |
MFR.
Part No.
|
|
Q1 |
TR 2SC2712GR |
TY2SC2712G |
|
Q3 |
TR 2SC2712GR |
TY2SC2712G |
Diodes
|
Ref#
|
Description |
MFR.
Part No.
|
|
D1 |
DIODE 1SS355 |
EDSS00355Y |
|
D2 |
DIODE 1SS355 |
EDSS00355Y |
|
D3 |
ZENER DIODE 5.6V |
EDZD05569Y |
|
D4 |
DIODE 1SS355 |
EDSS00355Y |
|
D5 |
DIODE 1SS355 |
EDSS00355Y |
|
D6 |
DIODE 1SS355 |
EDSS00355Y |
Connectors
|
Ref#
|
Description |
MFR.
Part No.
|
|
J1 |
PCB CONN/S 2PIN |
EX07N48223 |
|
J2 |
PCB CONN/S 3PIN |
EX07N41227 |
|
J3 |
PCB CONN/S 3PIN |
EX07N41216 |
|
J6 |
PCB CONN/S 6PIN |
EX07N48331 |
Hardware
|
Ref#
|
Description |
MFR.
Part No.
|
|
ECHO COVER |
MT2100061X |
|
|
ECHO BOX |
MT2100070X |
|
|
BRACKET OF ECHO BOX |
MT2100081X |
|
|
SET SCREW M3x0.5Px6 |
JS053006MN |
|
|
FIBER BOARD |
XZZZ90376Z |
|
|
SET SCREW M3x0.5x4 |
JS013004MY |
Disclaimer: Although the greatest care has been taken while compiling these documents,
we cannot guarantee that the instructions will work on every radio presented.