|
RADIO
MODIFICATIONS
Frequency Conversion
For
(EPT004410Z Band PCB)
Frequency
Conversion For (EPT004410A "SMT" Band PCB)
Channel
Chart (After Modification)
10
meter FM Mod (28.000 - 29.655MHz)
Clarifier
Mod
Disabling
Talkback
Roger
Beep Tone Mod
ALIGNMENT
PROCEDURES
PLL Alignment
Receiver Alignment
Transmitter
Alignment
Alignment Locations
VCO Frequency Generation Chart Bands Bands
A-D and Bands E-H
SEMICONDUCTOR
INFORMATION
Transistor
Voltage Chart
Integrated
Circuits Voltage Chart
Active
Device Function Location Layout (Main Board)
Semiconductor
Datasheets
DIAGRAMS
DX88HL Block
Diagram
DX88HL Inter-connection
Diagram
(Echo EPTOSSB50B Based Radio)
DX88HL Inter-connection
Diagram
(Echo EPTOSSB50B Based Radio)
DX88HL Schematic
Diagram
(Mar. 17,
2004)
Band
Board Schematic Diagram (EPT004410Z)
Frequency
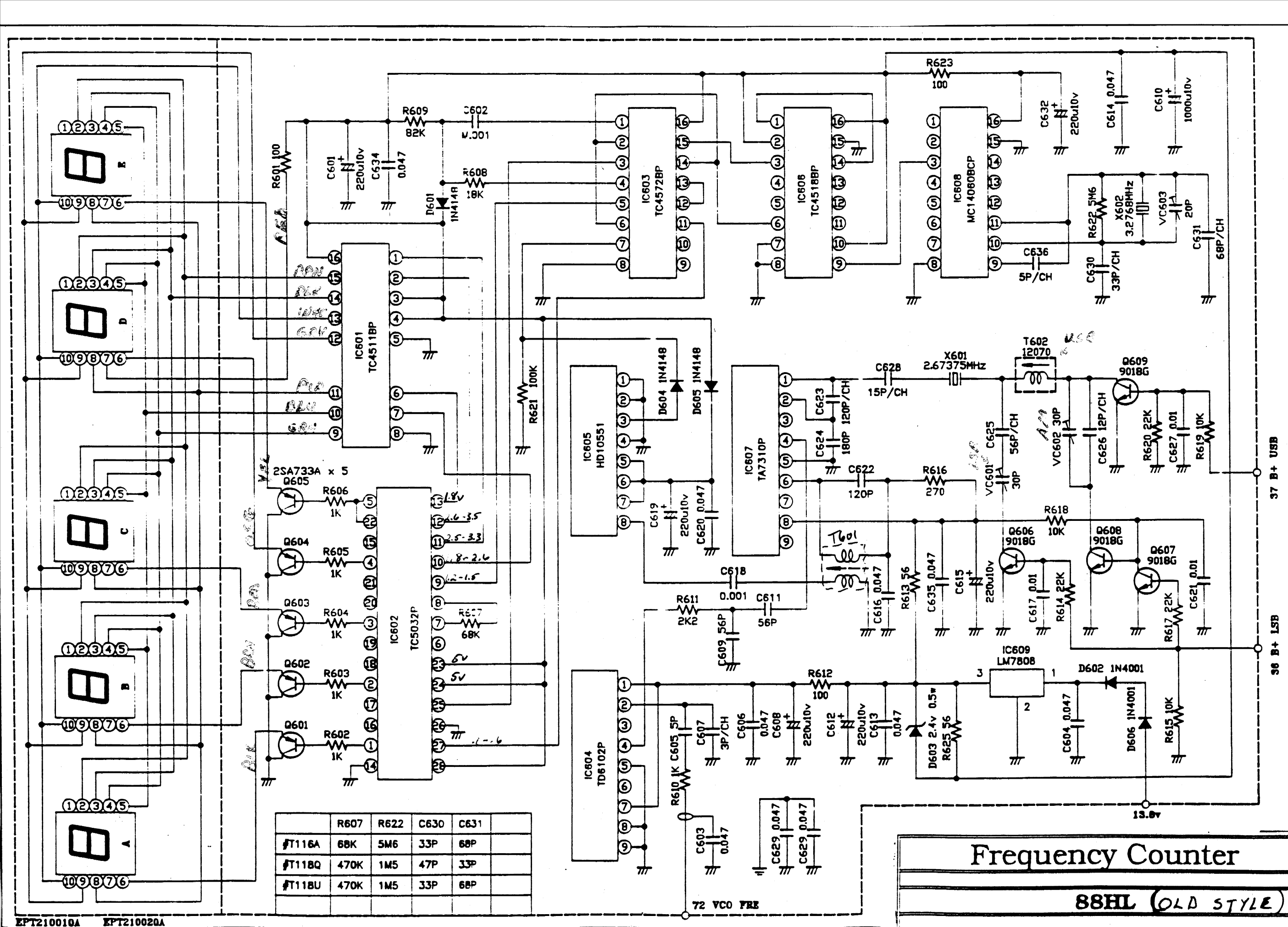
Counter PCB Schematic Diagram
(EPT210010A / 11A)
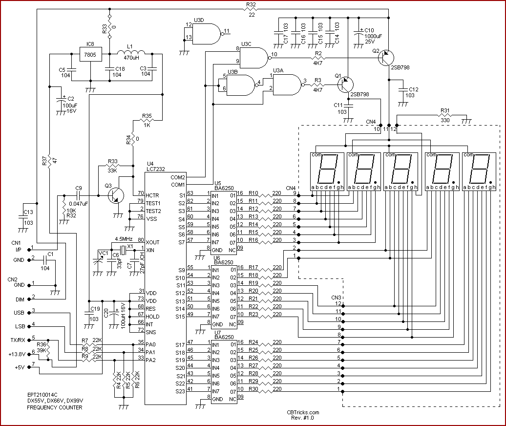
Frequency
Counter PCB Schematic Diagram (EPT210014C)
Frequency
Counter PCB Schematic Diagram
(EPT210014D)
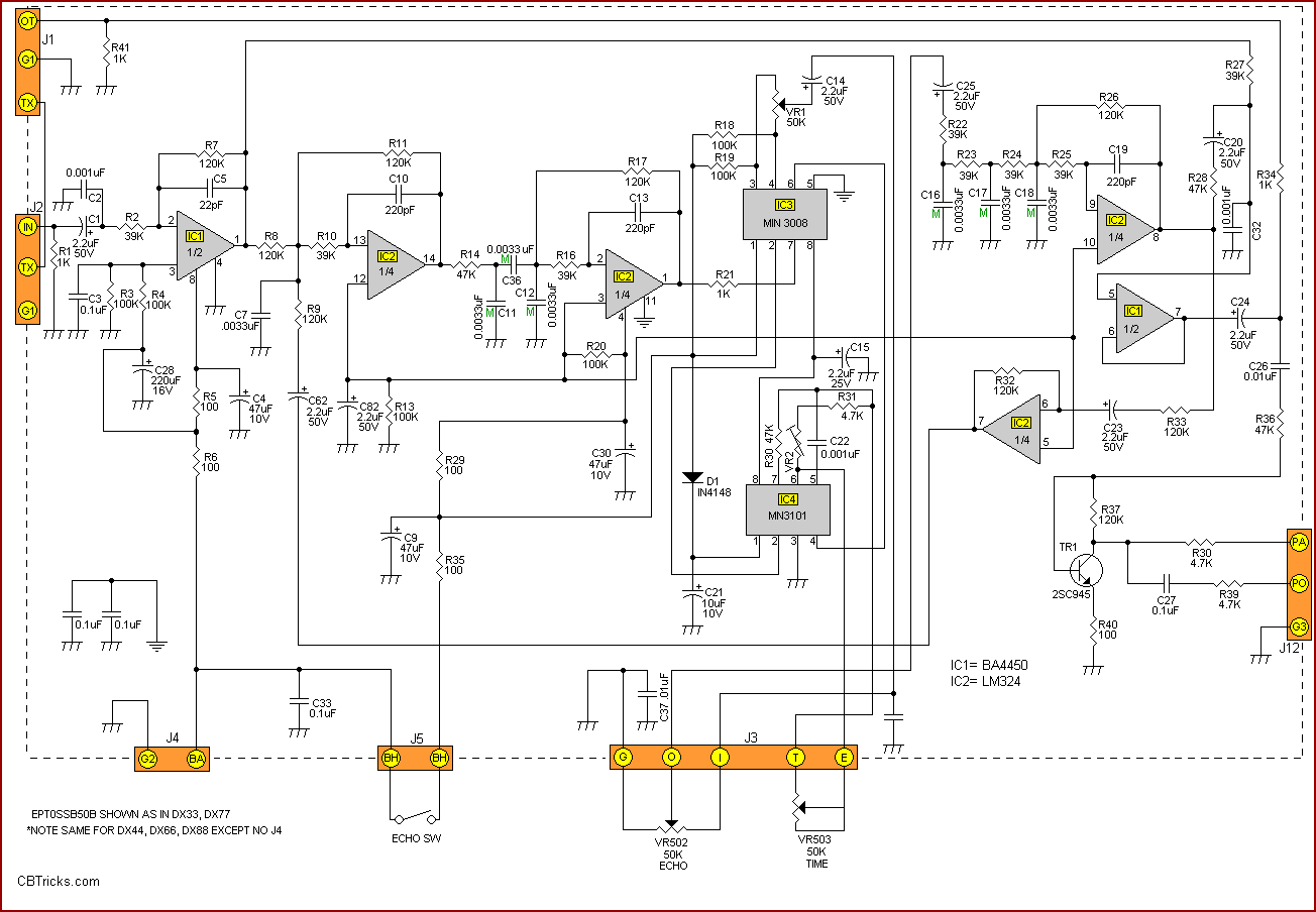
Echo
PCB Schematic Diagram (EPT0SSB50B) (Early Version)
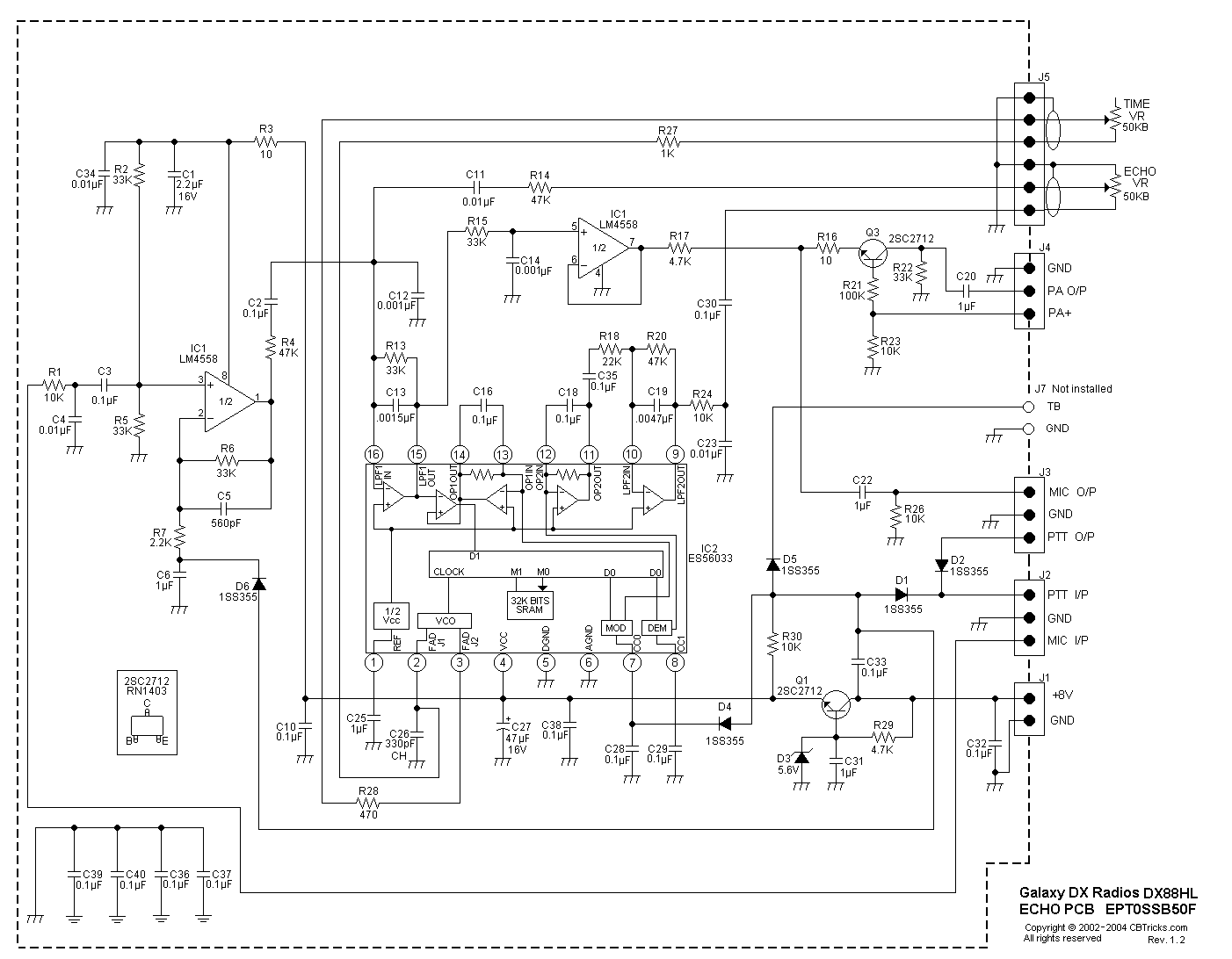
Echo
PCB Schematic Diagram (EPT0SSB50F)
PCB Layouts and
Parts
Main PCB (EPT360014B)
Mic Jack PCB
(EPT360050Z)
Frequency
Display and Pushbutton Switch PCB (EPT210021A)Very Early
Production
Frequency Display
and Pushbutton Switch PCB (EPT210021C)
Channel
Display PCB (EPT210040Z) Very Early Production
Channel
Selector Switch PCB (EPT210030Z) Very Early Production
Channel Display
PCB (EPT210041Z) Current Production
Channel Selector
Switch PCB (EPT210032Z) Current Production
Band Board Layout
(EPT004410Z)
Band Board
Layout SMT (EPT004410A) Current Production
Frequency Counter PCB (EPT210010A)
Very Early Production
Frequency Counter PCB (EPT210011A)
Early Production
Frequency Counter
PCB (EPT210014C) Current Production
Frequency
Counter PCB (EPT210014D) (Started with later 2005 Production)
Echo PCB
(EPT0SSB50B) (Early Version)
Echo PCB
(EPT0SSB50F) (Used to the end of 2002)
Echo PCB
(EPT0SSB51J) Current Production
Chassis, Miscellaneous
& Mechanical Parts
Front
View Chassis Parts 
Front
View Chassis Parts 
Rear
View Chassis Parts 
Rear
View Chassis Parts 
Miscellaneous
& Mechanical Parts
Mic Wiring Diagram

|
Stock
1- Shield
(Ground)
2- Yellow (Audio)
3- Red (Transmit)
4- White (Receive)
Astatic (4
wire)
1- Shield
2- White
3- Red
4- Black
Astatic (6
wire)
1- Shield & Blue
2- White
3- Red
4- Black
Yellow NC
Daiwa EM-500
Cobra CA Series
1- Shield & Black
2- Red
3- White
4- Blue
Galaxy DC-521S
(4 wire)
1- Shield
2- Yellow
3- Red
4- Black
Galaxy CB-660EI
1- Shield & Black
2- White
3- Red
4- Blue
Sadelta
1- Shield
2- White
3- Brown
4- Green
Turner
1- Shield & Red
2- White
3- Blue
4- Black
Yellow NC
|