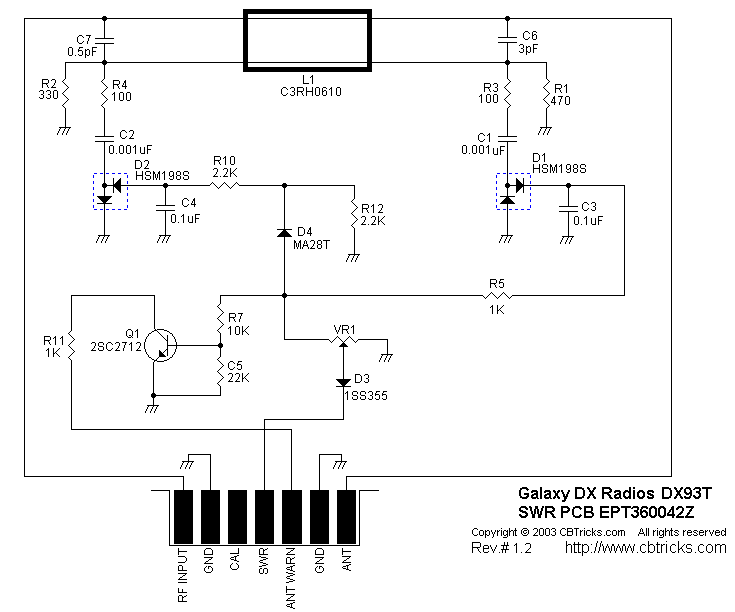
Galaxy
DX Radios DX93T
Documentation Project
CBTricks.com
SWR
PCB (EPT360042Z)
Schematic

Resistors
|
Ref#
|
Description |
MFR.
Part No.
|
|
R1 |
470 ohm 0.1W |
RCY014714Z |
|
R2 |
330 ohm 0 1W |
RCY013314Z |
|
R3 |
100 ohm 0.1W |
RCY011014Z |
|
R4 |
100 ohm 0.1W |
RCY011014Z |
|
R5 |
1K ohm 0.1W |
RCY011024Z |
|
R7 |
10K ohm 0.1W |
RCY011034Z |
|
R10 |
2.2K ohm 0.1W |
RCY012224Z |
|
R11 |
1K ohm 0.1W |
RCY011024Z |
|
R12
|
2.2K ohm 0 1W |
RCY012224Z
|
|
C5 |
15K 0.1W |
RCY011534Z |
Capacitors
|
Ref#
|
Description |
MFR.
Part No.
|
|
C1 |
0.001pF 50V |
CK1102AB7L |
|
C2 |
0.001pF 50V |
CK1102AB7L |
|
C3 |
0.1uF 50V |
CK2104AB7R |
|
C4 |
0.1uF 50V |
CK2104AB7R |
|
C6 |
3PF 50V |
CK1030ABlA |
|
C7 |
0.5PF 50V |
CK1059ABlA |
Transistors
|
Ref#
|
Description |
MFR.
Part No.
|
|
Q1 |
TR 2SC2712 |
TY2SC2712G |
Diodes
|
Ref#
|
Description |
MFR.
Part No.
|
|
D1 |
DIODE HSM198S |
EDHM0198SY |
|
D2 |
DIODE HSM198S |
EDHM0198SY |
|
D3 |
DIODE ISS355 |
EDSS00355Y |
|
D4 |
DIODE MA28T |
EDMA0028TY |
Inductors
|
Ref#
|
Description |
MFR.
Part No.
|
|
L1 |
CORE C3RH0610 |
ECRFZ10053 |
Disclaimer: Although the greatest care has been taken while compiling these documents,
we cannot guarantee that the instructions will work on every radio presented.