Viagra 120 Channel Mod PCB
Documentation Project

CBTricks.com

TIPS:
You need to have Acrobat Reader version 5 or newer installed to view the files with icon.

If the files with or icon will not display see the Site FAQ for help on printing, viewing and using this information.

NOTE: I do not sell these, please contact your supplier.

The infomation in this section is Preliminary and is still being worked on. So check back for any changes / updates.

 

The main PCB used in the Galaxy DX959, DX949 DX2547 are dedicated for 11-meter radios. The main PCB is a hybrid of the EPT690010Z board.

Channeling is done via an additional PC Board using two additional crystals to support 40 channels above and 40 channels below the standard FCC 40. Installation of this board provides a total of 120 channels.

This project is not for novices or anyone who does not have the proper equipment for aligning RF circuitry, or anyone faint at heart. Leave the installation and alignment to a proven technician.

There are two versions of this PCB. Viagra "A" and a newer version called a Viagra "B".

The newer version "B" is much easier to install.


    Viagra "A" Board Frequency Modification
    Viagra "B" Board Frequency Modification
    Channel Chart (After Viagra Board Install)

    Version "A" Pictures
    Version "B" Pictures

DIAGRAMS
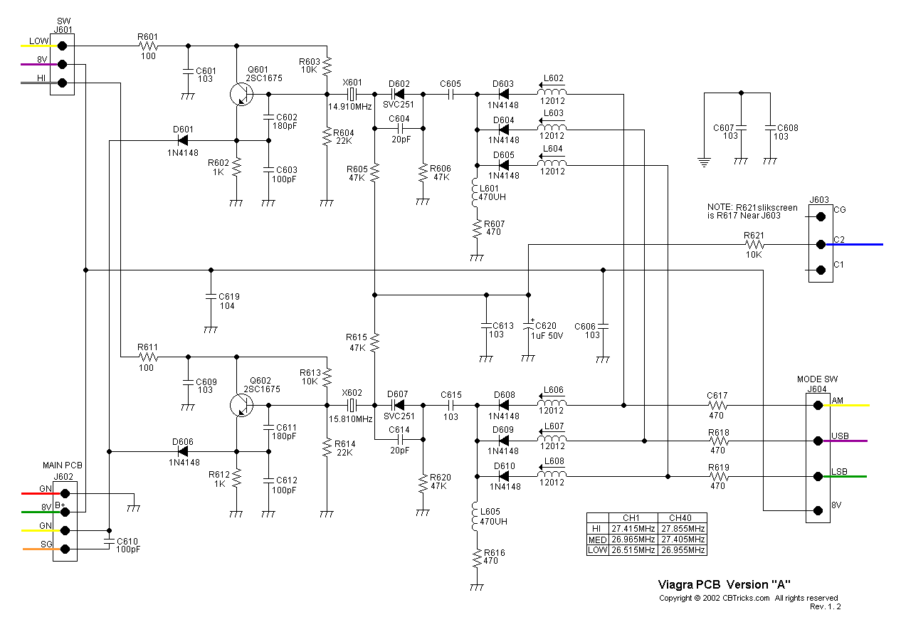
    Viagra "A" Schematic Diagram
    Viagra "A" Schematic Diagram
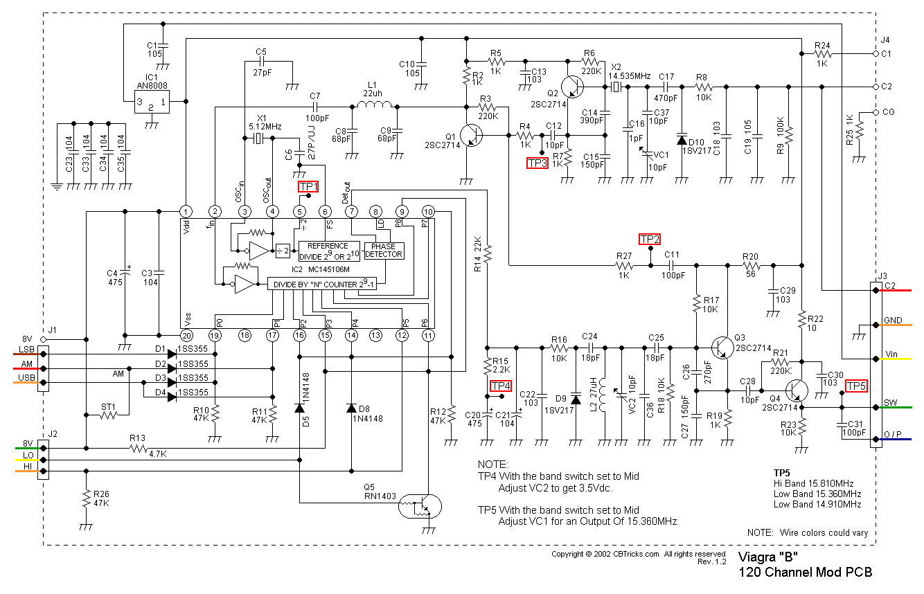
    Viagra "B" Schematic Diagram
    Viagra "B" Schematic Diagram

PCB Layouts
    Viagra "A"
    Viagra "B"

 



Copyright © 1998,1999,2000,2002 CBTricks.com

Disclaimer: Although the greatest care has been taken while compiling these documents,

we cannot guarantee that the instructions will work on every radio presented.