Hygain 16 (2716)
Documentation Project

CBTricks.com

TIPS:
You need to have Acrobat Reader version 5 or newer installed to view the files with icon.

If the files with or icon will not display see the Site FAQ for help on printing, viewing and using this information.



Factory Service Manual
       Page 1 to 26
       Page 27 to 47

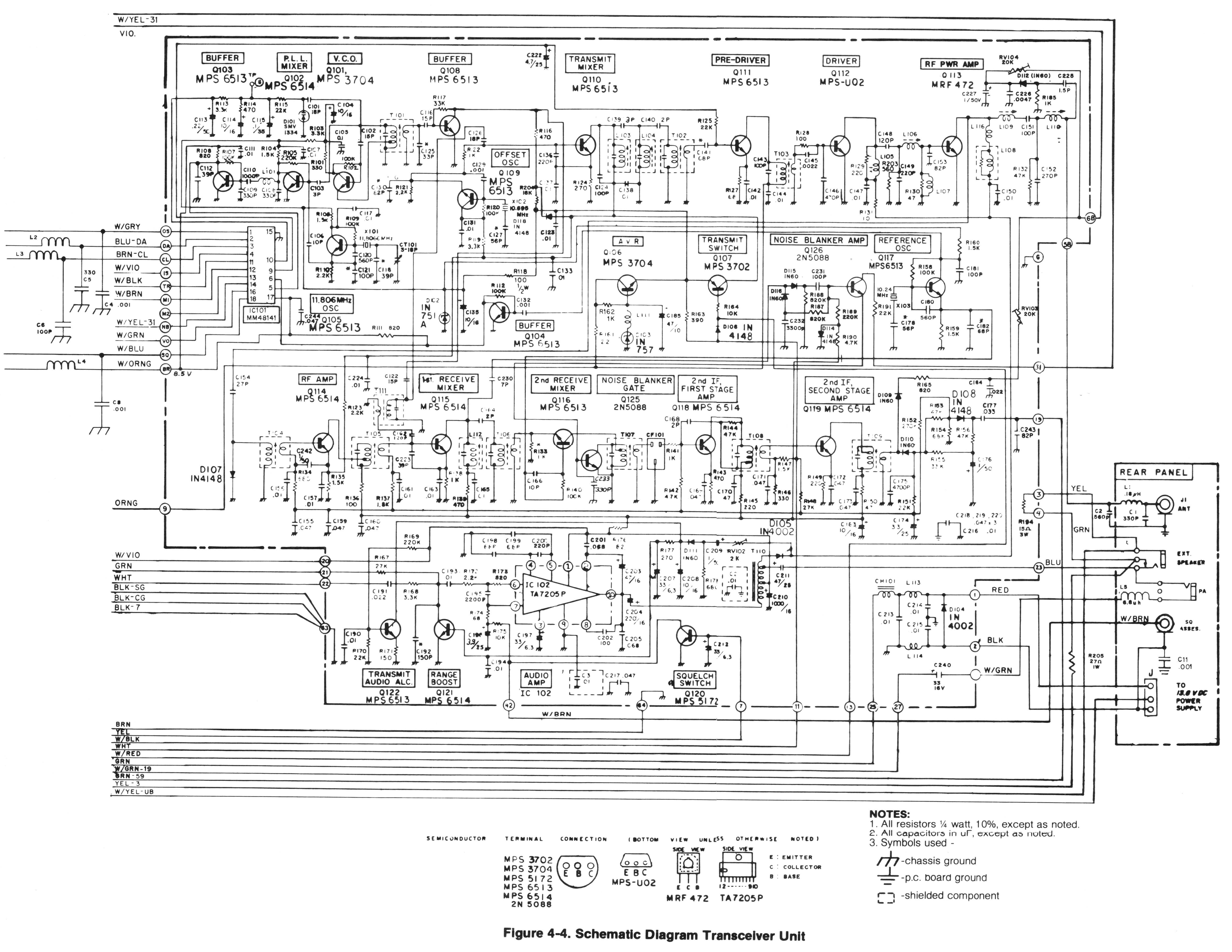
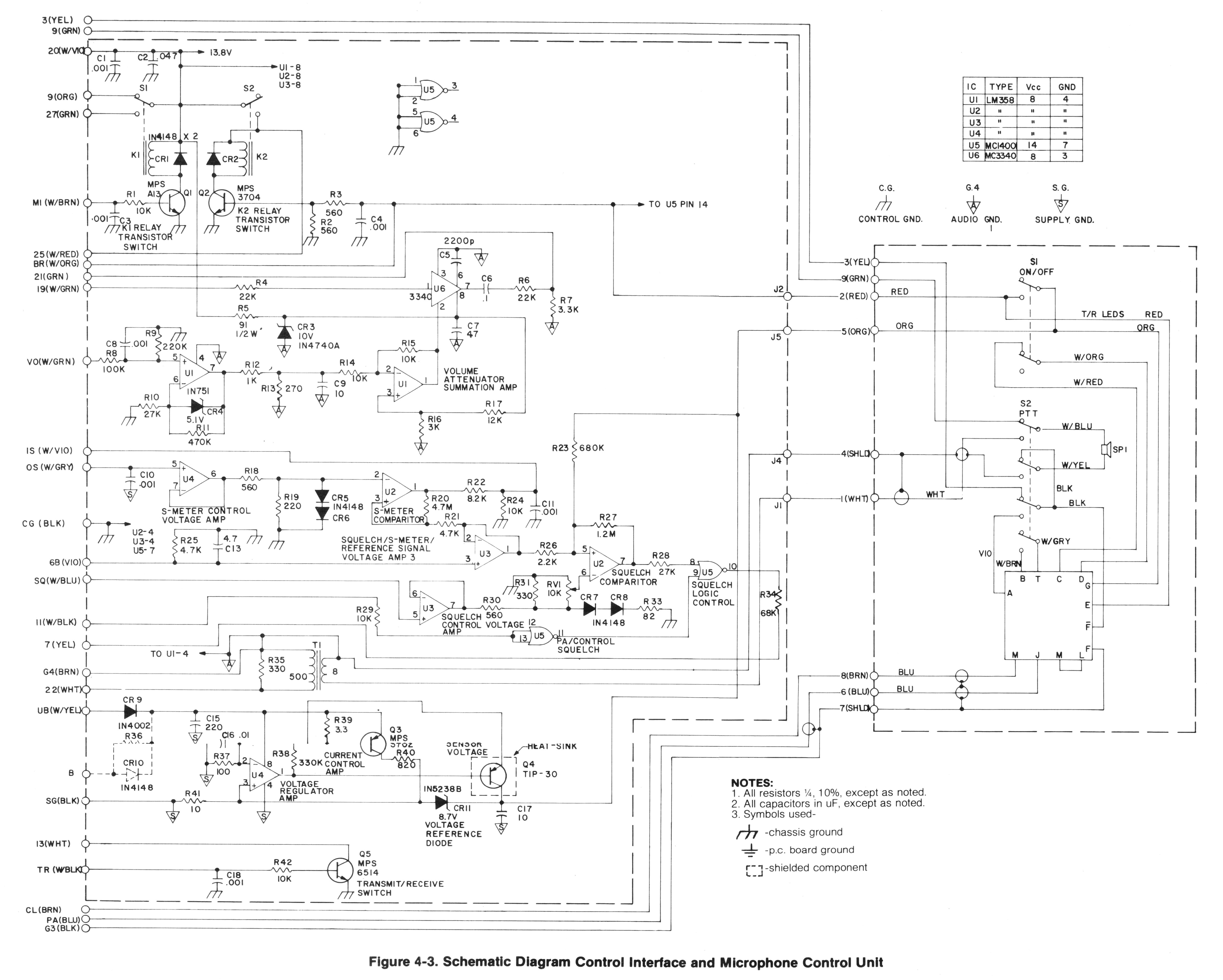
Diagrams
       Block Diagram (11x17)
       Main Schematic
       Main Schematic (11x17)
       Microphone Control Schematic
       Microphone Control Schematic (11x17)

 



Copyright © 1998, 1999, 2000, 2001, 2002, 2003, 2004, 2005 CBTricks.com

Disclaimer: Although the greatest care has been taken while compiling these documents,

we cannot guarantee that the instructions will work on every radio presented.