|
Factory
Service Manual Addendum
Page
1 to 17 
Page
19 to 40
Diagrams
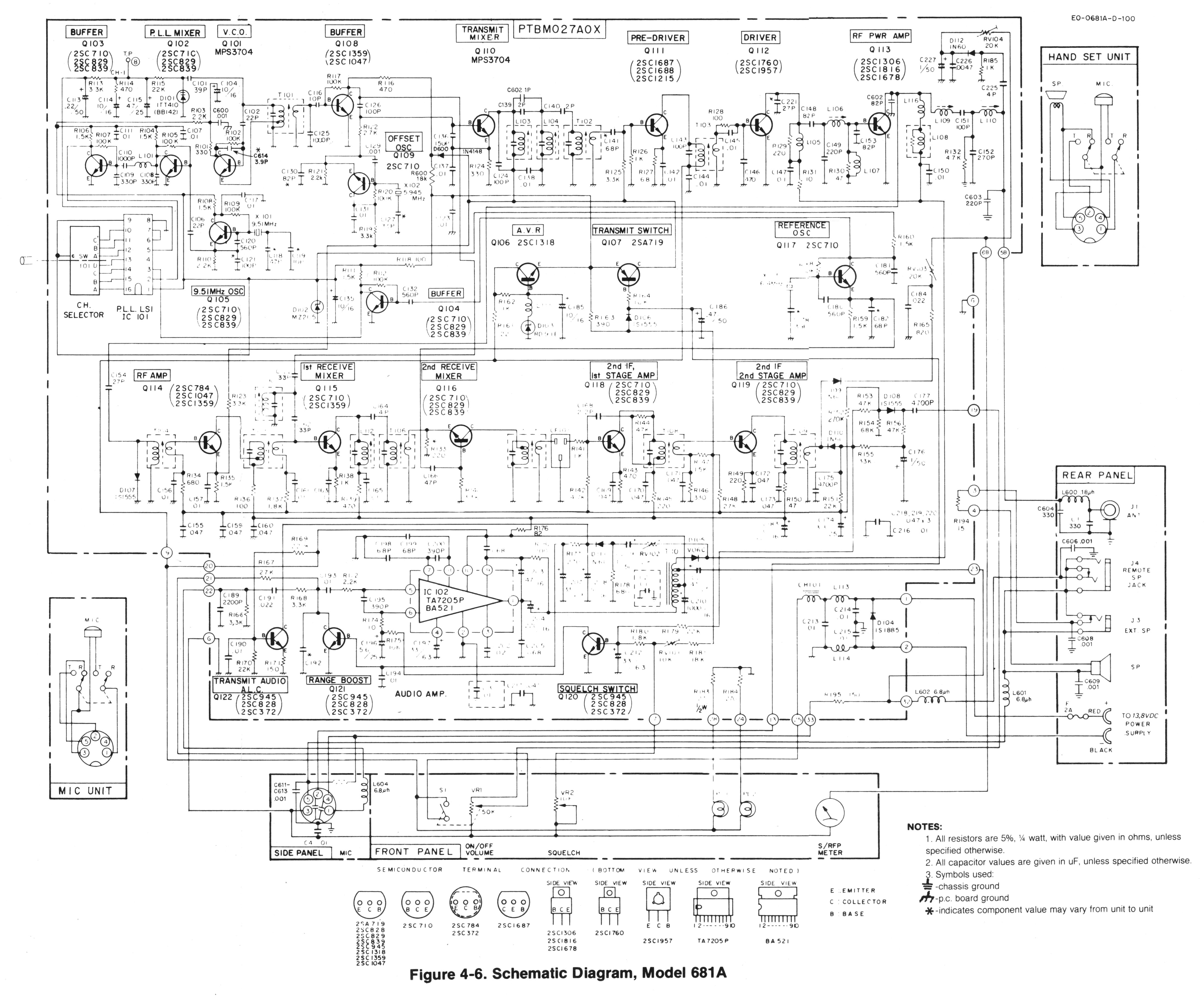
Model 681A
Main
Schematic
Main
Schematic
(11x17)
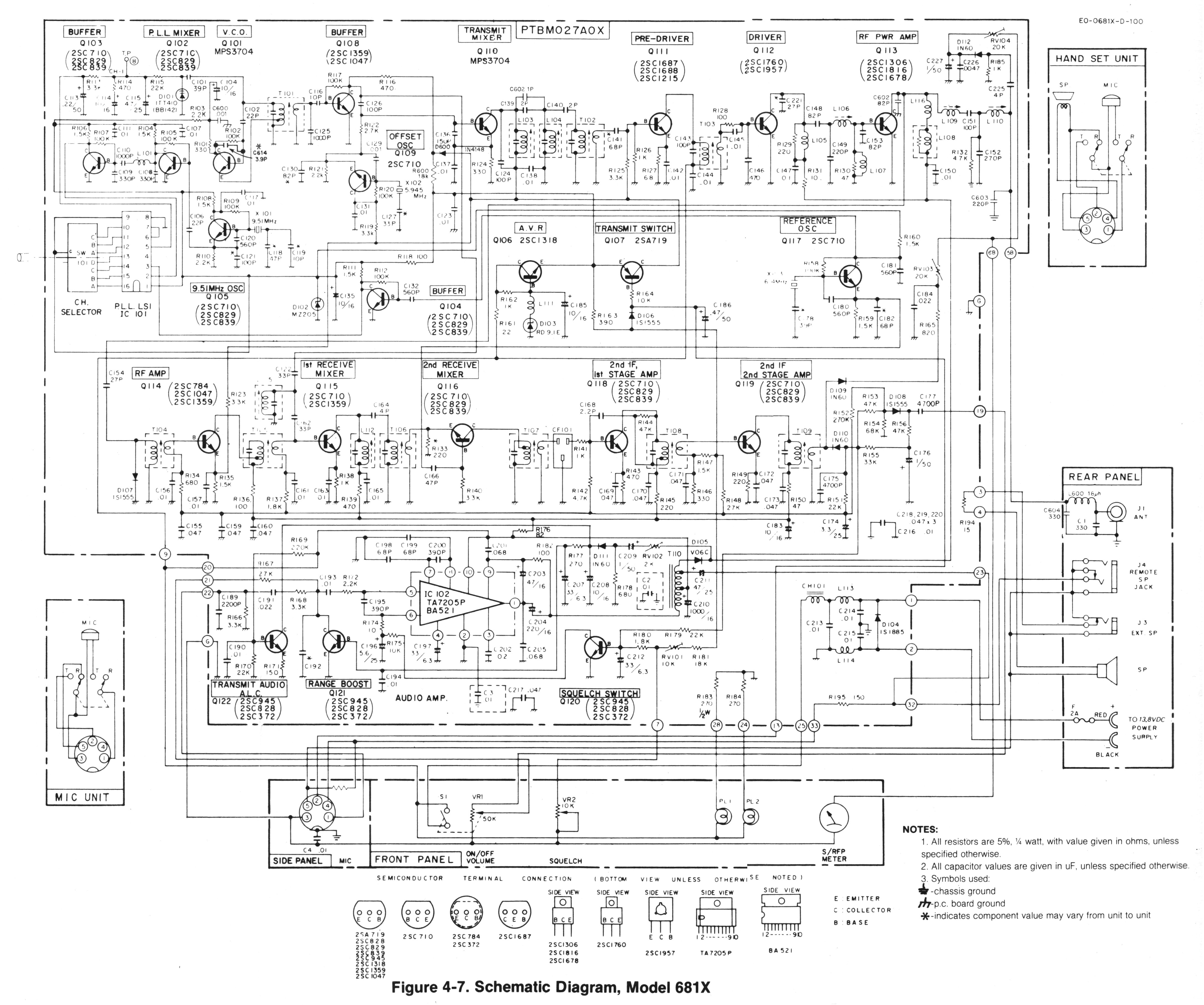
Model
681X
Main
Schematic 
Main
Schematic
(11x17)
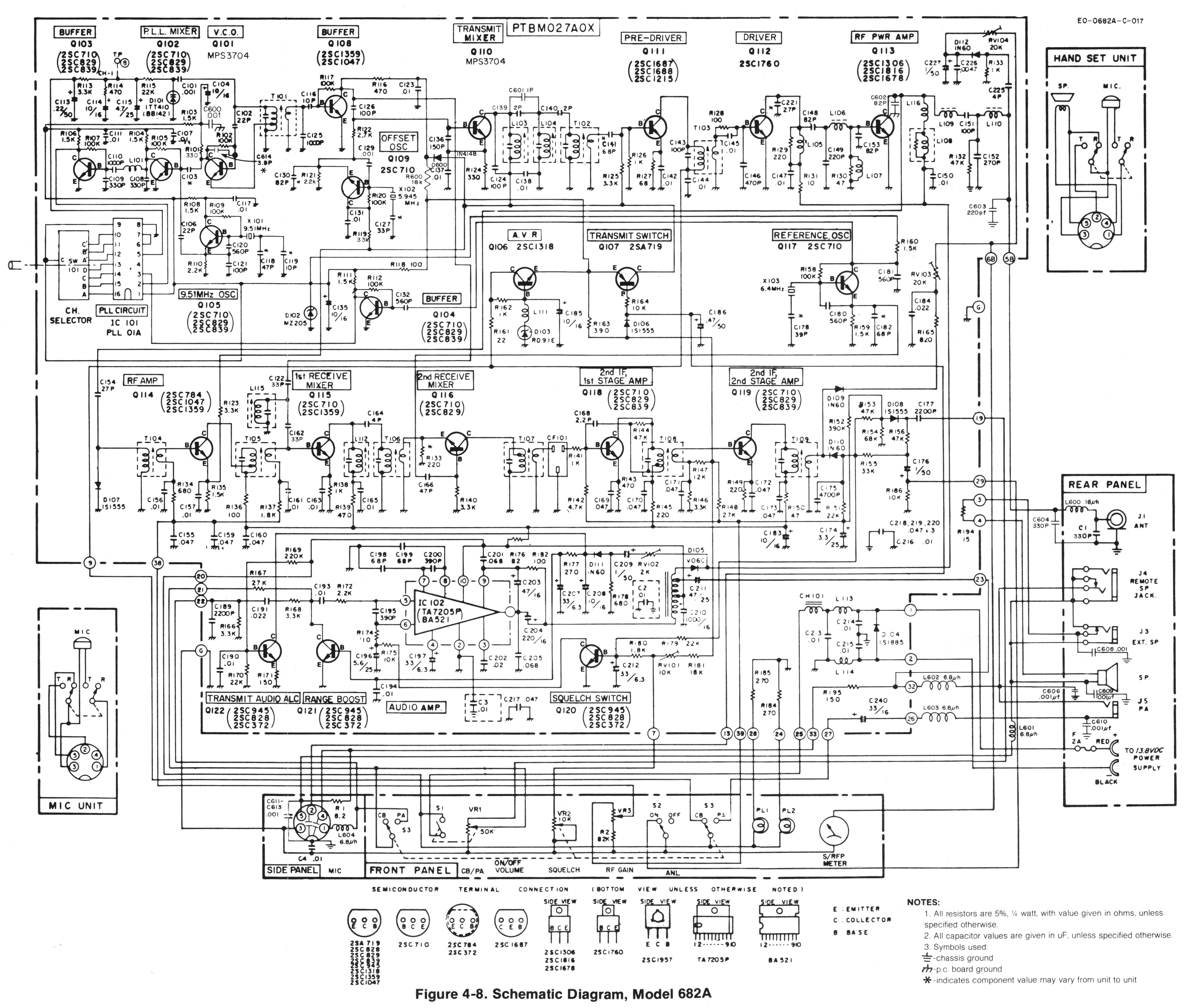
Model
682A
Main
Schematic 
Main
Schematic
(11x17)
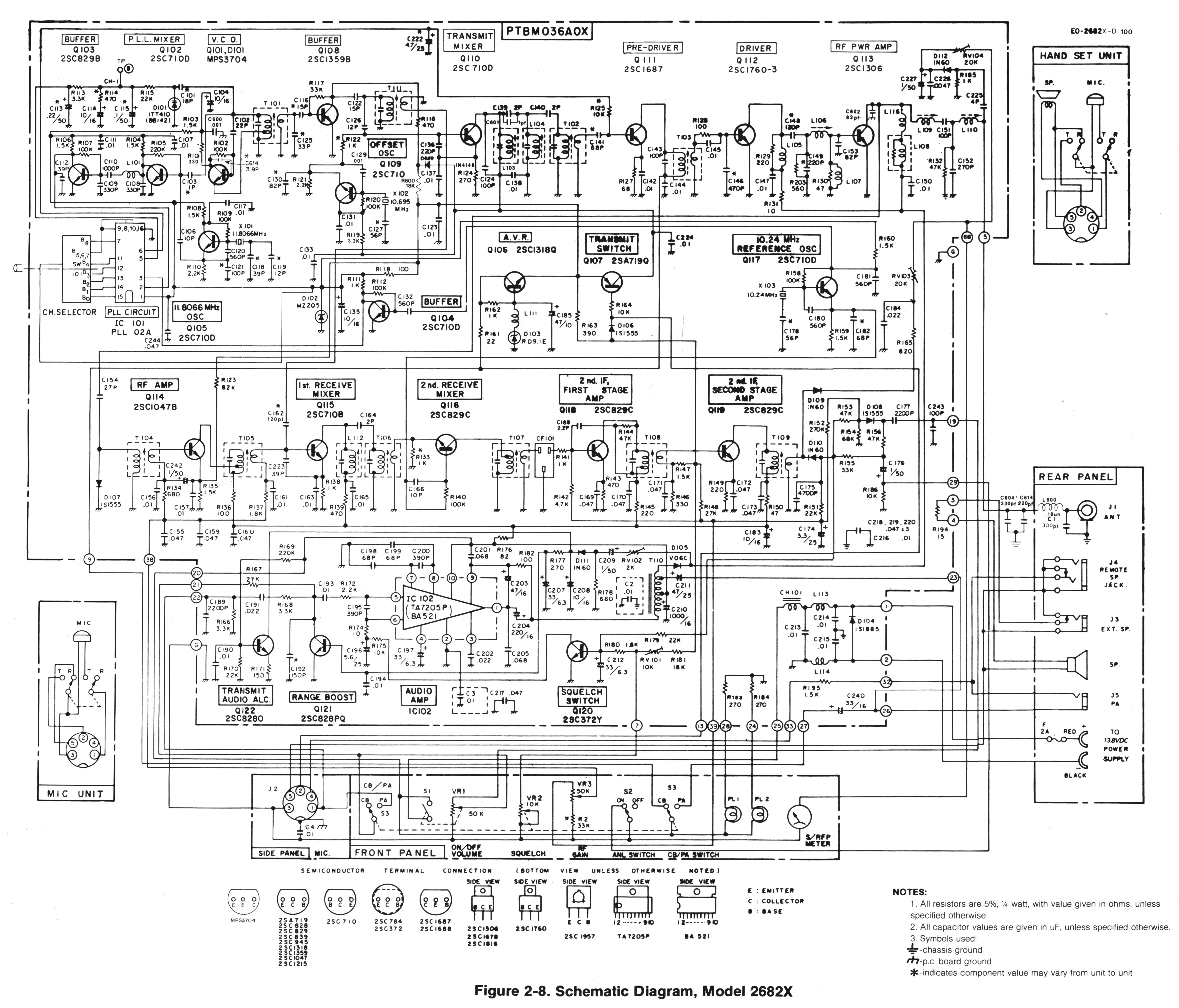
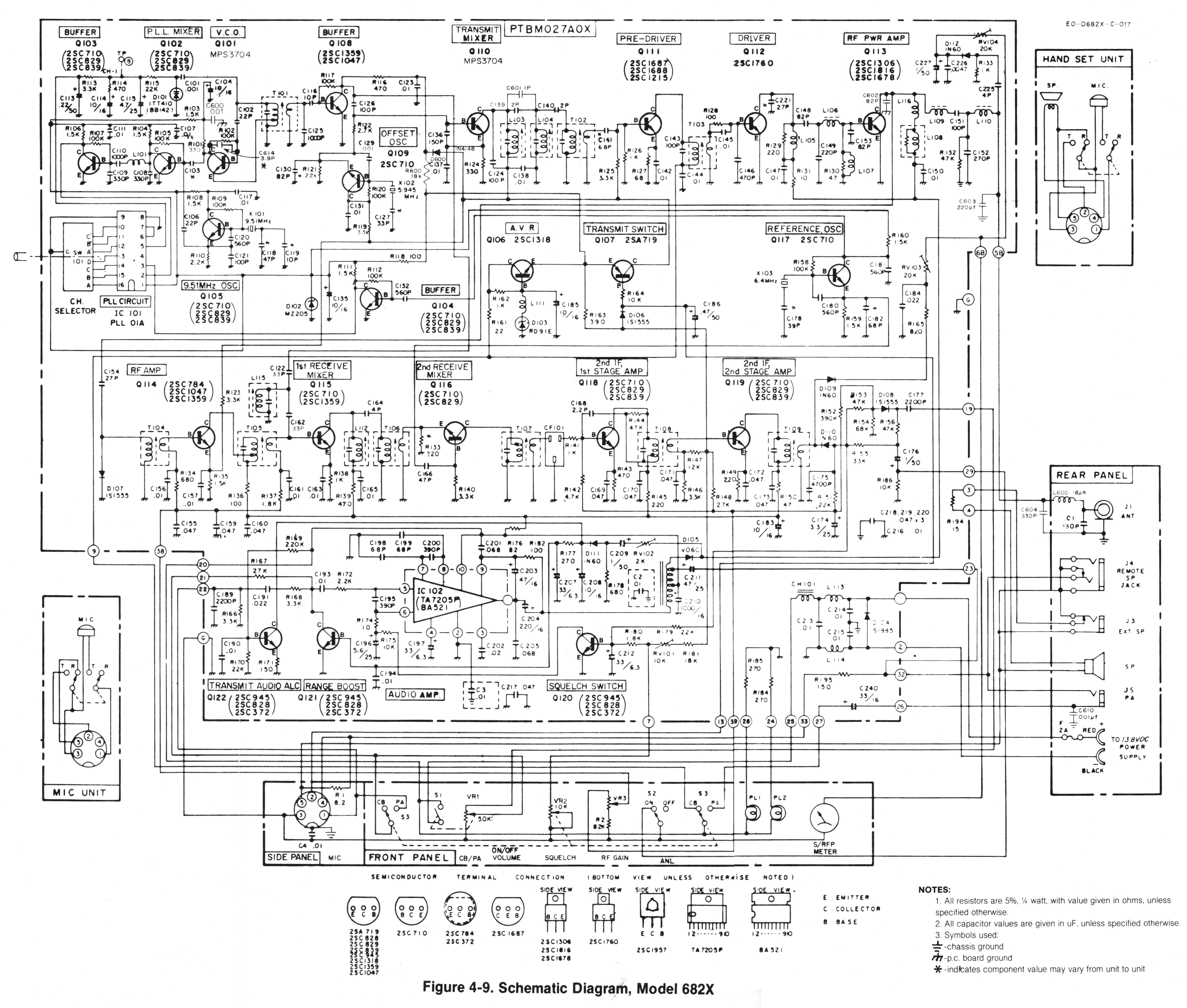
Model
682X
Main
Schematic 
Main
Schematic
(11x17)
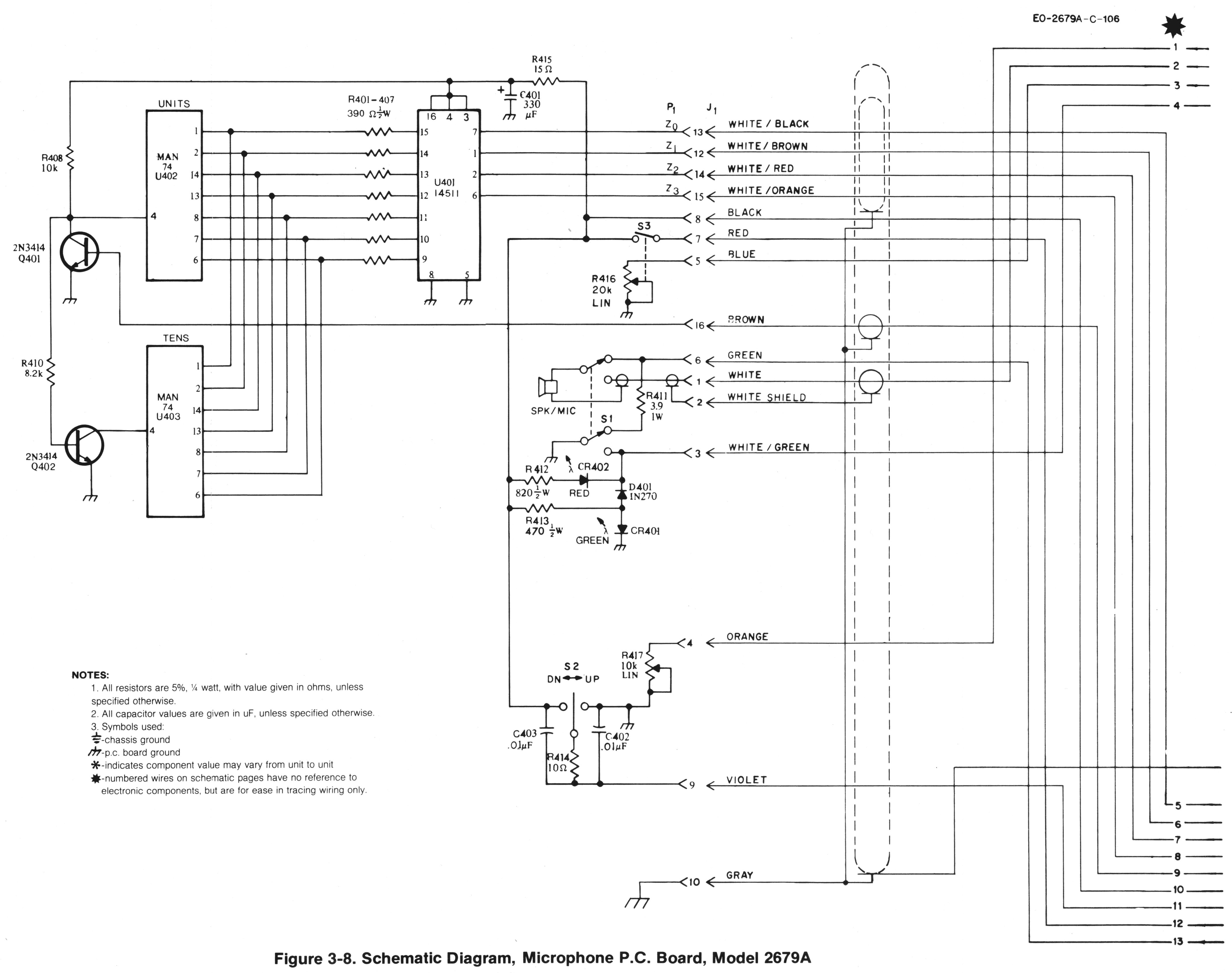
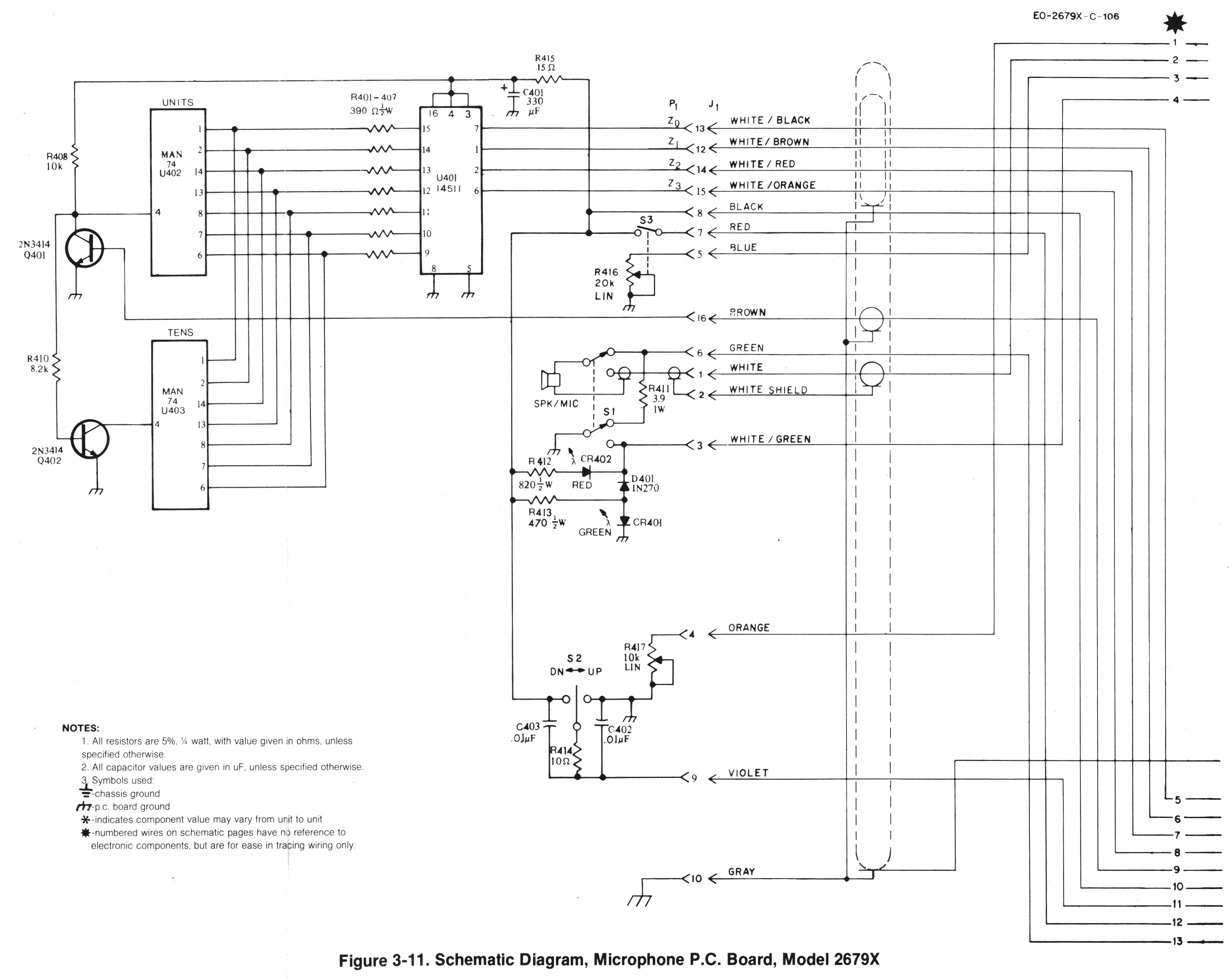
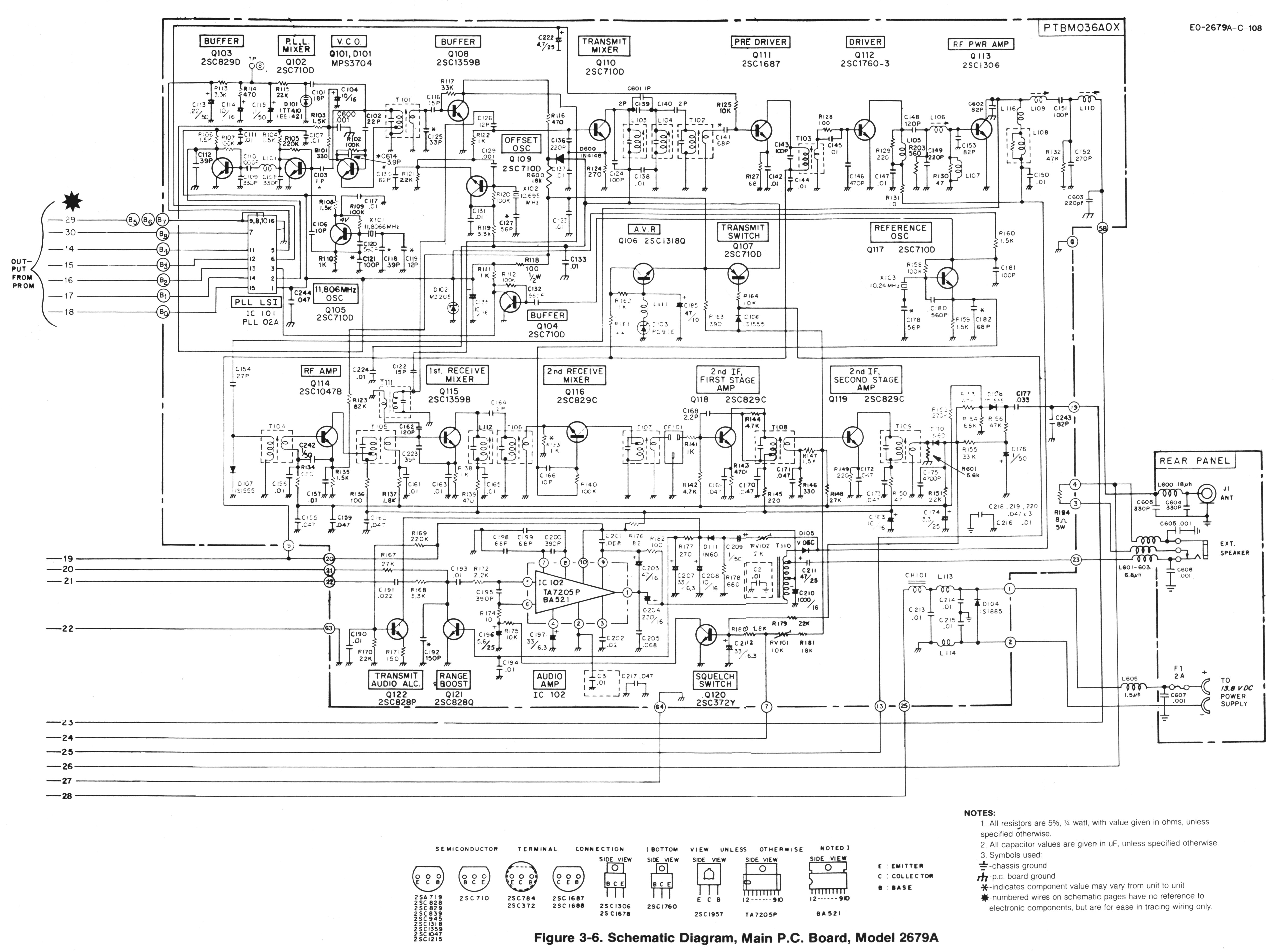
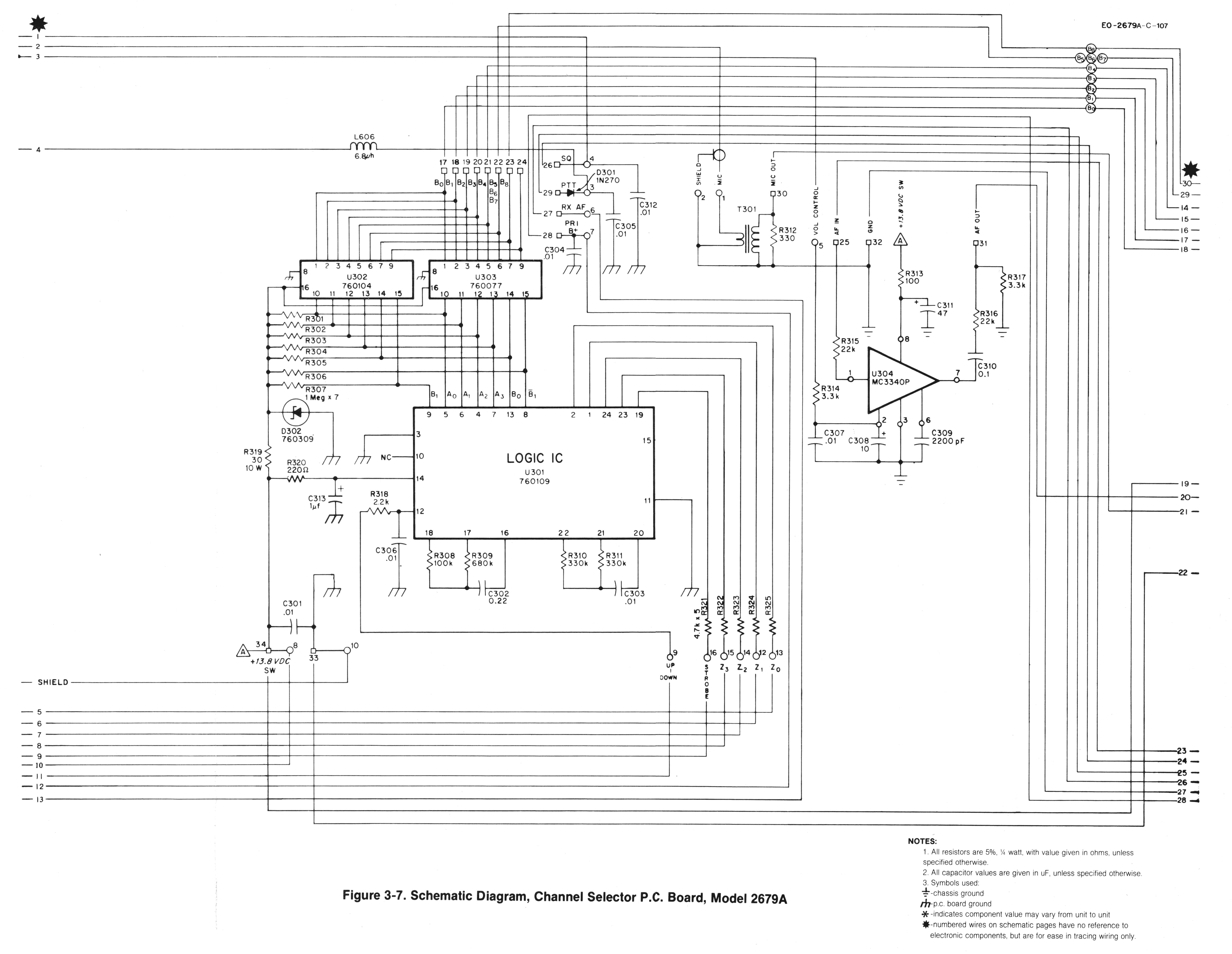
Model
2679A
Channel
Sel Schematic 
Microphone
Schematic 
Main
Schematic 
Channel
Sel Schematic
(11x17)
Microphone
Schematic
(11x17)
Main
Schematic
(11x17)
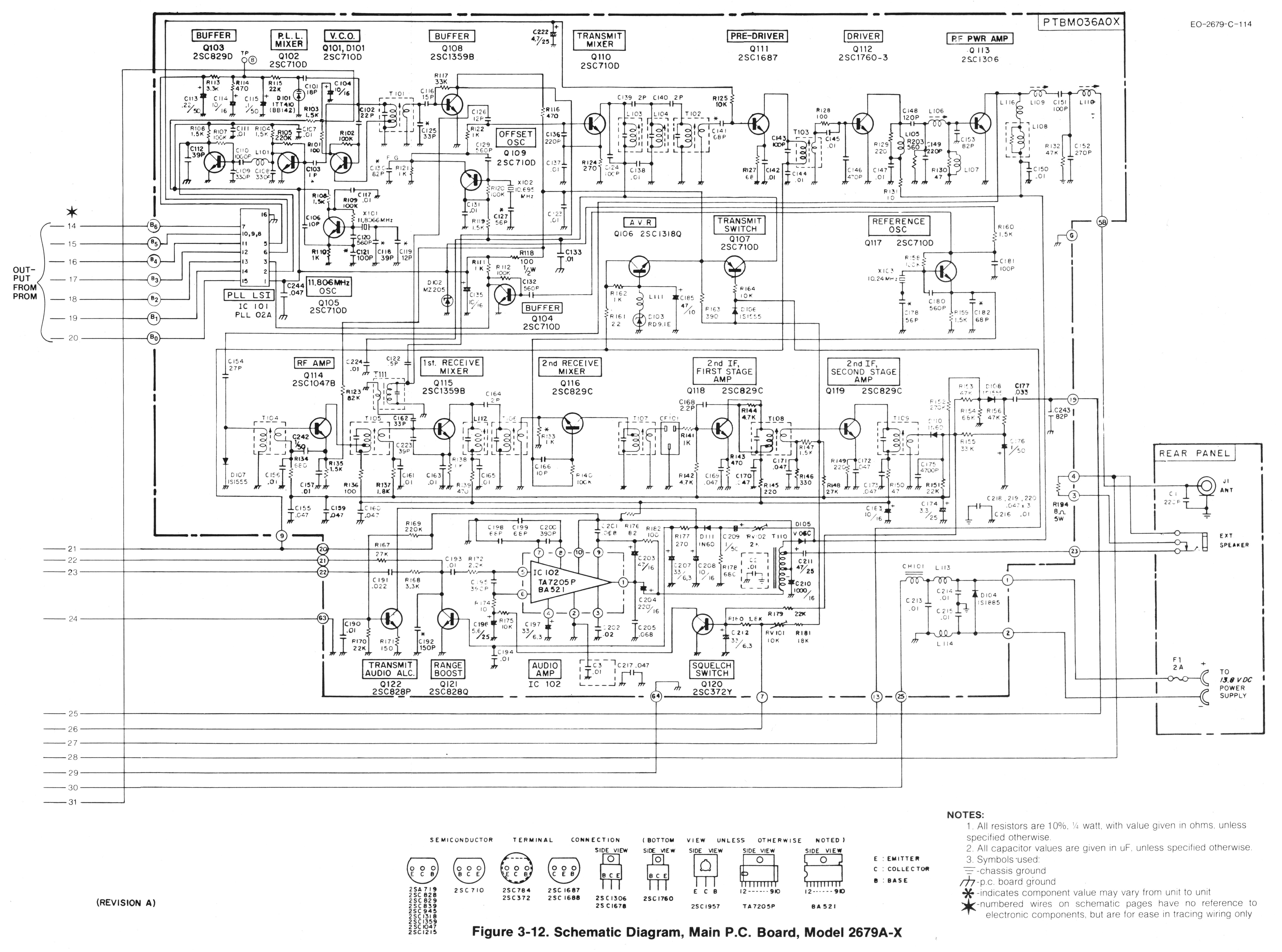
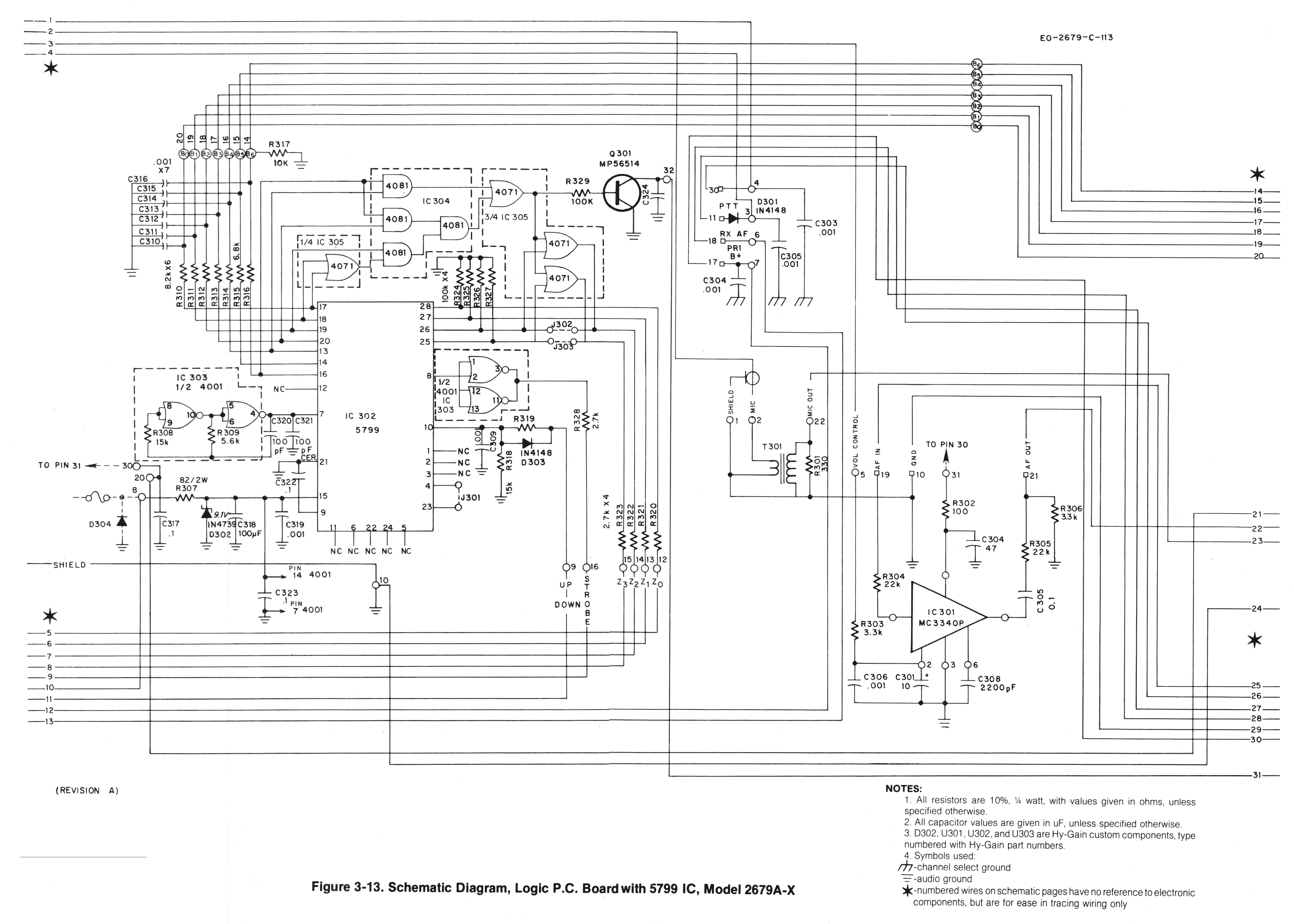
Model
2679A-X
Main
Schematic 
Logic
Schematic 
Microphone
Schematic 
Main
Schematic
(11x17)
Logic
Schematic
(11x17)
Microphone
Schematic
(11x17)
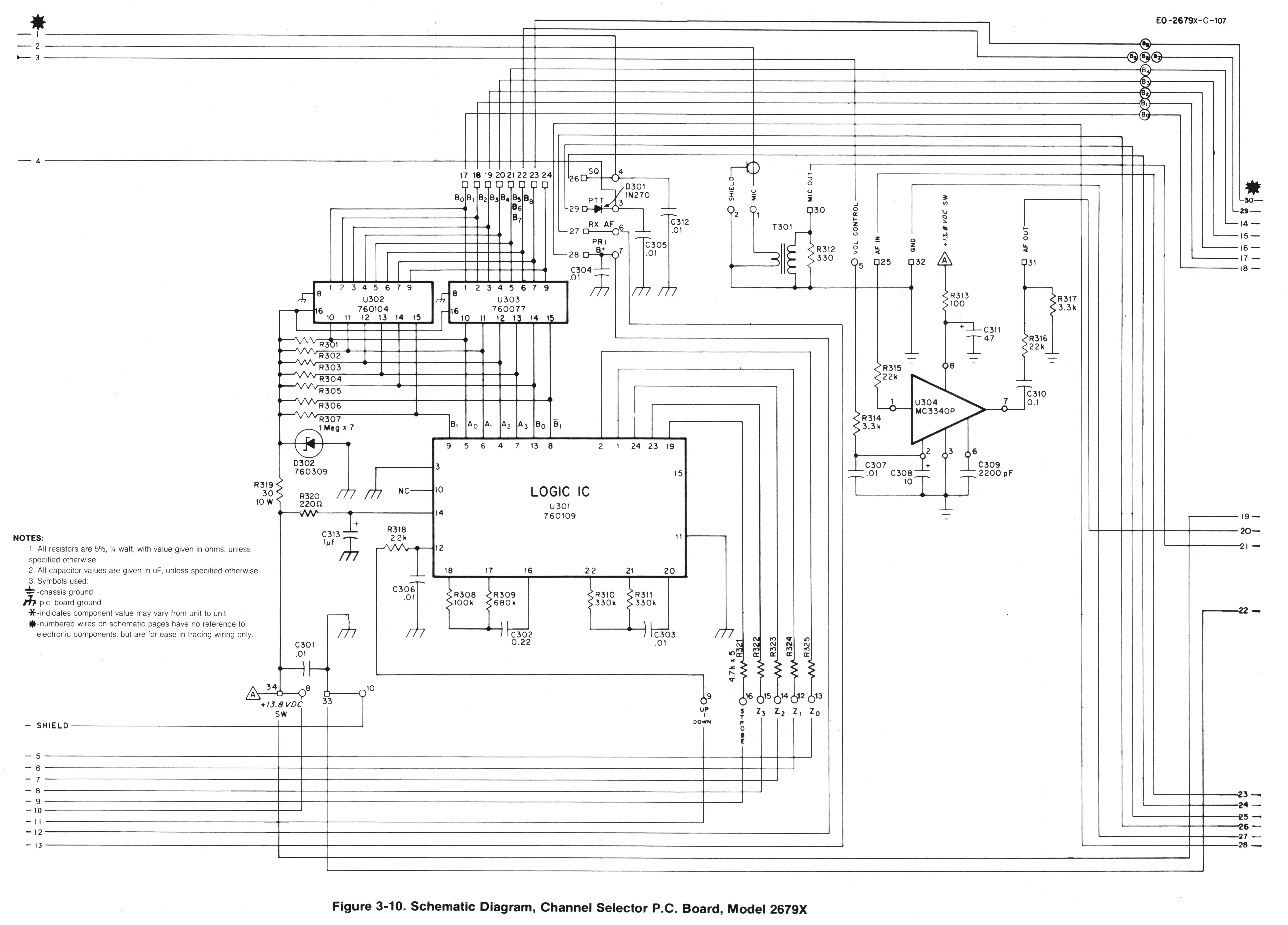
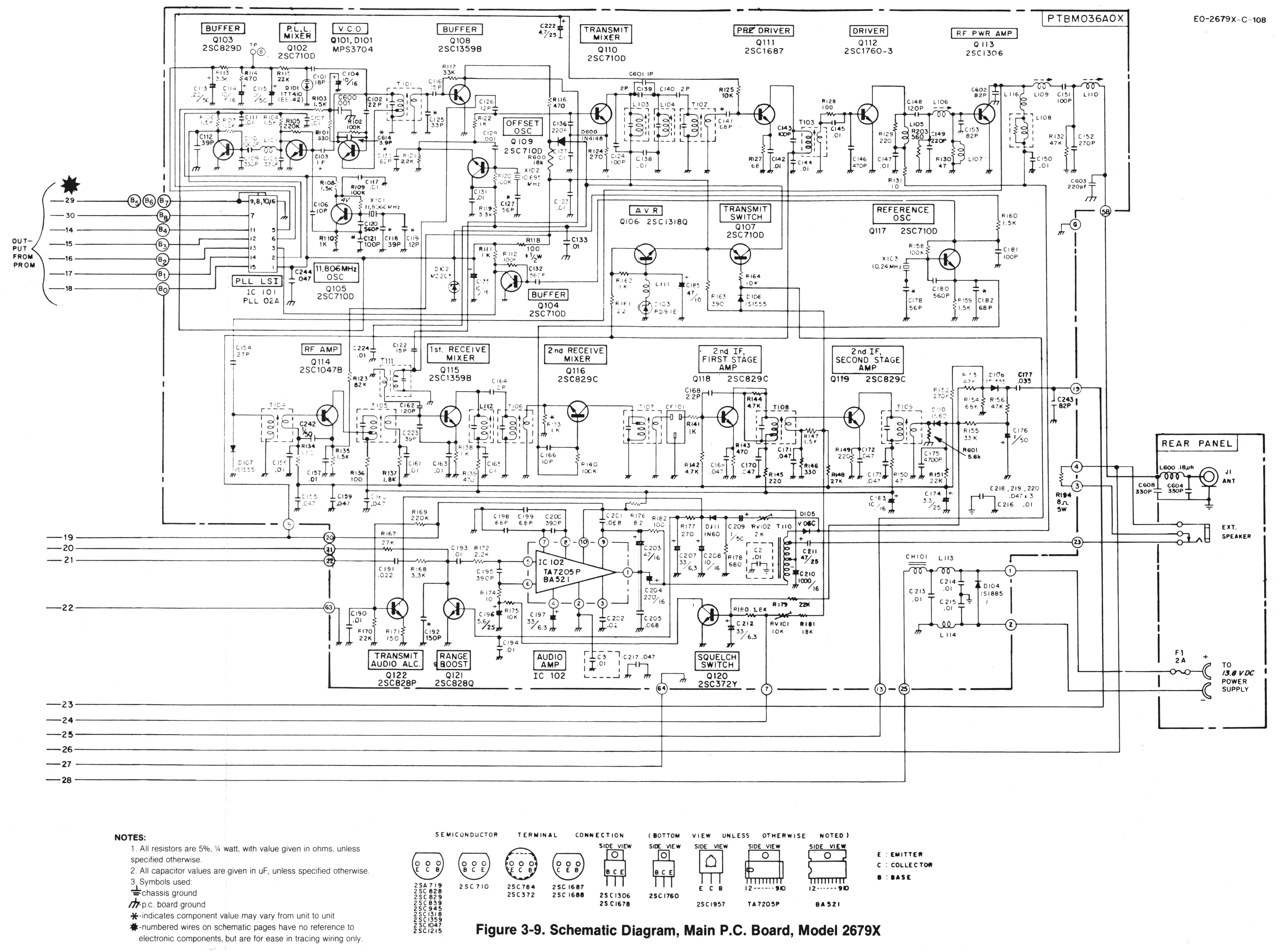
Model
2679X
Main
Schematic 
Microphone
Schematic 
Channel
Sel Schematic 
Main
Schematic
(11x17)
Microphone
Schematic
(11x17)
Channel
Sel Schematic
(11x17)
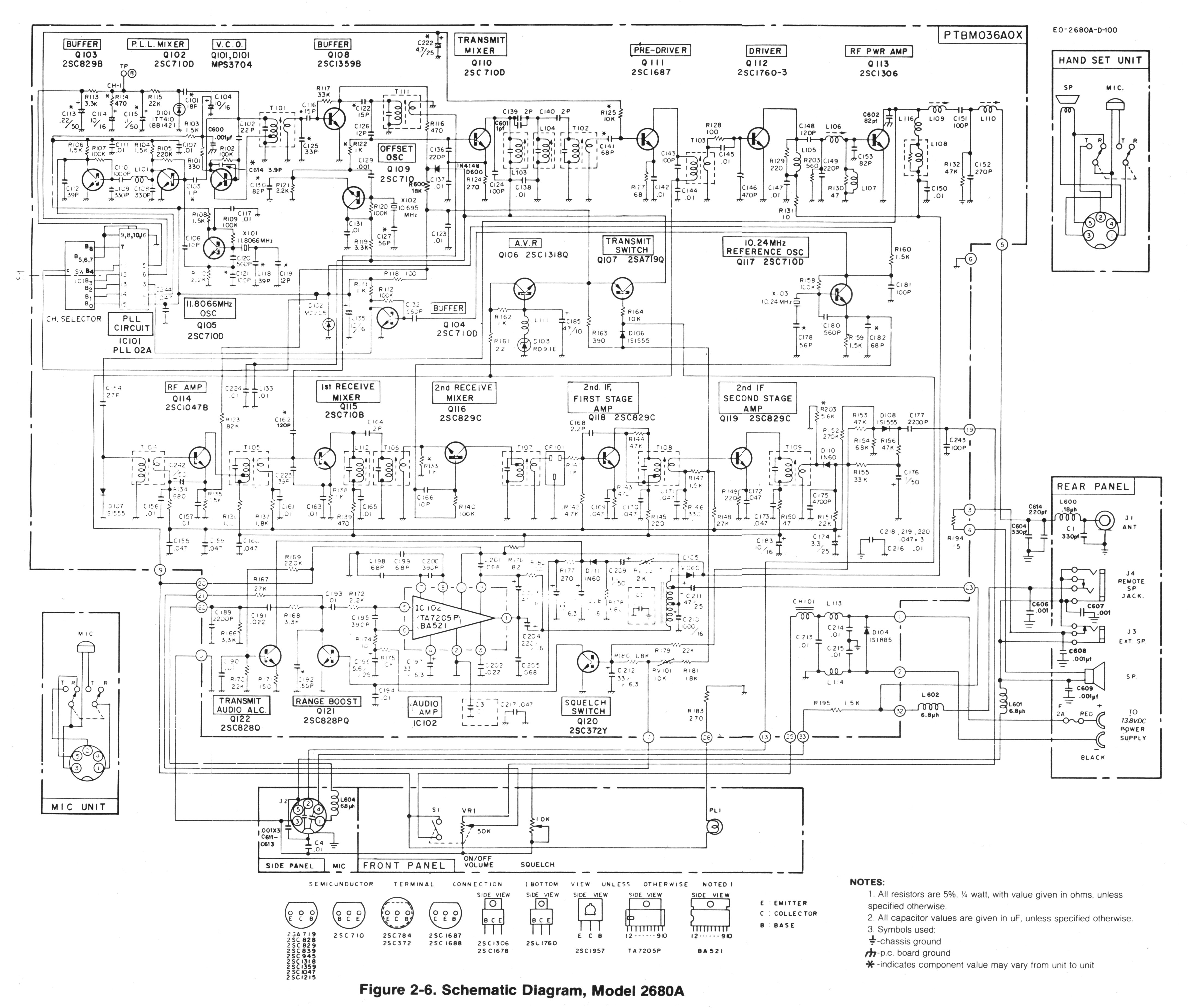
Model
2680A
Main
Schematic 
Main
Schematic
(11x17)
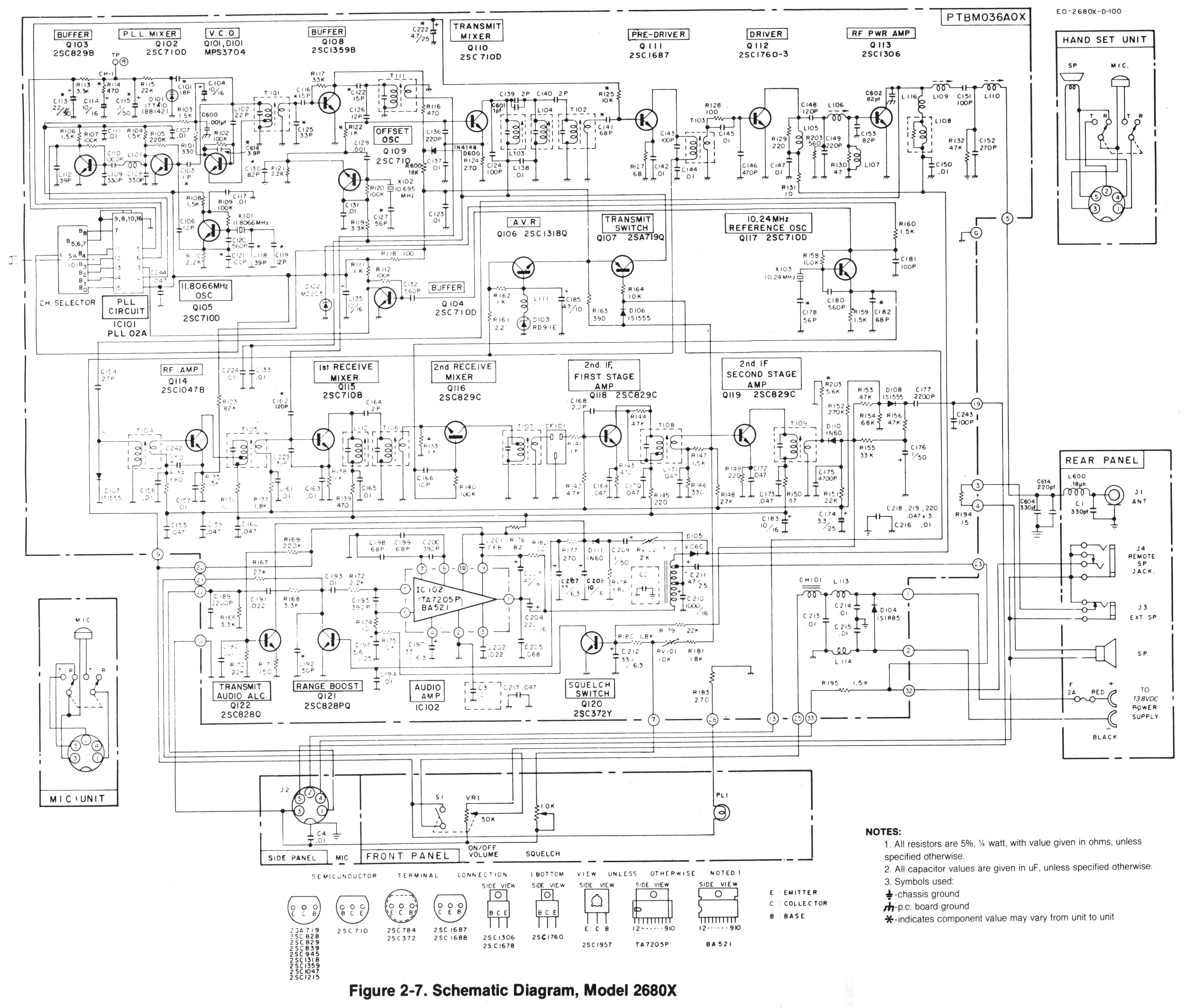
Model
2680X
Main
Schematic 
Main
Schematic
(11x17)
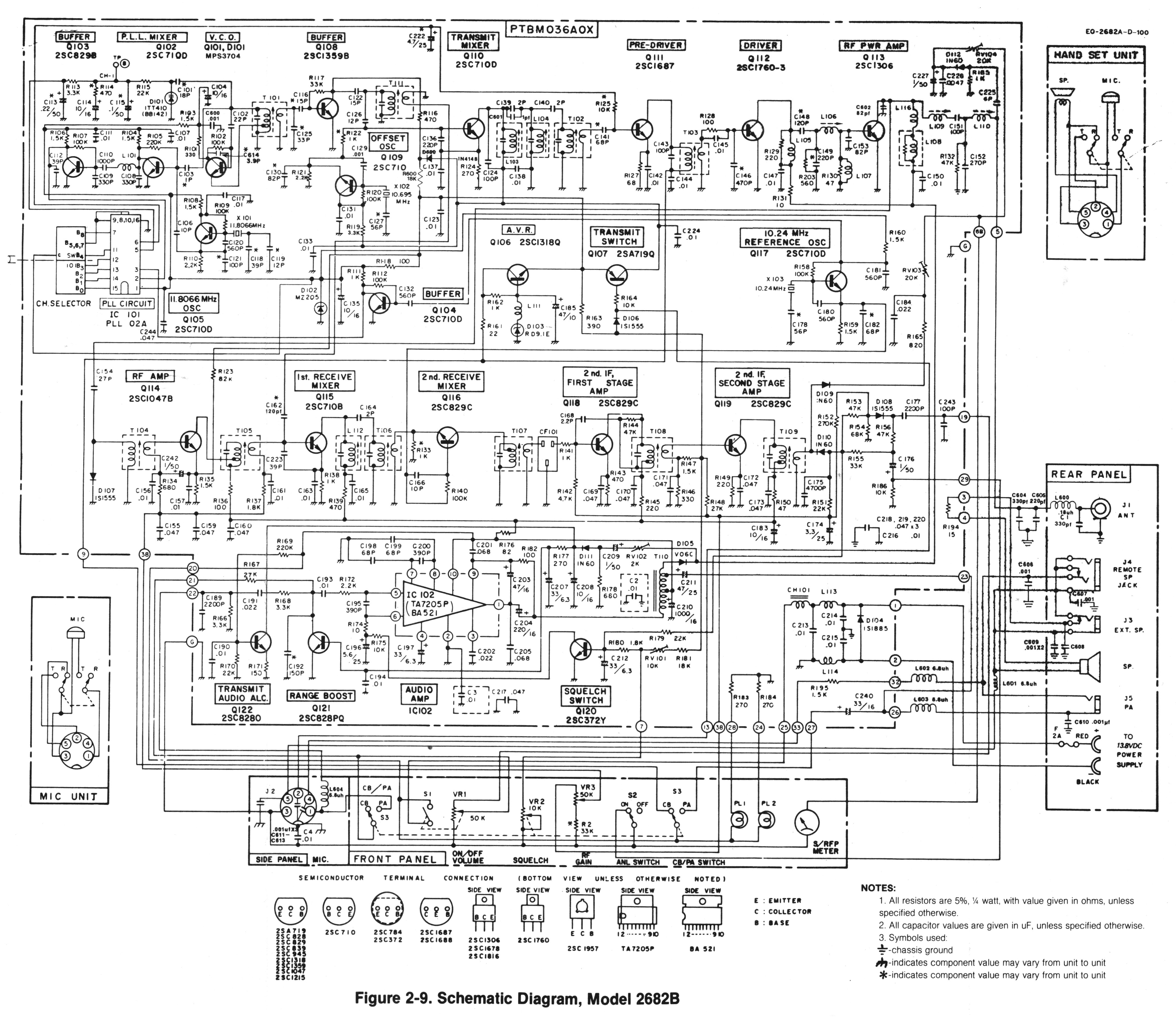
Model
2682B
Main
Schematic 
Main
Schematic
(11x17)
Model
2682X
Main
Schematic 
Main
Schematic
(11x17)
Model
2683A
Main
Schematic 
Main
Schematic
(11x17)
Model
2683X
Main
Schematic 
Main
Schematic
(11x17)
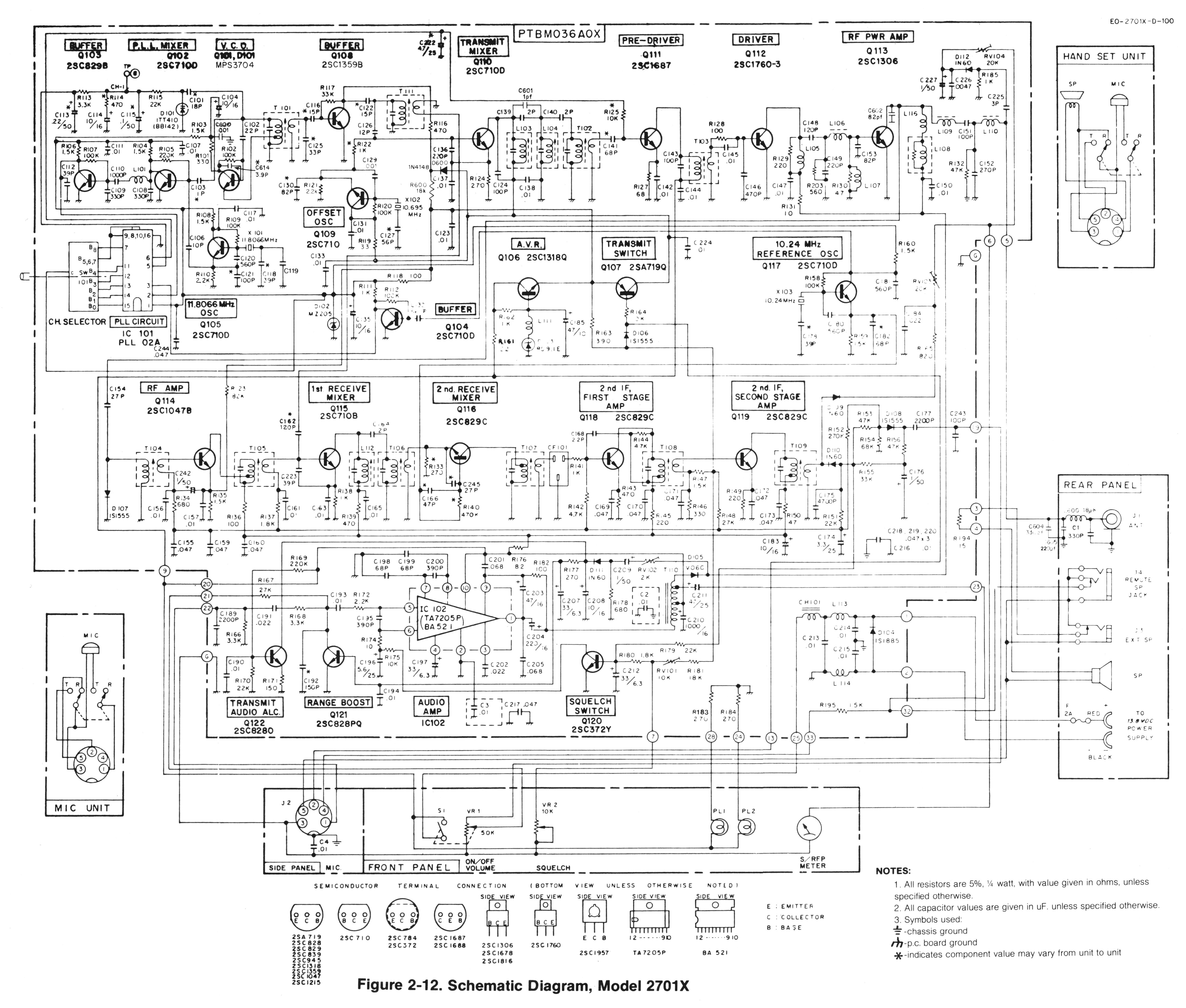
Model
2701X
Main
Schematic 
Main
Schematic
(11x17)
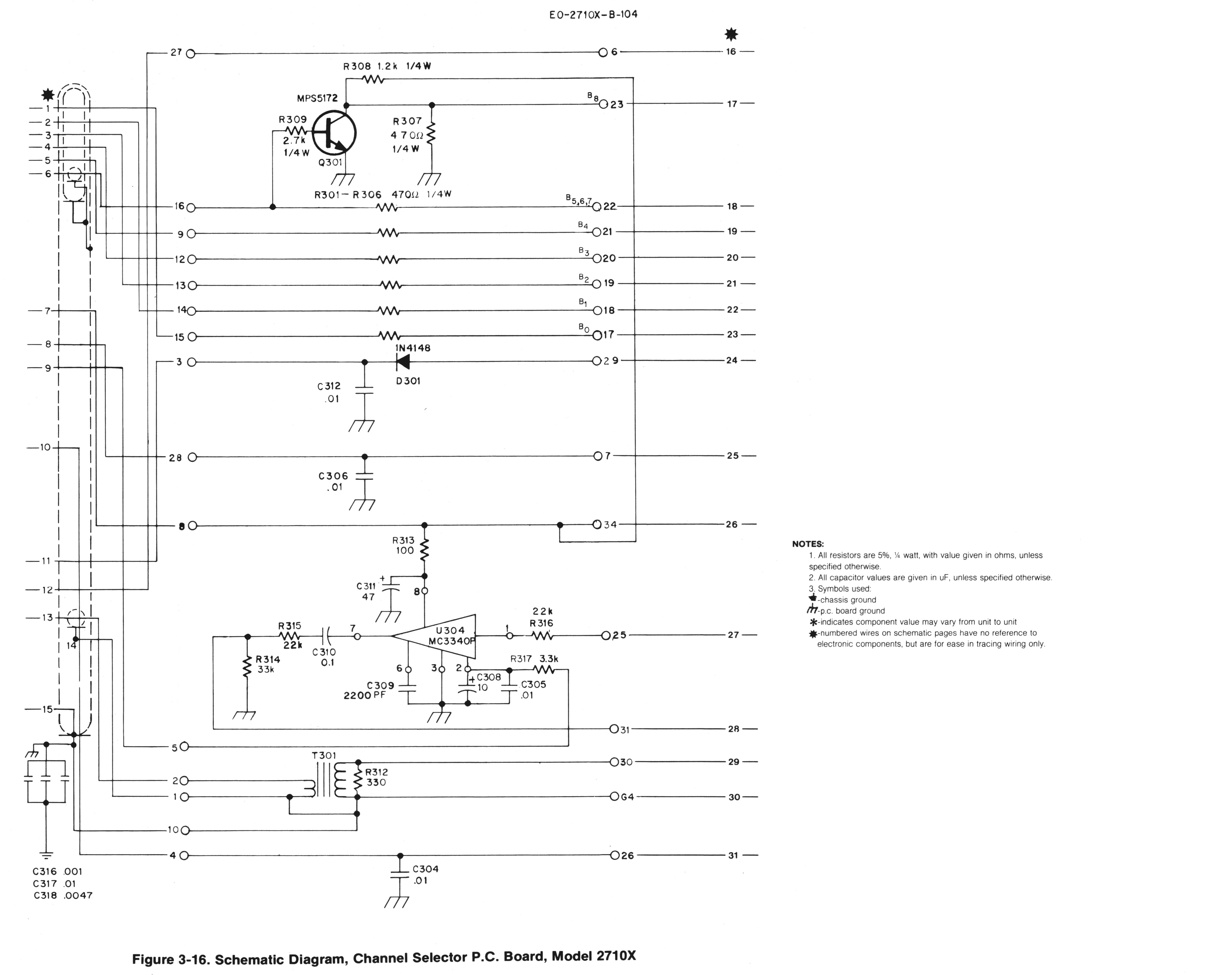
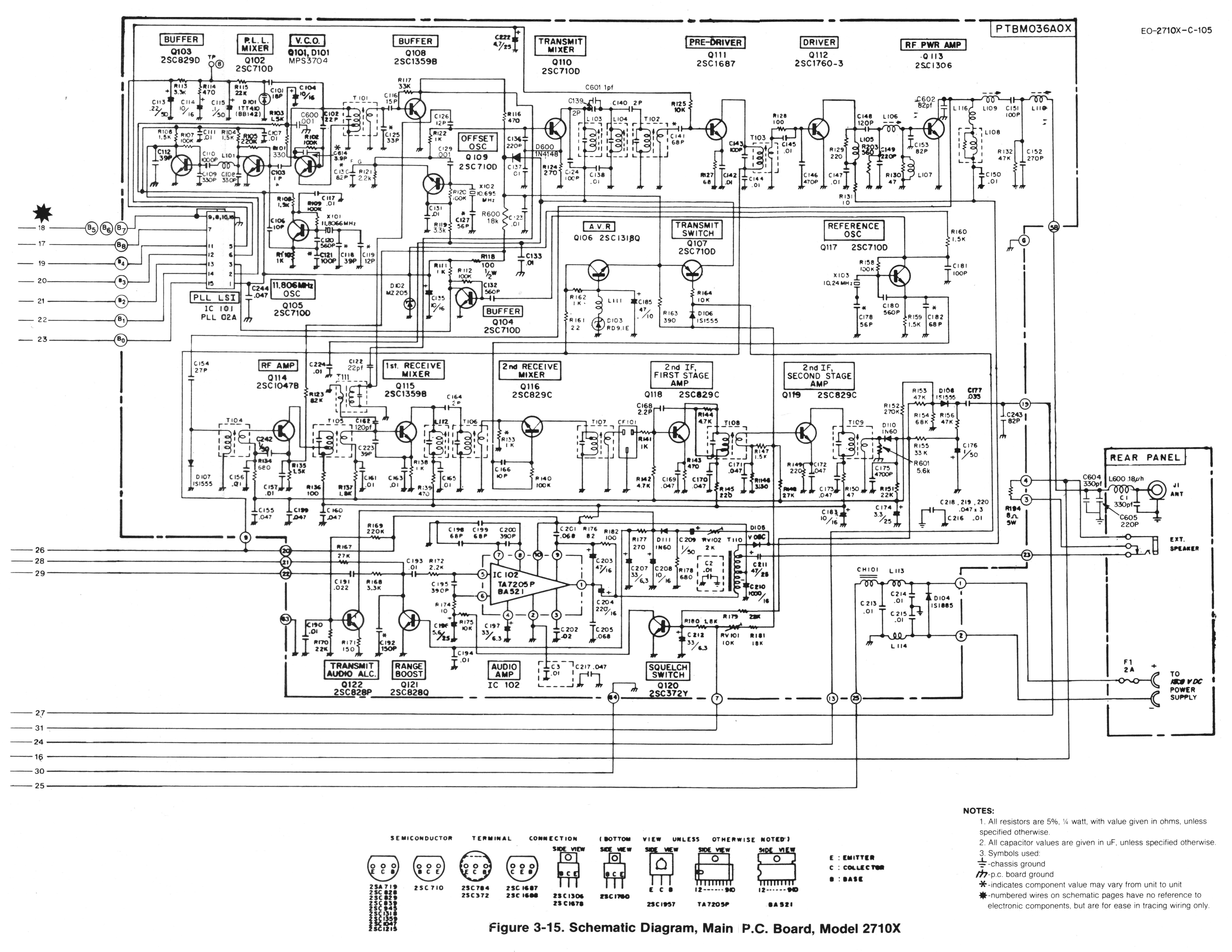
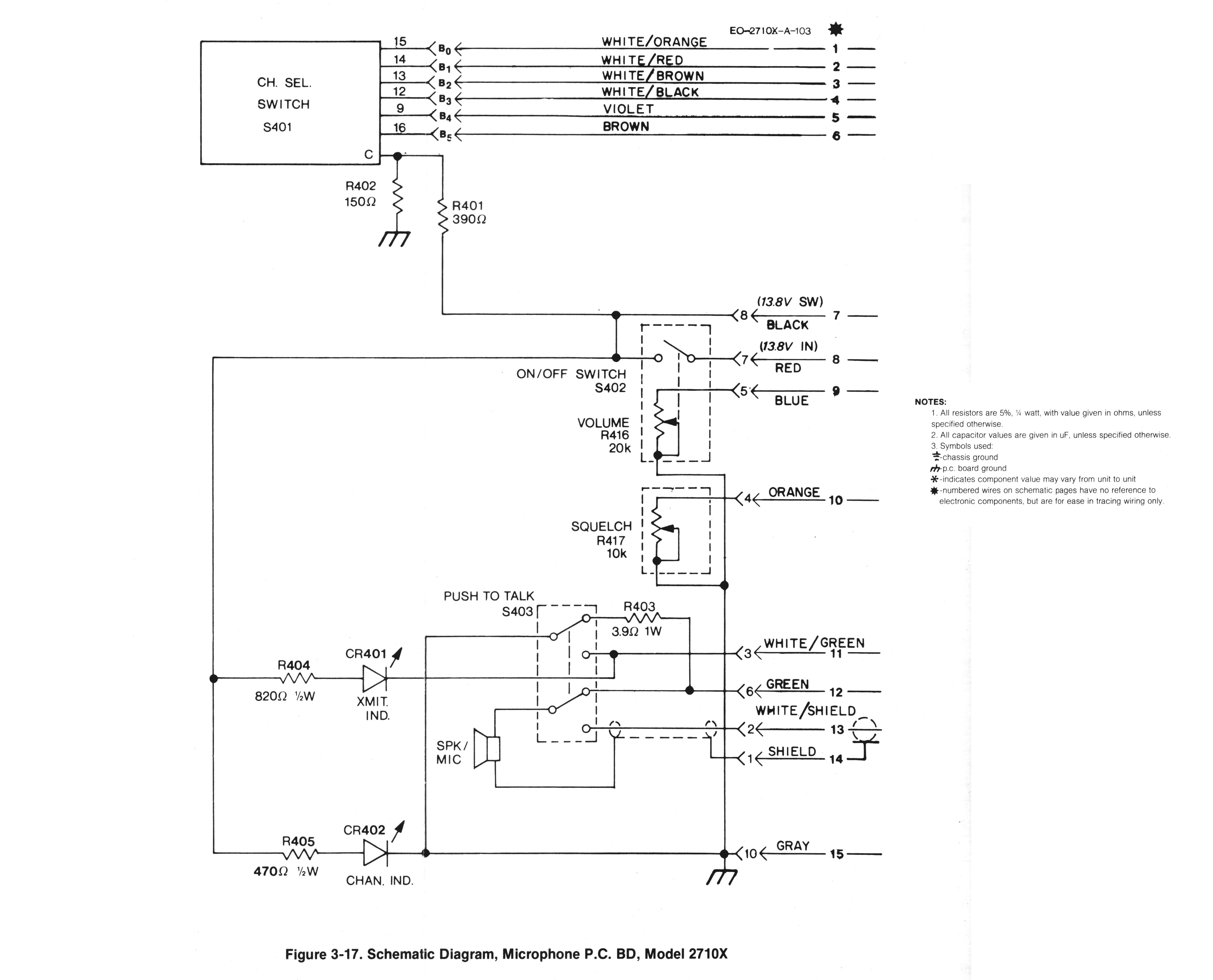
Model
2710X
Main
Schematic 
Channel
Sel Schematic 
Microphone
Schematic 
Main
Schematic
(11x17)
Channel
Sel Schematic
(11x17)
Microphone
Schematic
(11x17)
Model
3084B
Main
Schematic 
Main
Schematic
(11x17)
Model
3084X
Main
Schematic 
Main
Schematic
(11x17)
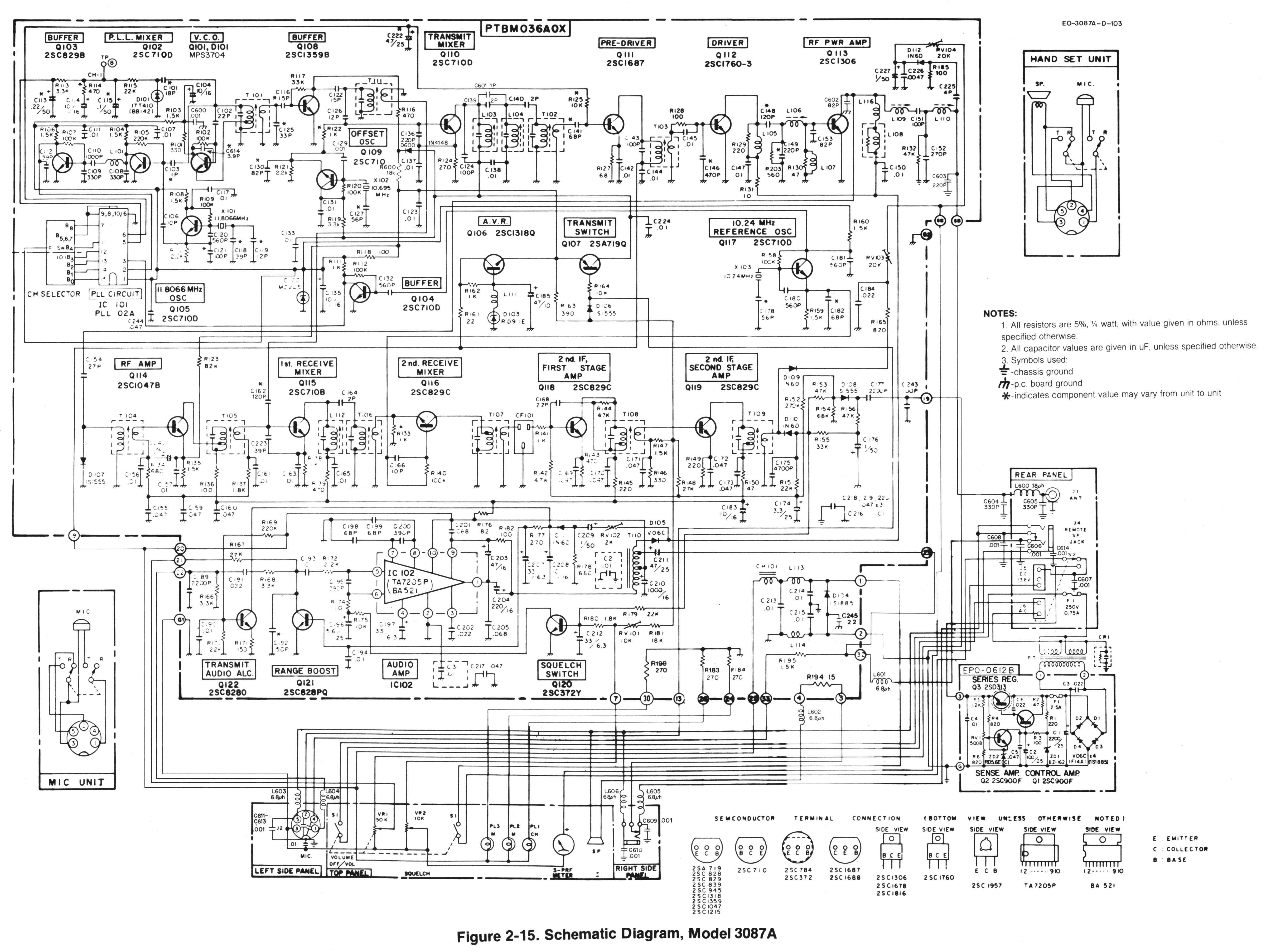
Model
3087A
Main
Schematic 
Main
Schematic
(11x17)
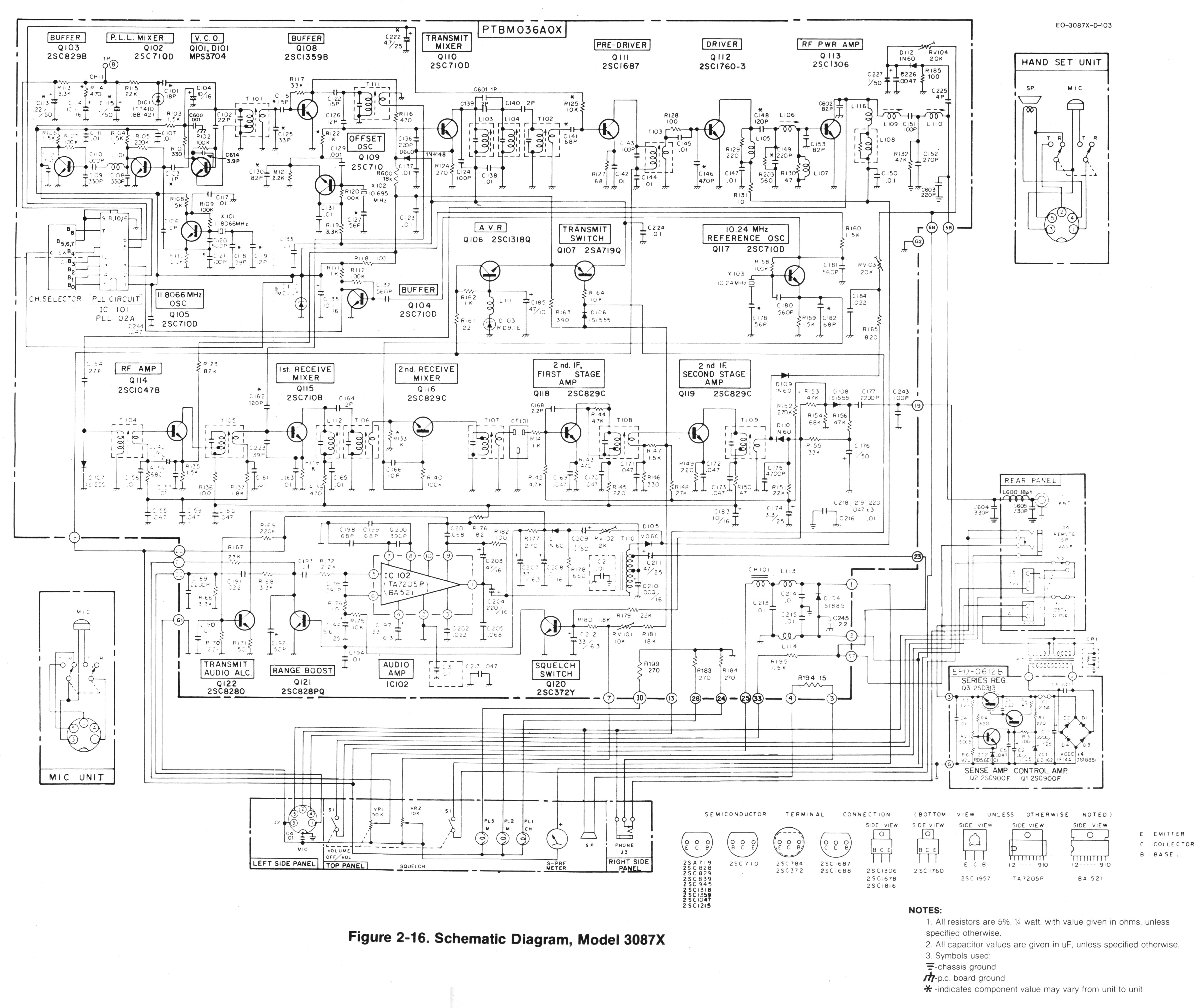
Model
3087X
Main
Schematic 
Main
Schematic
(11x17)
|