Maxon MX-21E
Documentation Project

CBTricks.com

TIPS:
You need to have Acrobat Reader version 5 or newer installed to view the files with icon.

If the files with or icon will not display see the Site FAQ for help on printing and using this information.


 

 

Alignment Information

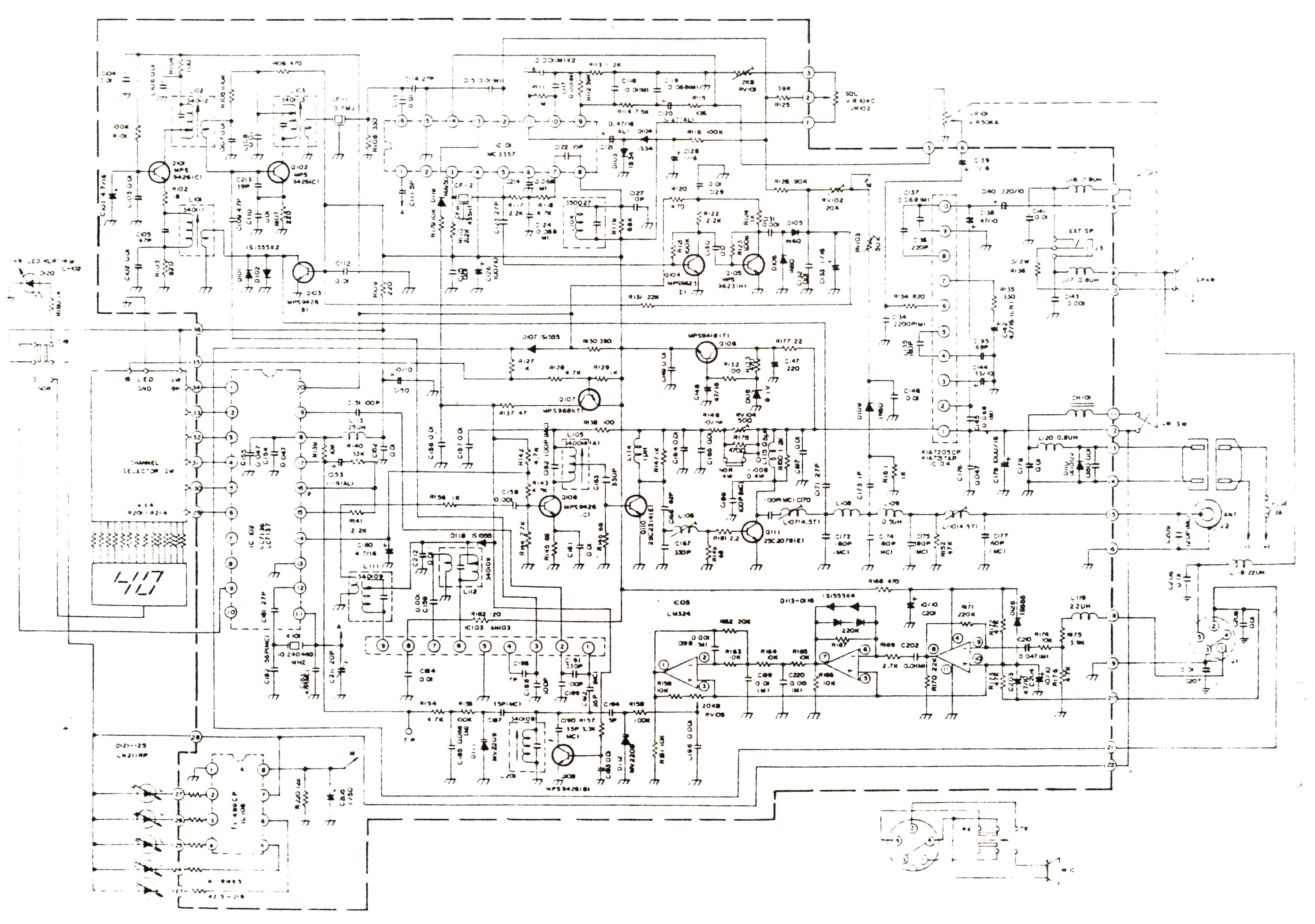
Diagrams (Courtesy of Tim Churston)
     Schematic Diagram
     Schematic Diagram
     Block Diagram

 


 



Copyright © 2003, 2004, 2005, 2006 CBTricks.com

Disclaimer: Although the greatest care has been taken while compiling these documents,

we cannot guarantee that the instructions will work on every radio presented.