Midland 13-870D
Documentation Project

CBTricks.com

TIPS:
You need to have Acrobat Reader version 5 or newer installed to view the files with icon.

If the files with or icon will not display see the Site FAQ for help on printing and using this information.



Factory Service Manual
      Service Manual

DIAGRAMS
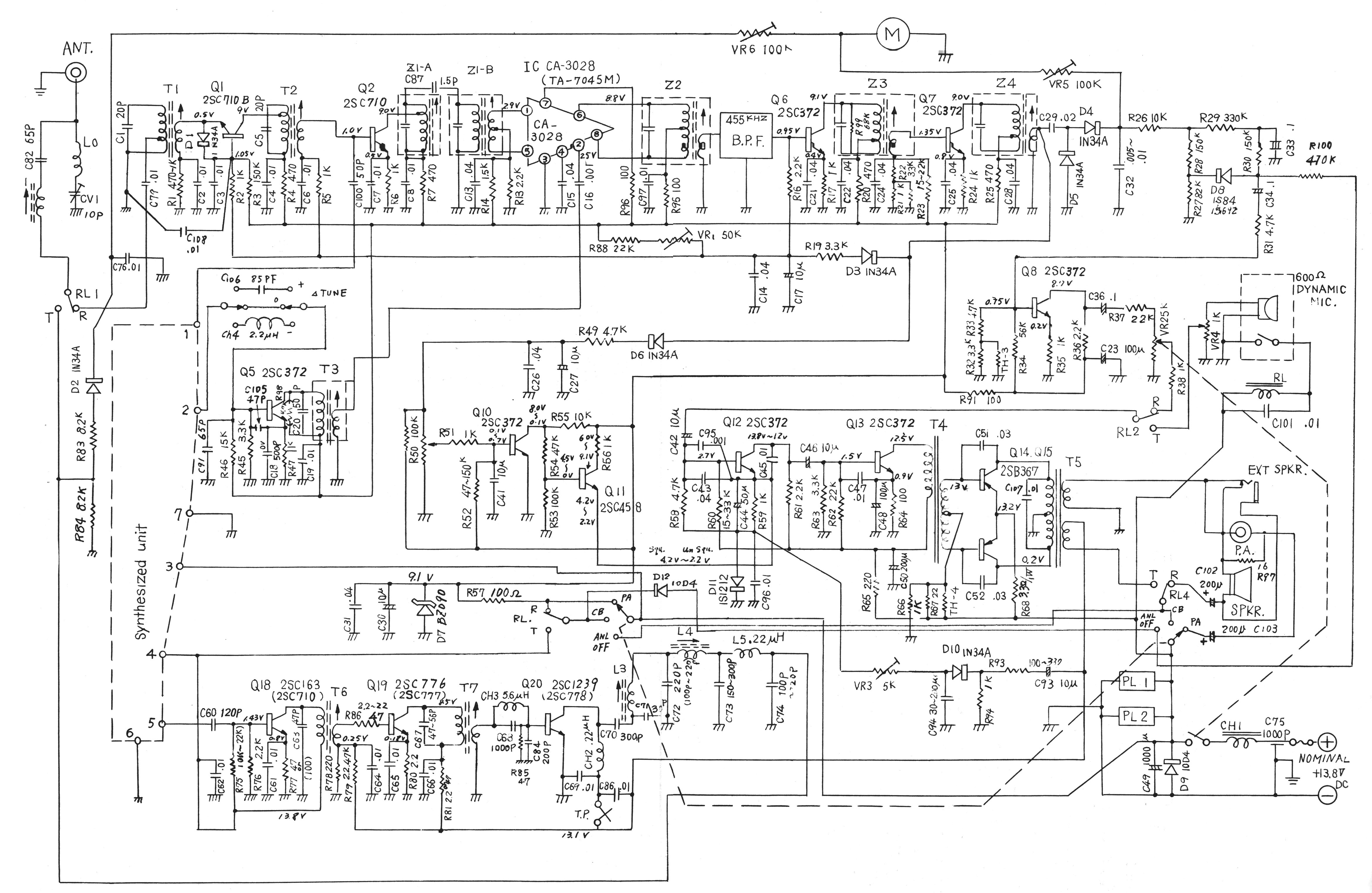
      Schematic Diagram Page 7 and 8 (11x17)
      Schematic Diagram Page 7 and 8

      PCB Layout Page 5 and 6 (11x17)
      Exploded View Drawing Page 9 and 10


 



Copyright © 1998, 1999, 2000, 2001, 2002, 2003, 2004, 2005 CBTricks.com

Disclaimer: Although the greatest care has been taken while compiling these documents,

we cannot guarantee that the instructions will work on every radio presented.