Midland 13-871
Documentation Project

CBTricks.com

TIPS:
You need to have Acrobat Reader version 5 or newer installed to view the files with icon.

If the files with or icon will not display see the Site FAQ for help on printing and using this information.



Manuals
    Owner's Manual Page 1 to 6
    Owner's Manual Page 7 to 12

Service Manual

Diagrams
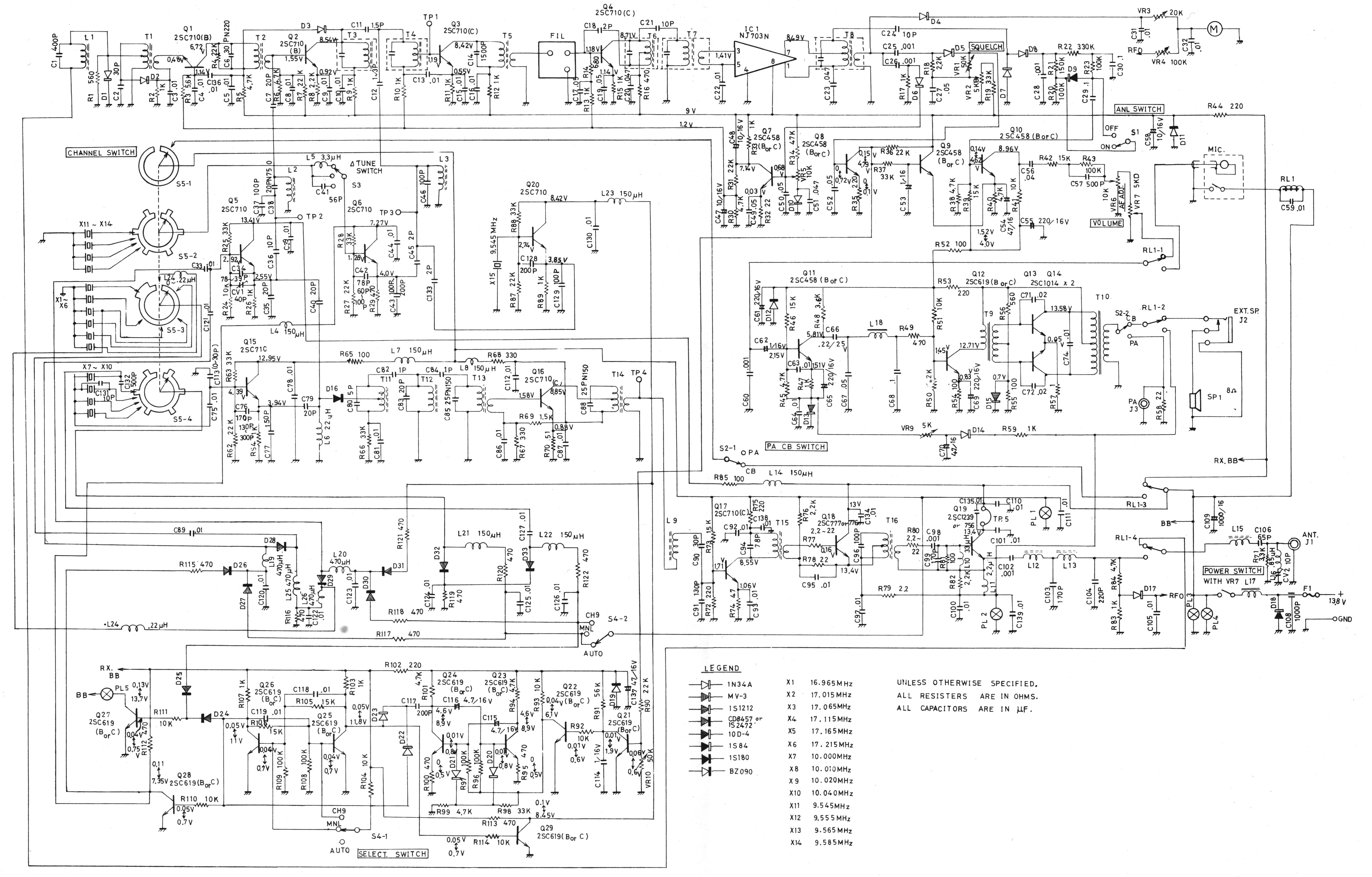
    Schematic
    Schematic

    Schematic (Service Manual)
    Schematic (Service Manual)
    Chassis View (Service Manual)

 

 

 



Copyright © 1998, 1999, 2000, 2001, 2002, 2003, 2004, 2005 CBTricks.com

Disclaimer: Although the greatest care has been taken while compiling these documents,

we cannot guarantee that the instructions will work on every radio presented.