Midland 3001
Documentation Project

CBTricks.com

TIPS:
You need to have Acrobat Reader version 5 or newer installed to view the files with icon.

If the files with or icon will not display see the Site FAQ for help on printing and using this information.



 

ALIGNMENT PROCEDURES (Courtesy of Rick Jackson)
    PLL Alignment
    Transmitter Alignment
    Receiver Alignment

Diagrams (Courtesy of Rick Jackson)
Re-drawn updated and corrected
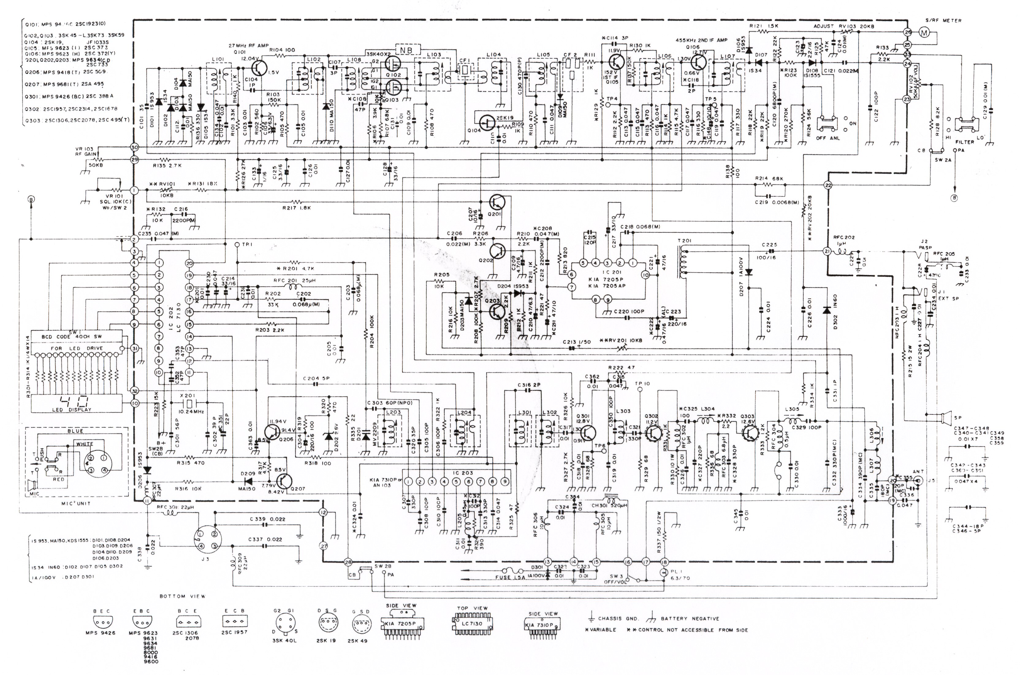
    Schematic Diagram
    Chassis Wiring Diagram
    Main PCB Layout Top View
    Main PCB Layout Bottom View
    Block Diagram

    Schematic Diagram (From Owner's Manual)
    Schematic Diagram (From Owner's Manual)
(Courtesy of Tim Churston)

 



Copyright © 1998, 1999, 2000, 2001, 2002, 2003, 2004, 2005 CBTricks.com

Disclaimer: Although the greatest care has been taken while compiling these documents,

we cannot guarantee that the instructions will work on every radio presented.