Midland 77-805 (UK)
Documentation Project

CBTricks.com

TIPS:
You need to have Acrobat Reader version 5 or newer installed to view the files with icon.

If the files with or icon will not display see the Site FAQ for help on printing and using this information.



Service Manual (Courtesy of Tim Churston)

 

Diagrams
     Re-drawn updated and corrected
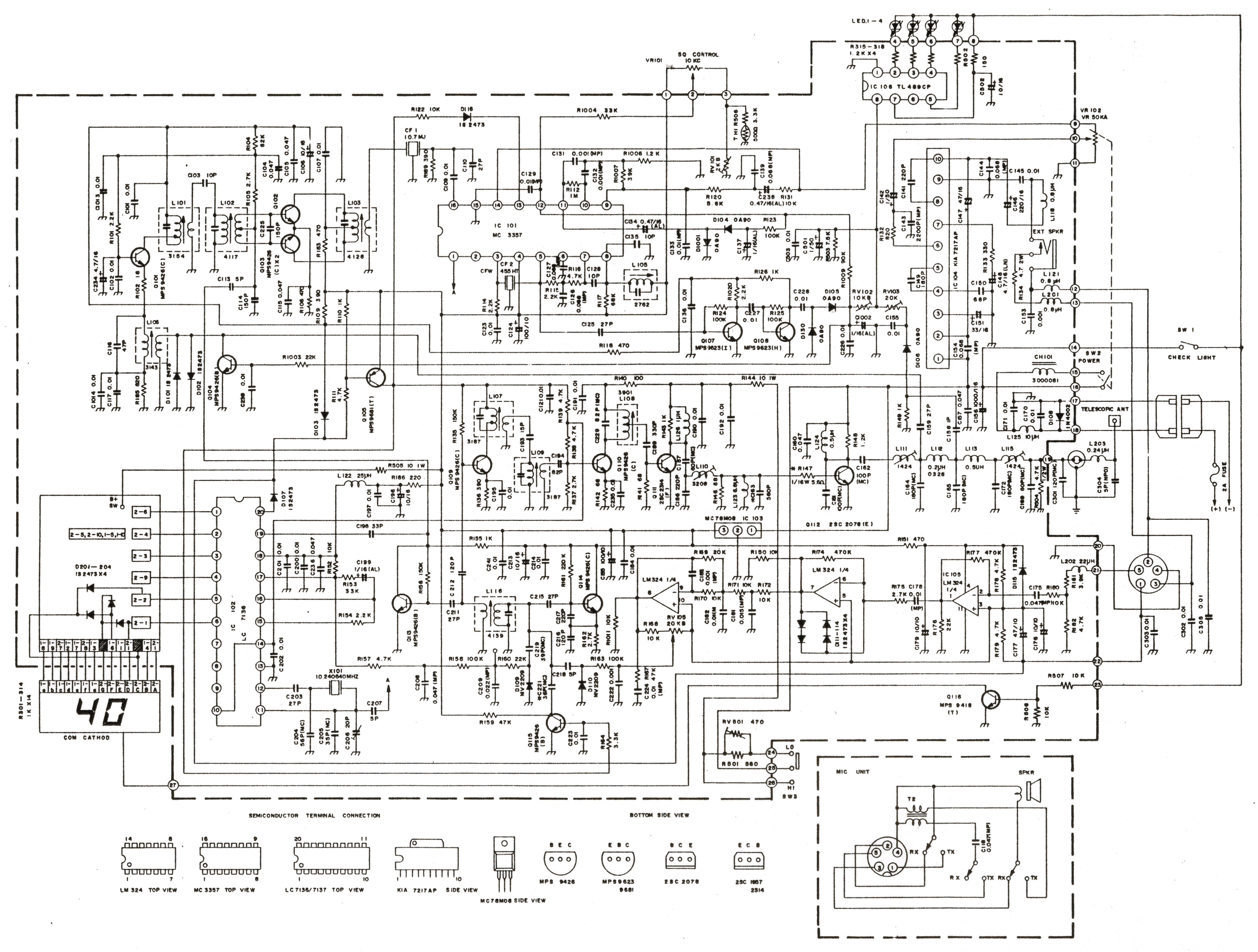
     Schematic Diagram (Courtesy of Rick Jackson)

     Schematic Diagram (From the Service Manual)
     Schematic Diagram (From the Service Manual)

 



Copyright © 1998, 1999, 2000, 2001, 2002, 2003, 2004, 2005 CBTricks.com

Disclaimer: Although the greatest care has been taken while compiling these documents,

we cannot guarantee that the instructions will work on every radio presented.