Realistic TRC-24 (21-124)
Documentation Project

CBTricks.com

TIPS:
You need to have Acrobat Reader version 5 or newer installed to view the files with icon.

If the files with or icon will not display see the Site FAQ for help on printing and using this information.



Factory Service Manual
     Page 1 to 11

DIAGRAMS
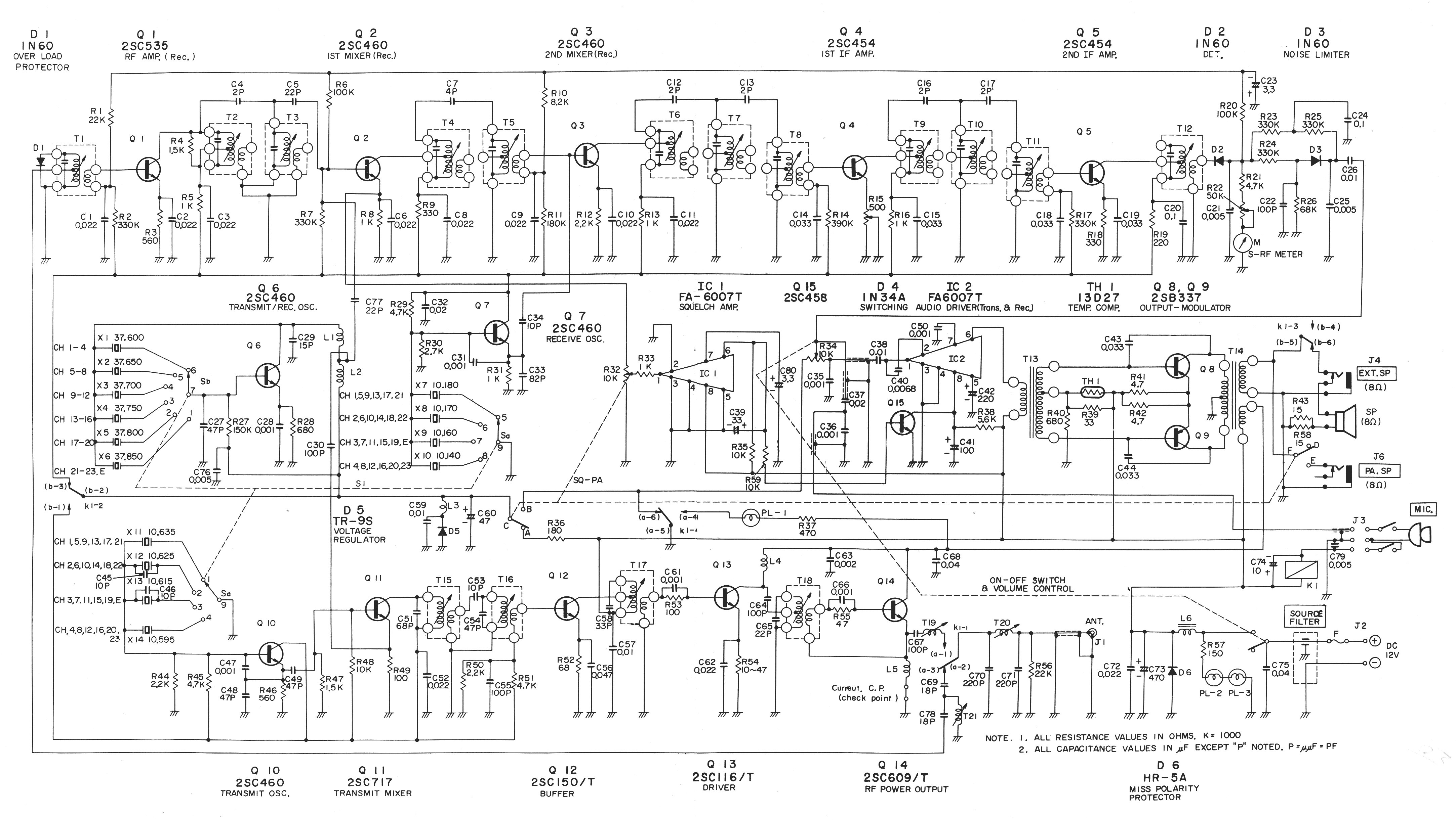
     Schematic Page 7 and 8 (11x17)
     Schematic
     PCB Layout Page 9 and 10 (11x17)


 

 

Mic Wiring

Stock
1- Shield
2- N/C
3- Transmit
4- Audio
5- Receive

Astatic (4 wire)
1- Shield
2- N/C
3- Red
4- White
5- Black

Astatic (6 wire)
1- Shield & Blue
2- N/C
3- Red
4- White
5- Black
Yellow NC

Daiwa EM-500
Cobra CA Series

1- Shield & Black
2- N/C
3- White
4- Red
5- Blue

Galaxy DC-521S (4 wire)
1- Shield
2- N/C
3- Red
4- Yellow
5- Black

Galaxy CB-660EI
1- Shield & Black
2- N/C
3- Red
4- White
5- Blue

Sadelta
1- Shield
2- N/C
3- Brown
4- White
5- Green

Turner
1- Shield & Red
2- N/C
3- Blue
4- White
5- Black
Yellow NC



Copyright © 1998, 1999, 2000, 2001, 2002, 2003, 2004, 2005 CBTricks.com

Disclaimer: Although the greatest care has been taken while compiling these documents,

we cannot guarantee that the instructions will work on every radio presented.