Realisitic
TRC-435
Documentation Project
CBTricks.com
Integrated Circuits Internal Diagrams
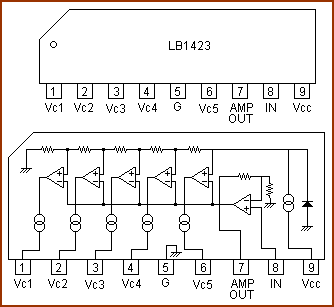
LB1423
LED Meter Driver

SM5124A
PLL Frequency Synthesizer

L7808

Disclaimer: Although the greatest care has been taken while compiling these documents,
we cannot guarantee that the instructions will work on every radio presented.