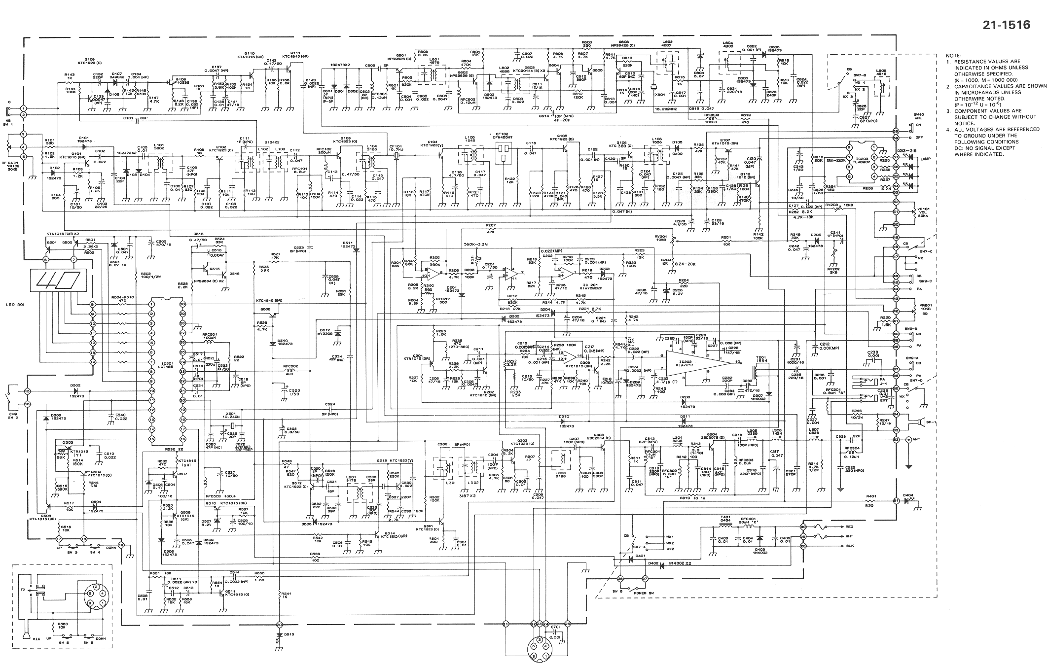
Realisitic TRC-476
Documentation Project

CBTricks.com

TRC-476 Schematic Diagram