Royce 1-653B
Documentation Project

CBTricks.com

TIPS:
You need to have Acrobat Reader version 5 or newer installed to view the files with icon.

If the files with or icon will not display see the Site FAQ for help on printing and using this information.



Manuals
    Service Manual

    Module Service Information

     Owner's Manual
     Alignment Instructions
     Voltage Chart

Diagrams
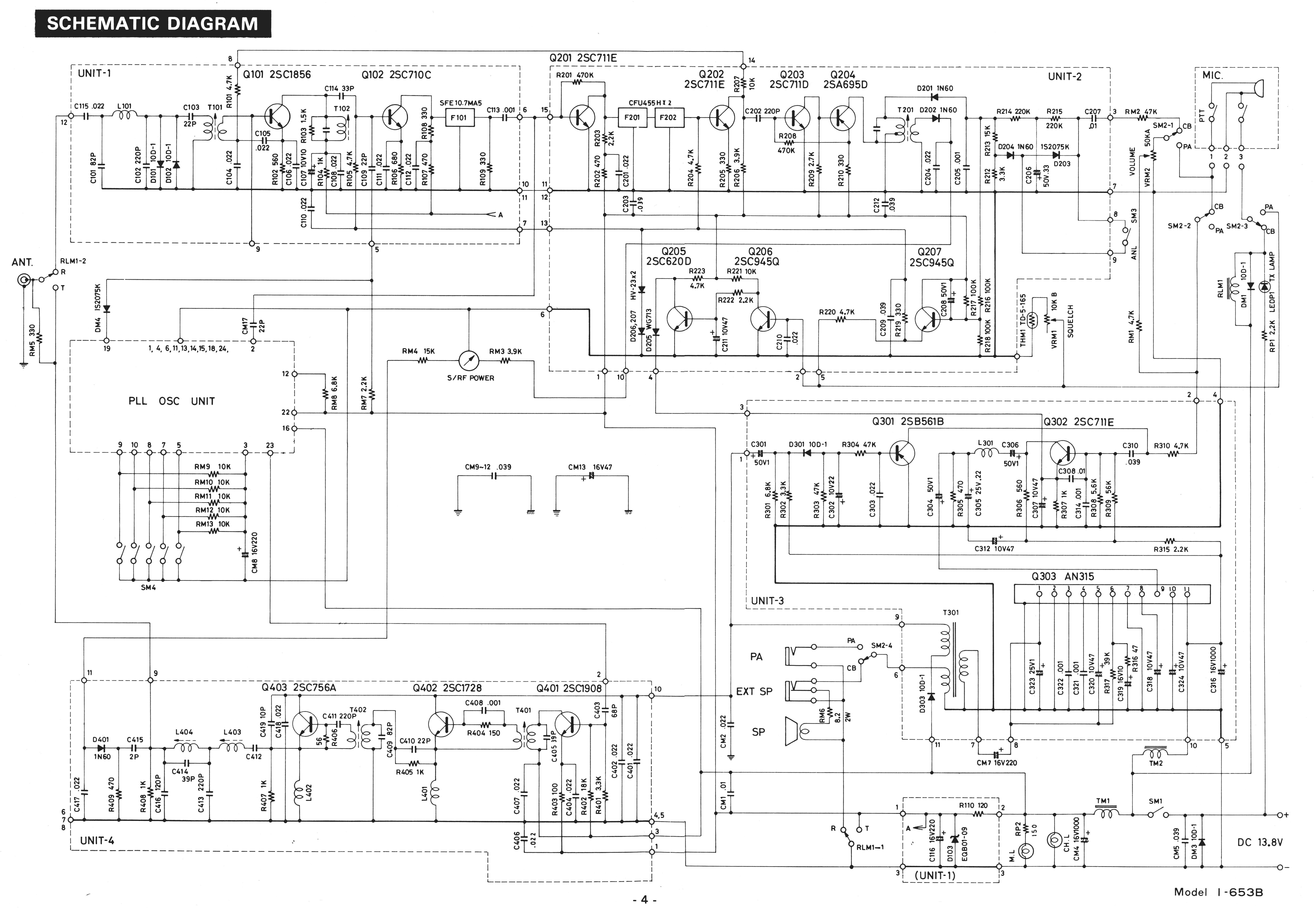
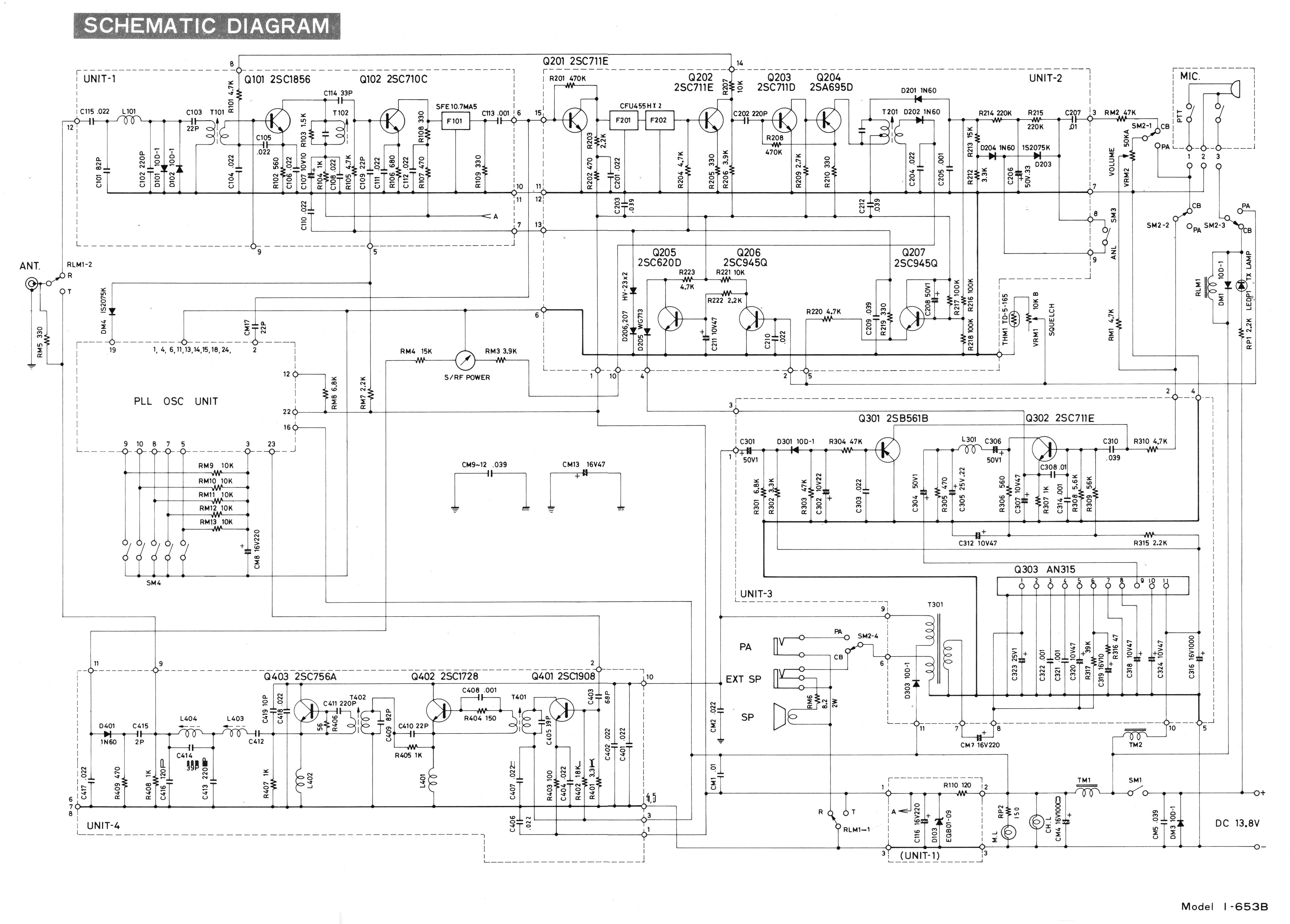
    Schematic Diagram (Service Manual)
    Schematic Diagram (Service Manual)
    Schematic (Owner's Manual)
    Schematic (Owner's Manual)

 



Copyright © 1998, 1999, 2000, 2001, 2002, 2003, 2004, 2005, 2006 CBTricks.com

Disclaimer: Although the greatest care has been taken while compiling these documents,

we cannot guarantee that the instructions will work on every radio presented.