LCM8 (Land Command)
Documentation Project

CBTricks.com

TIPS:
You need to have Acrobat Reader version 5 or newer installed to view the files with icon.

If the files with or icon will not display see the Site FAQ for help on printing and using this information.


Click picture to see close-up

Manuals

Factory Service Manual
    Page 1 to 14
    Page 15 to 29
    Page 30 to 41

Diagrams
    Schematic Diagram Main
    Schematic Diagram Main

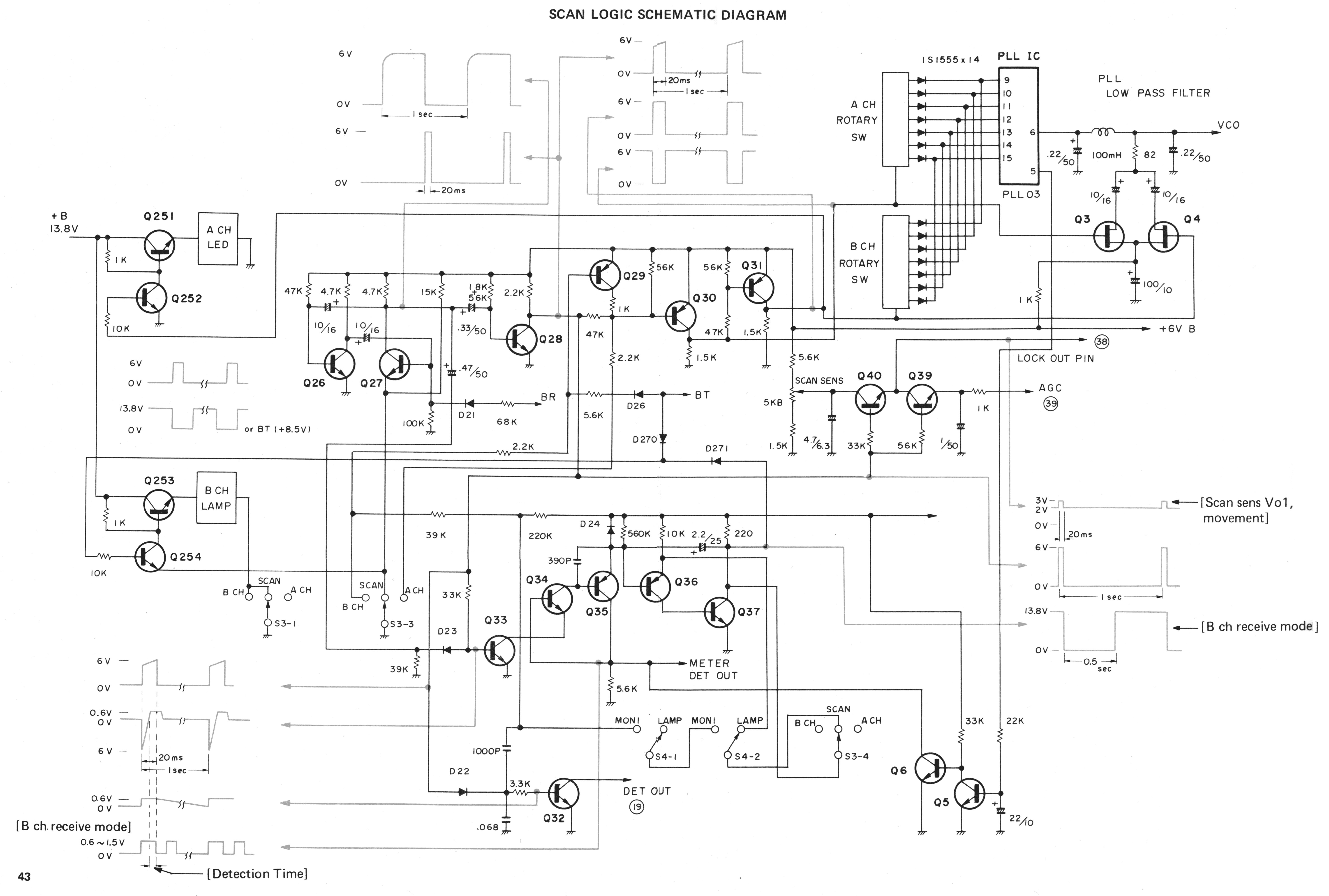
    Schematic Diagram Scan Logic
    Schematic Diagram Scan Logic

 



Copyright © 1998, 1999, 2000, 2001, 2002, 2003, 2004, 2005, 2006 CBTricks.com

Disclaimer: Although the greatest care has been taken while compiling these documents,

we cannot guarantee that the instructions will work on every radio presented.