SBE-21CB (Cortez)
Documentation Project

CBTricks.com

TIPS:
You need to have Acrobat Reader version 5 or newer installed to view the files with icon.

If the files with or icon will not display see the Site FAQ for help on printing and using this information.


Click picture to see close-up

Vintage Advertising

Manuals
    Owner's Manual
    Page 1 to 10
    Page 11 to 19

Service Manual
    Page 1 to 12
    Page 13 to 26
    Voltage Chart

Diagrams
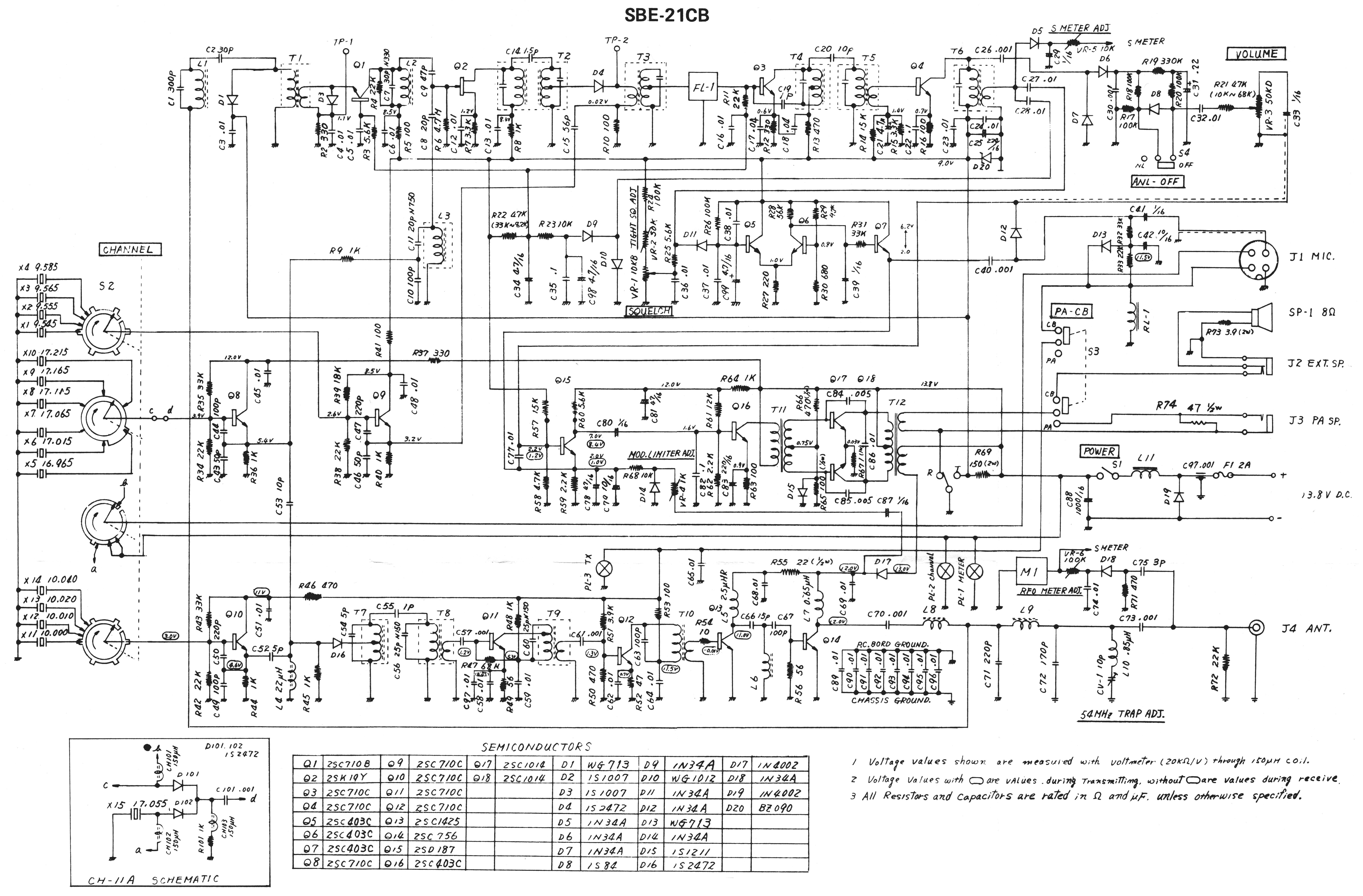
    Schematic Diagram (Service Manual)
    Schematic Diagram (Service Manual)


    Schematic Diagram (Owner's Manual)
    Schematic Diagram (Owner's Manual)
    PCB Layouts


 



Copyright © 1998, 1999, 2000, 2001, 2002, 2003, 2004, 2005, 2006 CBTricks.com

Disclaimer: Although the greatest care has been taken while compiling these documents,

we cannot guarantee that the instructions will work on every radio presented.