SBE-23CB (Capri II)
Documentation Project

CBTricks.com

TIPS:
You need to have Acrobat Reader version 5 or newer installed to view the files with icon.

If the files with or icon will not display see the Site FAQ for help on printing and using this information.



Vintage Advertising

Factory Service Manual
      Page 1 to 10
      Page 11 to 22
      Voltage Chart

Diagrams (From Service Manual)
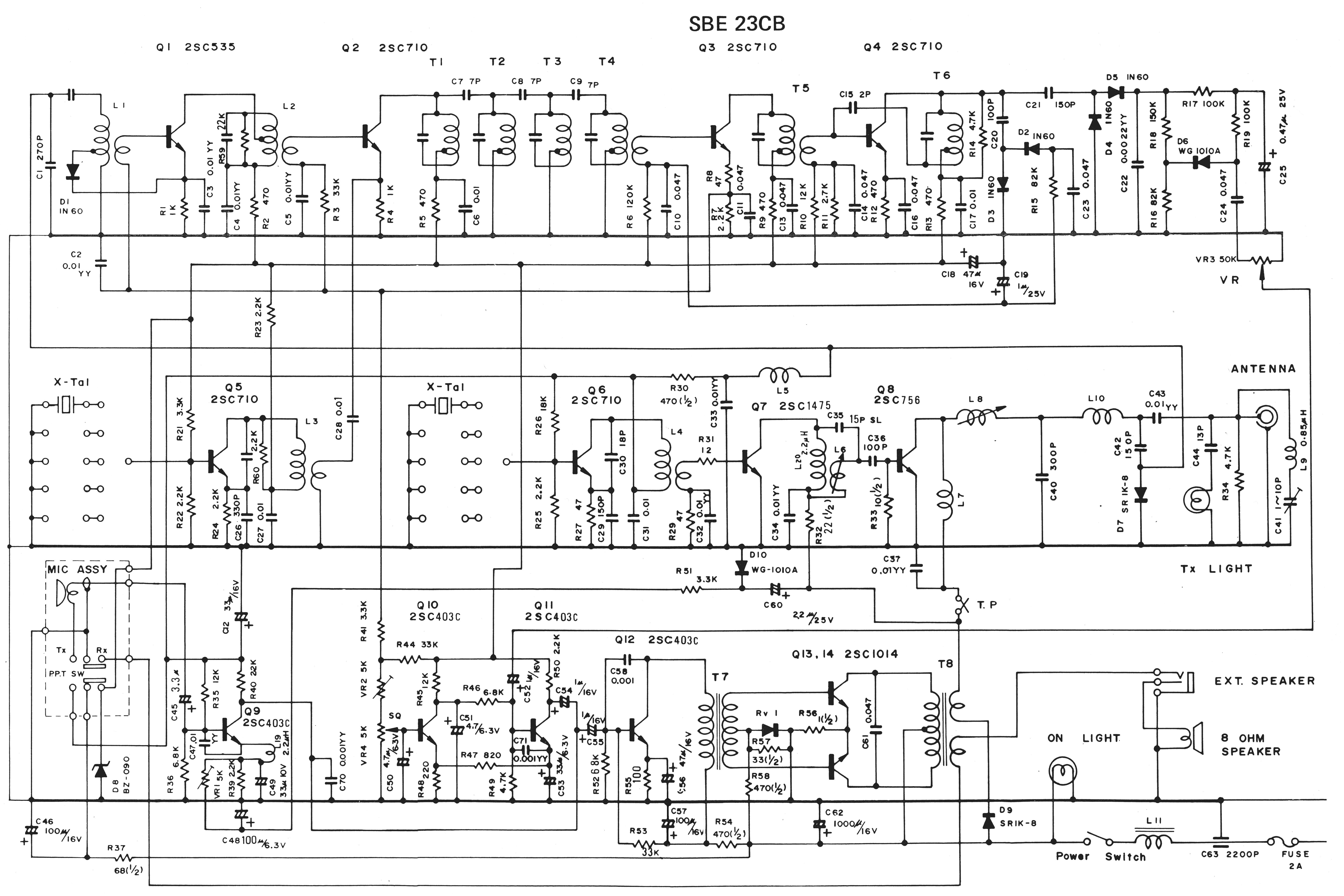
     Schematic Diagram
     Schematic Diagram
     PCB Layout
     Chassis Wiring


 



Copyright © 1998, 1999, 2000, 2001, 2002, 2003, 2004, 2005, 2006 CBTricks.com

Disclaimer: Although the greatest care has been taken while compiling these documents,

we cannot guarantee that the instructions will work on every radio presented.