SBE-26CB (Formula D)
Documentation Project

CBTricks.com

TIPS:
You need to have Acrobat Reader version 5 or newer installed to view the files with icon.

If the files with or icon will not display see the Site FAQ for help on printing and using this information.



Vintage Advertising

Manuals
    Owner's Manual

Factory Service Manual
    Page 1 to 10
    Page 11 to 20
    Page 21 to 30
    Page 31 to 40
    Page 41 to 52

Diagrams
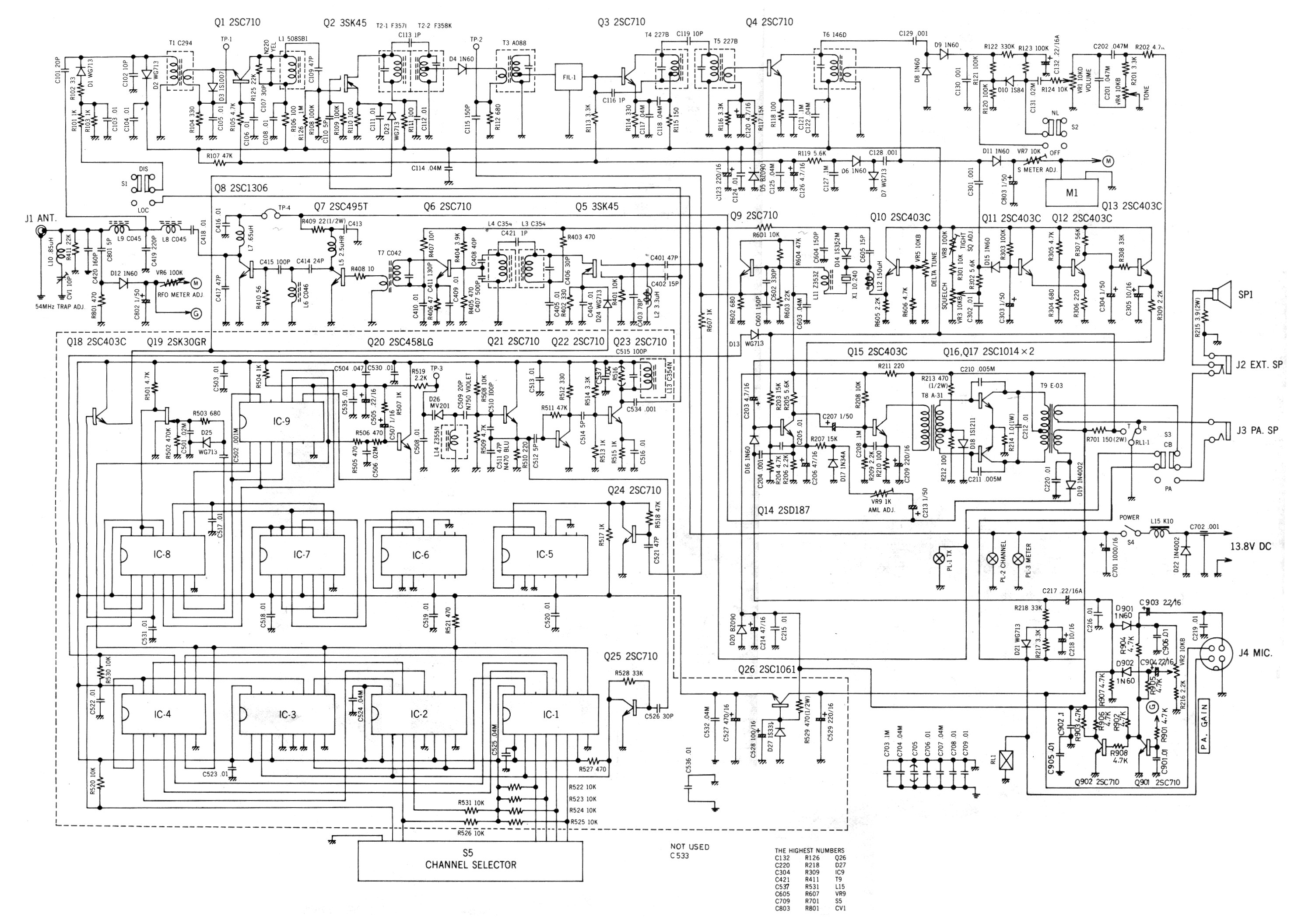
    Schematic Diagram
    Schematic Diagram
    PCB Layout

    Schematic Diagram
    Schematic Diagram

    Syn Schematic Diagram
    Syn Schematic Diagram


 



Copyright © 1998, 1999, 2000, 2001, 2002, 2003, 2004, 2005, 2006 CBTricks.com

Disclaimer: Although the greatest care has been taken while compiling these documents,

we cannot guarantee that the instructions will work on every radio presented.