SBE-27CB/A (Sidebander IV)
Documentation Project

CBTricks.com

TIPS:
You need to have Acrobat Reader version 5 or newer installed to view the files with icon.

If the files with or icon will not display see the Site FAQ for help on printing and using this information.

Pictures Of Radio


Click to see close-up

Owner's Manual
     Page 1 to 10
     Page 12 to 21

Service Manual

Diagrams
    Schematic Diagram (From Service Manual)
    Schematic Diagram (From Service Manual)
    Schematic Diagram (From Owner's Manual)
    Schematic Diagram (From Owner's Manual)

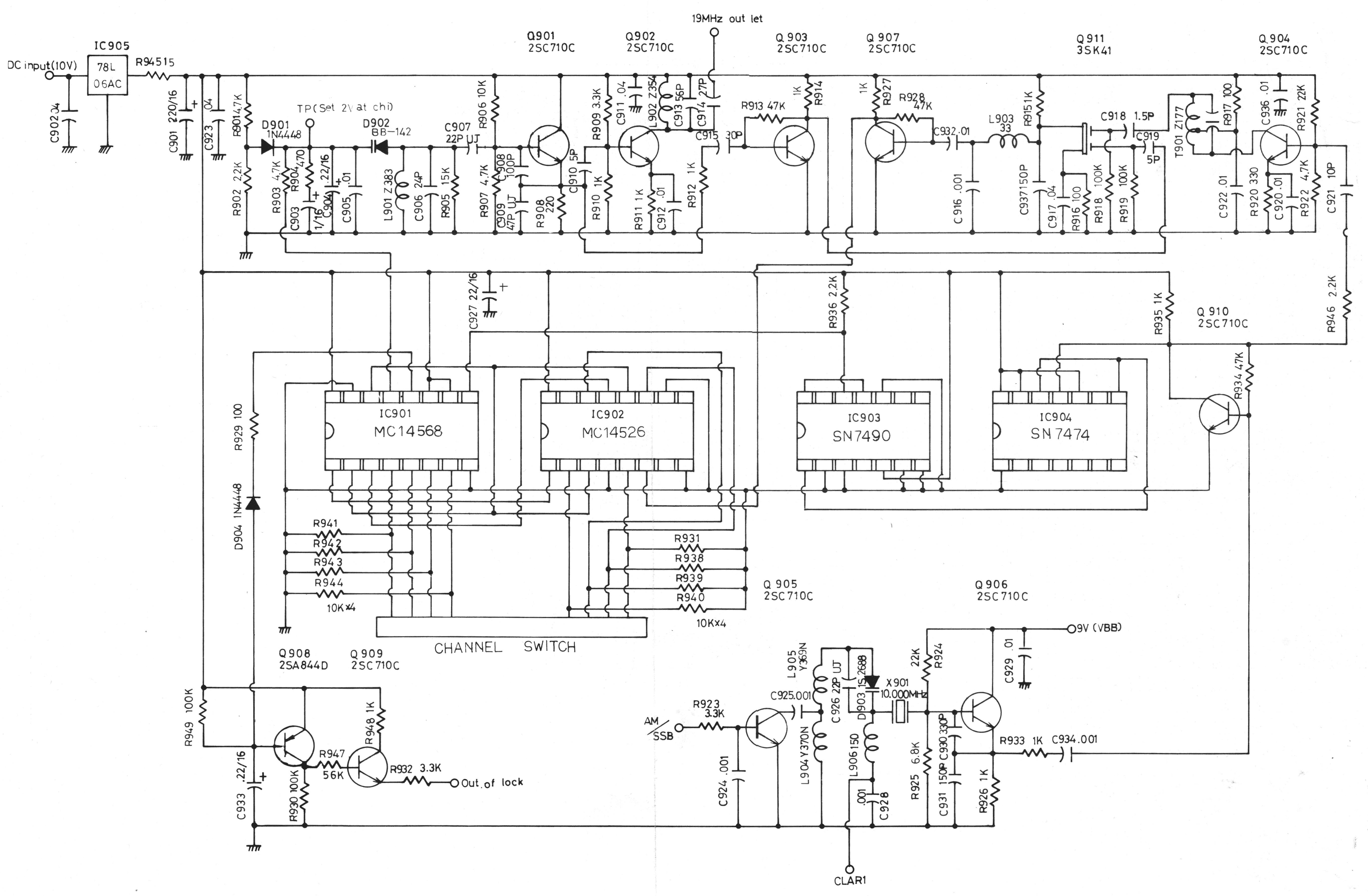
    Syn Schematic Diagram
    Syn Schematic Diagram

    PCB Layout

 



Copyright © 1998, 1999, 2000, 2001, 2002, 2003, 2004, 2005, 2006 CBTricks.com

Disclaimer: Although the greatest care has been taken while compiling these documents,

we cannot guarantee that the instructions will work on every radio presented.