Sonar FS-2340
Documentation Project

CBTricks.com

TIPS:
You need to have Acrobat Reader version 5 or newer installed to view the files with icon.

If the files with or icon will not display see the Site FAQ for help on printing and using this information.



Owner's Manual
     Owner's Manual

Diagrams
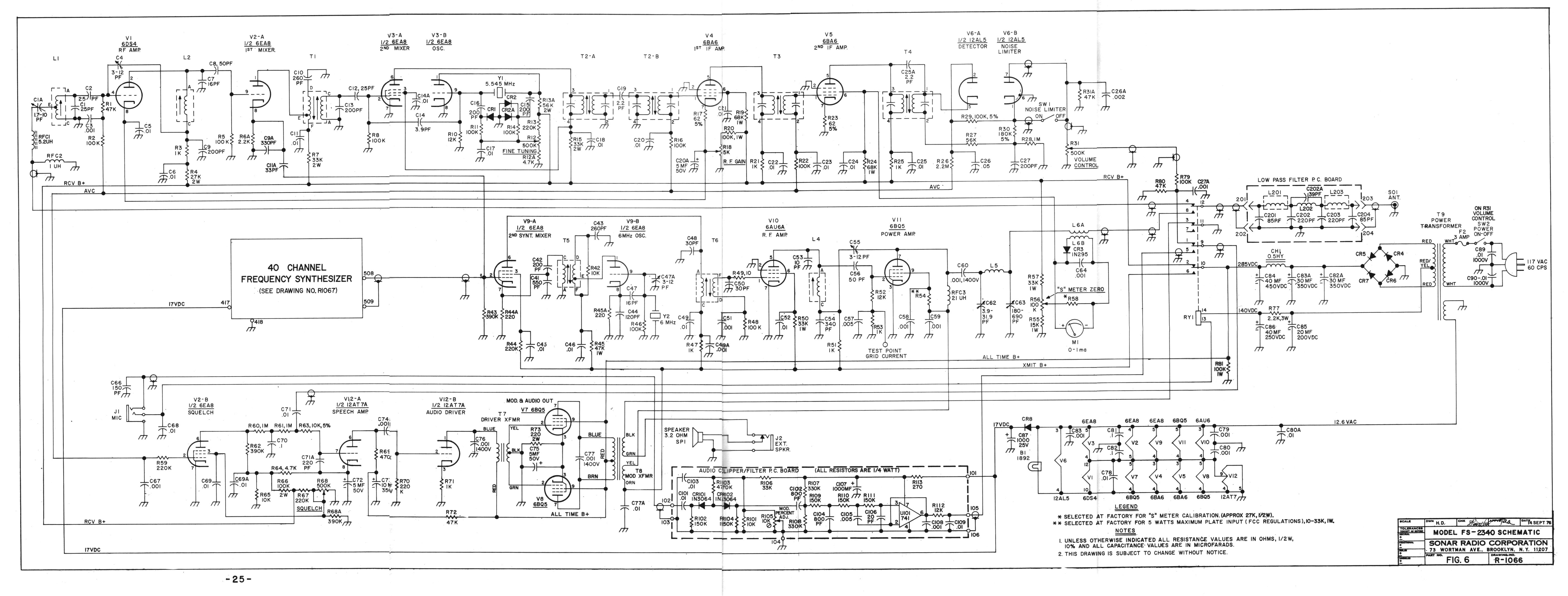
    Schematic Diagram Main
    Schematic Diagram Main
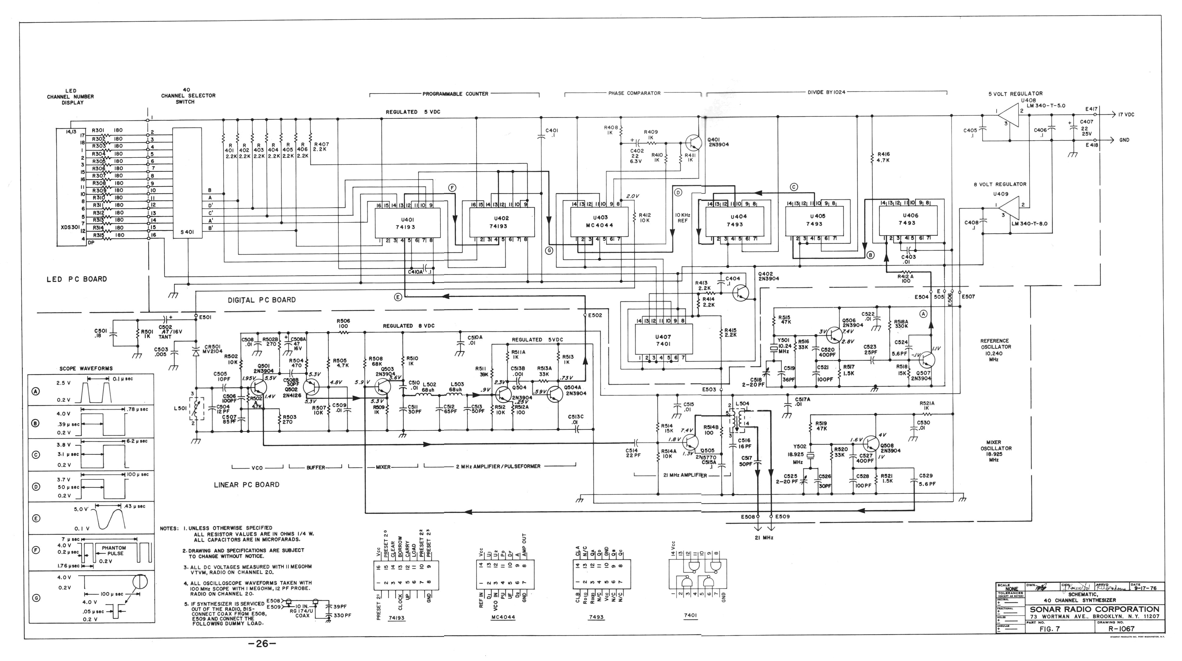
    Schematic Diagram Synthesizer
    Schematic Diagram Synthesizer

 

 

 



Copyright © 1998, 1999, 2000, 2001, 2002, 2003, 2004, 2005 CBTricks.com

Disclaimer: Although the greatest care has been taken while compiling these documents,

we cannot guarantee that the instructions will work on every radio presented.