Tram Diamond Corp. Model XL5
Documentation Project

CBTricks.com

TIPS:
You need to have Acrobat Reader version 5 or newer installed to view the files with icon.

If the files with or icon will not display see the Site FAQ for help on printing and using this information.



Vintage Advertising

Owner's Manual

Diagrams (Owner's Manual)
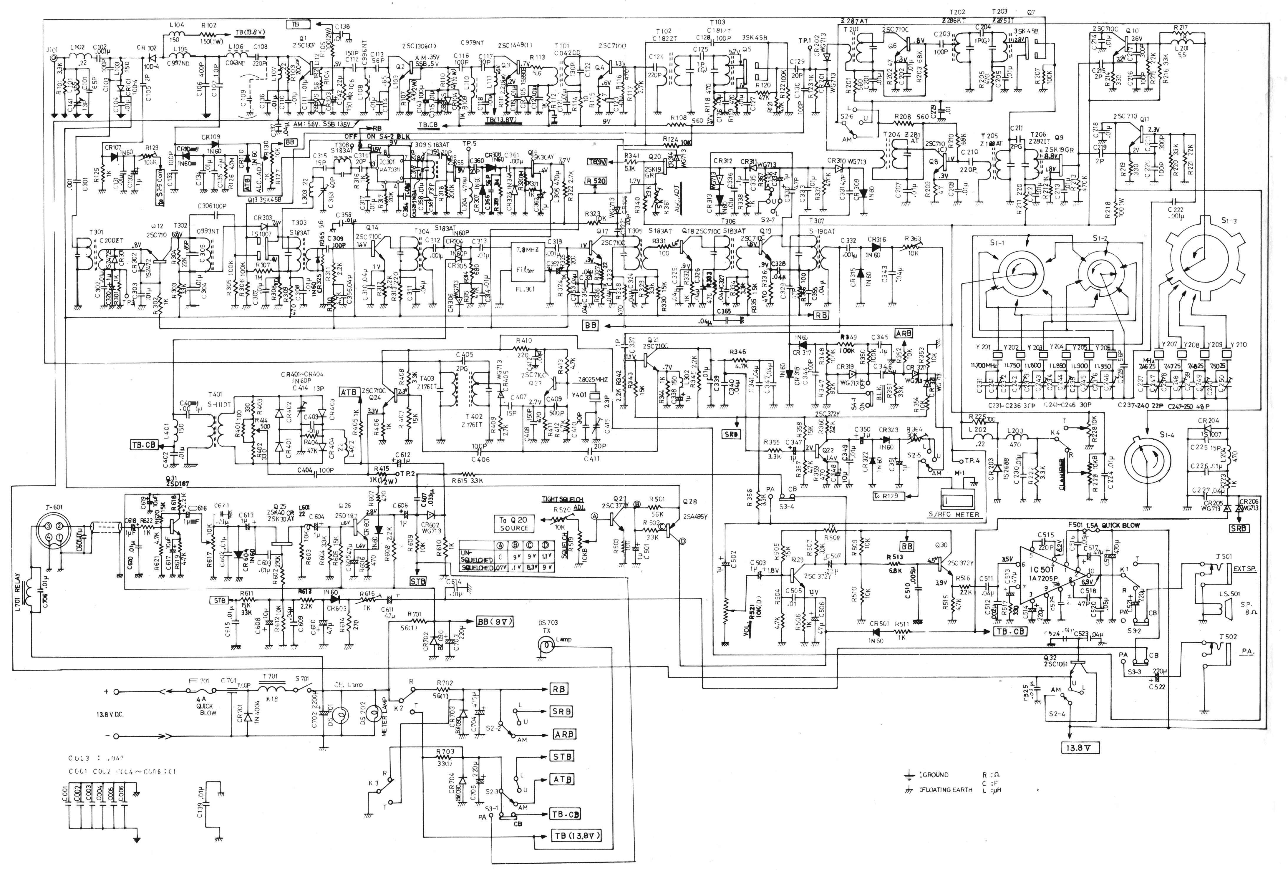
    Schematic Diagram
    Schematic Diagram

Mic Wiring

Stock
1- Shield
2- Audio
3- Transmit
4- Receive

Astatic (4 wire)
1- Shield
2- White
3- Red
4- Black

Astatic (6 wire)
1- Shield & Blue
2- White
3- Red
4- Black
Yellow NC

Daiwa EM-500
Cobra CA Series

1- Shield & Black
2- Red
3- White
4- Blue

Galaxy DC-521S (4 wire)
1- Shield
2- Yellow
3- Red
4- Black

Galaxy CB-660EI
1- Shield & Black
2- White
3- Red
4- Blue

Sadelta
1- Shield
2- White
3- Brown
4- Green

Turner
1- Shield & Red
2- White
3- Blue
4- Black
Yellow NC




Copyright © 1998-2009 CBTricks.com

Disclaimer: CBTricks.com does not warrant the accuracy of the information contained herein nor is it responsible
for any errors or omissions and assumes no liability for the content on this site.
While the CBTricks.com uses reasonable efforts to include accurate and up to date information, CBTricks.com makes no warranties or representations as to its accuracy
or timeliness and assumes no liability or responsibility for any errors or omissions in the Content of this site.

http://www.cbtricks.com